Запчасти Case IH STX275 (06-01) - CLUTCH (06) - POWER TRAIN

Схема запчастей Case IH STX275 - (06-01) - CLUTCH (06) - POWER TRAIN
18
10
16
14
11
1
6
12
8
5
9
2
4
2
17
12
13
19
3
15
7
FIT
1:1
100%

Артикул

Название

Примечание

Количество

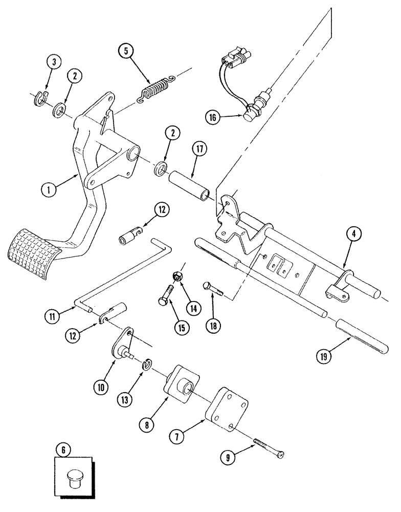
1

222462A1

PEDAL

1шт.

2

281093A1

WASHER,Flat, 26.5mm x 38.1mm x 2mm

2шт.

3

800-1125

SNAP RING,M25, Ext

1шт.

4

370247A2

PEDAL ASSY.

1шт.

5

278210A1

SPRING,Extension, 38.1mm OD x 114.3mm L

1шт.

6

353-422

PLUG,Dome, 1.250" hole, Nylon

1шт.

7

283659A1

SENSOR

clutch position

1шт.

8

305155A2

BUSHING

1шт.

9

840-1530

SCREW,Pan, M5 x 30mm, Cl 4.8

2шт.

10

322409A1

PIN

1шт.

11

222463A2

LINK

1шт.

12

60-2404T1

RETAINER

2шт.

13

800-1110

SNAP RING,M10, Ext

1шт.

14

829-1408

NUT,Hex, M8 x 1.25, Cl 10.9

1шт.

16

355341A1

SWITCH

plunger

1шт.

17

281893A1

BEARING

1шт.

18

614-10025

BOLT,Hex, M10 x 1.5 x 25mm, Cl 8.8

2шт.

19

321961A1

MOLDING

2шт.

15

627-8030

BOLT,Hex, M8 x 1.25 x 30mm, Cl 10.9, Full Thd

1шт.

Выбрано товаров: 19