Запчасти Case IH STX275 (06-27) - DRIVE SHAFTS AND MOUNTING ACCUSTEER TRACTOR (06) - POWER TRAIN

Схема запчастей Case IH STX275 - (06-27) - DRIVE SHAFTS AND MOUNTING ACCUSTEER TRACTOR (06) - POWER TRAIN
12
2
5
5
5
14
1
15
5
5
4
17
9
3
8
6
13
10
11
FIT
1:1
100%

Артикул

Название

Примечание

Количество

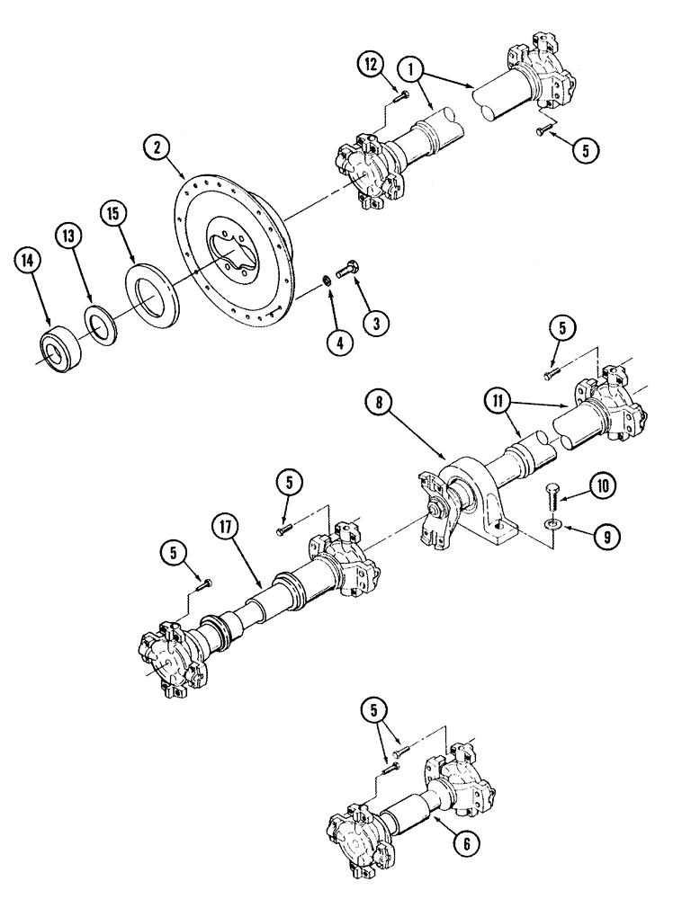
1

378388A1

DRIVE SHAFT

input, see Figure 06-28, STX 275 (1)

1шт.

1

367208A1

DRIVE SHAFT

input, see Figure 06-28, STX 325 (1)

1шт.

2

357928A1

DAMPER

vibration, STX 275 (1)

1шт.

2

357930A1

DAMPER

vibration, STX 325

1шт.

3

426-614

BOLT,Hex, 3/8" - 16 x 7/8", Gr 8

12шт.

4

496-81023

WASHER

13/32 x 3/4 x 7/32

12шт.

5

827-12050

BOLT,Hex, M12 x 1.75 x 50mm, Cl 10.9

24шт.

6

378385A1

DRIVE SHAFT

front axle, see Figure 06-28, STX 275 (1)

1шт.

6

378393A1

DRIVE SHAFT

front axle, see Figure 06-28, STX 325 (1)

1шт.

7

378386A1

DRIVE SHAFT

articulation, see Figure 06-28, STX 275 (1)

1шт.

7

378391A1

DRIVE SHAFT

articulation, see Figure 06-28, STX 325 (1)

1шт.

8

90-4657T1

BEARING CARRIER

pillow block, see Figure 06-28, STX 275 (1)

1шт.

8

90-7378T1

BEARING CARRIER

pillow block, see Figure 06-28, STX 325 (1)

1шт.

9

896-11016

WASHER,17.5mm ID x 30mm OD x 4mm Thk

2шт.

10

627-16060

BOLT,Hex, M16 x 2 x 60mm, Cl 10.9, Full Thd

2шт.

11

303506A1

DRIVE SHAFT

rear axle, see Figures 06-26, 06-28, STX 275 (1)

1шт.

11

305096A1

DRIVE SHAFT

rear axle, see Figures 06-26, 06-28, STX 325 (1)

1шт.

12

827-12070

BOLT,Hex, M12 x 1.75 x 70mm, Cl 10.9

4шт.

13

362360A1

THRUST BEARING,66.75mm ID x 82.55mm OD x 1.98mm Thk

1шт.

14

362359A1

BUSHING,66.88mm ID x 72.07mm OD x 15mm L

1шт.

15

362627A1

ADAPTER

thrust, STX 275 (1)

1шт.

15

358175A2

ADAPTER

thrust, STX 325 (1)

1шт.

Выбрано товаров: 22