Качественные детали и логистика
Оригинальные и аналоговые запчасти с доставкой по России, Казахстану и Беларуси
©2022 PartSell ООО "Система" ИНН 2463123282 ОГРН 1212400004838
Центральный офис: г. Красноярск, Академика Киренского, д.87, пом.4
Телефон: 8 (800) 777-65-74 Email: zakaz@partsell.ru
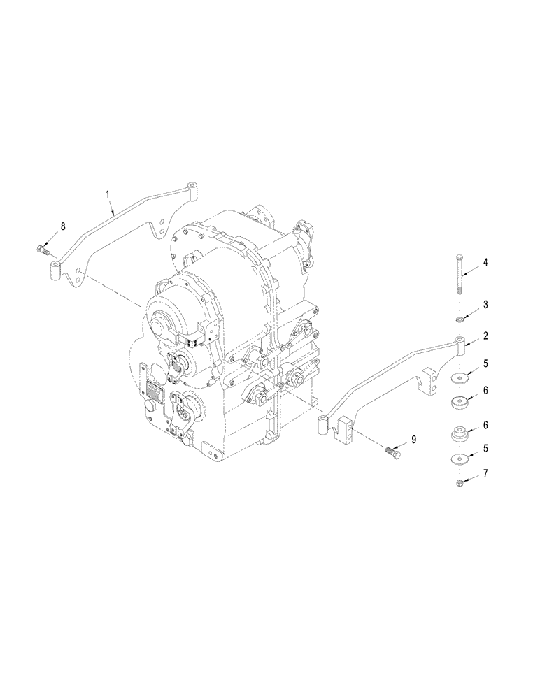
(06-22) - TRANSMISSION MOUNTING, MANUAL SHIFT TRANSMISSION
№
Артикул
Название
Примечание
Количество
1
407288A1
PLATE
Transmission Mounting, LH
1шт.
2
397261A1
Transmission Mounting, RH
3
896-11016
WASHER,17.5mm ID x 30mm OD x 4mm Thk
4шт.
4
827-16180
BOLT,Hex, M16 x 2 x 180mm, Cl 10.9
5
379610A1
WASHER
8шт.
6
227810A1
RUBBER MOUNTING
7
829-1416
NUT,M16, Cl 10
8
627-20050
BOLT,Hex, M20 x 2.5 x 50mm, Cl 10.9, Full Thd
9
827-20120
BOLT,Hex, M20 x 2.5 x 120mm, Cl 10.9
Выбрано товаров: 0