Запчасти Case IH STX280 (06-23) - TRANSMISSION MOUNTING, POWER SHIFT TRANSMISSION (06) - POWER TRAIN

Схема запчастей Case IH STX280 - (06-23) - TRANSMISSION MOUNTING, POWER SHIFT TRANSMISSION (06) - POWER TRAIN
7
6
1
2
6
4
8
3
2
5
5
FIT
1:1
100%

Артикул

Название

Примечание

Количество

87546434

TRANSMISSION

TRANSMISSION

1шт.

87546434R

REMAN-TRANSMISSION

Remanufactured TRANSMISSION, POWERSHIFT - 7C (6.375 inches) and 8C (8.5 inches) Yoke Machine - Models STX280/330; STX380/430/480 Std Duty; Steiger 335; Steiger 385/435/485 Std Duty. ASN Z6F105039 ONLY, Start Serial: Z6F105039

1шт.

87546434C

CORE-TRANSMISSION

Return Number

1шт.

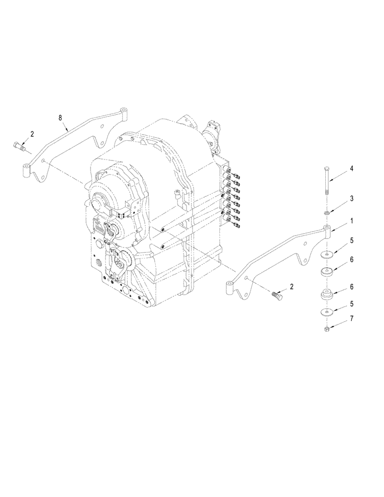
1

407288A1

PLATE

Transmission Mounting, LH

1шт.

2

627-20050

BOLT,Hex, M20 x 2.5 x 50mm, Cl 10.9, Full Thd

8шт.

3

896-11016

WASHER,17.5mm ID x 30mm OD x 4mm Thk

4шт.

4

827-16180

BOLT,Hex, M16 x 2 x 180mm, Cl 10.9

4шт.

5

379610A1

WASHER

16.7 x 71.4 x 4.8 mm

8шт.

6

227810A1

RUBBER MOUNTING

4шт.

7

829-1416

NUT,M16, Cl 10

4шт.

8

87335426

MOUNTING PLATE

Transmission, RH

1шт.

Выбрано товаров: 11