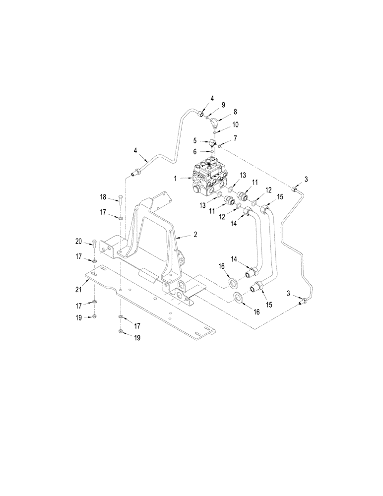
Запчасти Case IH STX280 (08-21) - PRIORITY VALVE AND ATTACHING PARTS (08) - HYDRAULICS

Схема запчастей Case IH STX280 - (08-21) - PRIORITY VALVE AND ATTACHING PARTS (08) - HYDRAULICS
11
6
12
4
8
9
3
13
1
5
2
3
19
17
18
12
14
17
16
15
7
11
20
4
17
16
19
17
15
14
13
10
21
FIT
1:1
100%

Артикул

Название

Примечание

Количество

1

87442925

CONTROL VALVE

Priority / EHPS, See Figure: 08-12, Serial Range: -Z7F105376

1шт.

87442925C

CORE-VALVE HYD

CORE-HYD VALVE Return Number, HYDRAULIC VALVE - for N.A. Only

1шт.

1

87585897

HYDRAULIC VALVE

Priority / EHPS, See Figure: 08-12, Start Serial: Z7F105376

1шт.

1

87585897R

REMAN-HYD VALVE

Remanufactured Hydraulic Valve

1шт.

1

87585897C

CORE-VALVE HYD

CORE-HYD VALVE Return Number, HYDRAULIC VALVE

1шт.

2

87365696

BRACKET

Priority Valve

1шт.

3

87371077

HYD TUBE,7.02 mm ID x 9.52 mm OD x 442, 392 mm L

Load Sense

1шт.

4

87308363

HYD TUBE

'T' Port Priority Valve

1шт.

5

700-311

ELBOW,90 Degree Elbow, 11/16" - 16 Male ORFS x M12 x 1.5 Male ORB

Inc. 6 & 7

1шт.

6

637-63093

O-RING,2.2mm Thk x 9.3mm ID, Cl 6, 90 Duro

1шт.

7

238-6012

O-RING,0.07" Thk x 0.364" ID, -12, Cl 6, 90 Duro

1шт.

8

700-305

ELBOW,90 Degree Elbow, 13/16" - 16 Male ORFS x M18 x 1.5 Male ORB

Incl. 9 & 10

1шт.

9

637-63153

O-RING,2.2mm Thk x 15.3mm ID, Cl 6, 90 Duro

1шт.

10

238-6014

O-RING,0.07" Thk x 0.489" ID, -14, Cl 6, 90 Duro

1шт.

11

700-105

HYD CONNECTOR,1-7/16" - 12 Male ORFS x M33 x 2 Male ORB

Inc. 12 & 13

2шт.

12

238-6021

O-RING,15/16 X 1 - 1/16, Cl 6

1шт.

13

637-64296

O-RING,2.9mm Thk x 29.6mm ID, Cl 6, 90 Duro

1шт.

14

87365923

HYD TUBE,20.58 mm ID x 25.40 mm OD x 228, 225 mm L

Pressure to Priority Valve

1шт.

15

87314026

HYD TUBE

EF Supply

1шт.

16

896-12036

WASHER,39mm ID x 66mm OD x 6mm Thk

2шт.

17

895-11012

WASHER,13.5mm ID x 24mm OD x 2.5mm Thk

16шт.

18

627-12030

BOLT,Hex, M12 x 1.75 x 30mm, Cl 10.9, Full Thd

4шт.

19

829-1412

NUT,M12, Cl 10.9

8шт.

20

827-12050

BOLT,Hex, M12 x 1.75 x 50mm, Cl 10.9

4шт.

21

87365695

SUPPORT

Plate, Priority Valve

1шт.

Выбрано товаров: 25