Запчасти Case IH STX280 (08-24) - HIGH OUTPUT HYDRAULICS - PUMP MOUNTING (08) - HYDRAULICS

Схема запчастей Case IH STX280 - (08-24) - HIGH OUTPUT HYDRAULICS - PUMP MOUNTING (08) - HYDRAULICS
7
15
19
11
5
10
7
12
9
14
6
1
2
4
17
12
3
8
16
18
13
FIT
1:1
100%

Артикул

Название

Примечание

Количество

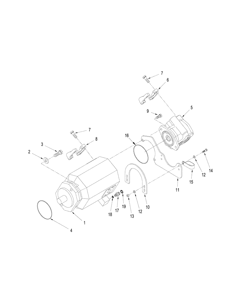
1

87308196

PUMP

Piston, 100 cc, See Figure: 08-25

1шт.

1

87308196R

REMAN-HYD PUMP,100 CC

Remanufactured Hydraulic Pump

1шт.

1

87308196C

CORE-HYDRAULIC PUMP

Return number

1шт.

2

496-81022

WASHER

2шт.

3

627-16050

BOLT,Hex, M16 x 2 x 50mm, Cl 10.9, Full Thd

2шт.

4

238-5250

O-RING,0.139" Thk x 4.984" ID, -250, Cl 5, 75 Duro

1шт.

5

87428412

HYDRAULIC PUMP

Gear, 100 cc, See Figure: 08-26

1шт.

432244A3R

REMAN-HYD PUMP

STEIGER 280, STEIGER 330 all (ASN Z6F105001), STX280, STX330 all (BTW Z6F100023 - Z6F105001); Reman for New P/N 87428412

1шт.

432244A3C

CORE-HYDRAULIC PUMP

Return Number

1шт.

6

A14141

FLANGE

Split

2шт.

7

426-824

BOLT,Hex, 1/2" - 13 x 1-1/2", Gr 8

8шт.

8

L14386

CLAMP

Split

2шт.

9

627-12030

BOLT,Hex, M12 x 1.75 x 30mm, Cl 10.9, Full Thd

2шт.

10

87419159

PLATE

Lower

1шт.

11

87419459

BRACKET

Mounting, Tandem Pump

1шт.

With Power Shift Transmission

1шт.

11

87419160

BRACKET

Mounting, Tandem Pump

1шт.

With Manual Shift Transmission

1шт.

12

495-11034

WASHER,5/16", SAE

8шт.

13

832-10408

NUT,M8 x 1.25, Cl 8.8

4шт.

14

627-8030

BOLT,Hex, M8 x 1.25 x 30mm, Cl 10.9, Full Thd

4шт.

15

L111928

CLAMP

2шт.

16

436514A1

O-RING

1шт.

17

201-125

HYD CONNECTOR,11/16"-16 ORFS x 7/16"-20 ORB

Inc. 18 & 19

1шт.

18

237-6004

O-RING,0.072" Thk x 0.351" ID, -904, Cl 6, 90 Duro

1шт.

19

238-6012

O-RING,0.07" Thk x 0.364" ID, -12, Cl 6, 90 Duro

1шт.

Выбрано товаров: 26