Запчасти Case IH STX325 (06-09) - POWER SHIFT TRANSMISSION - VALVE AND PUMP MOUNTING (06) - POWER TRAIN

Схема запчастей Case IH STX325 - (06-09) - POWER SHIFT TRANSMISSION - VALVE AND PUMP MOUNTING (06) - POWER TRAIN
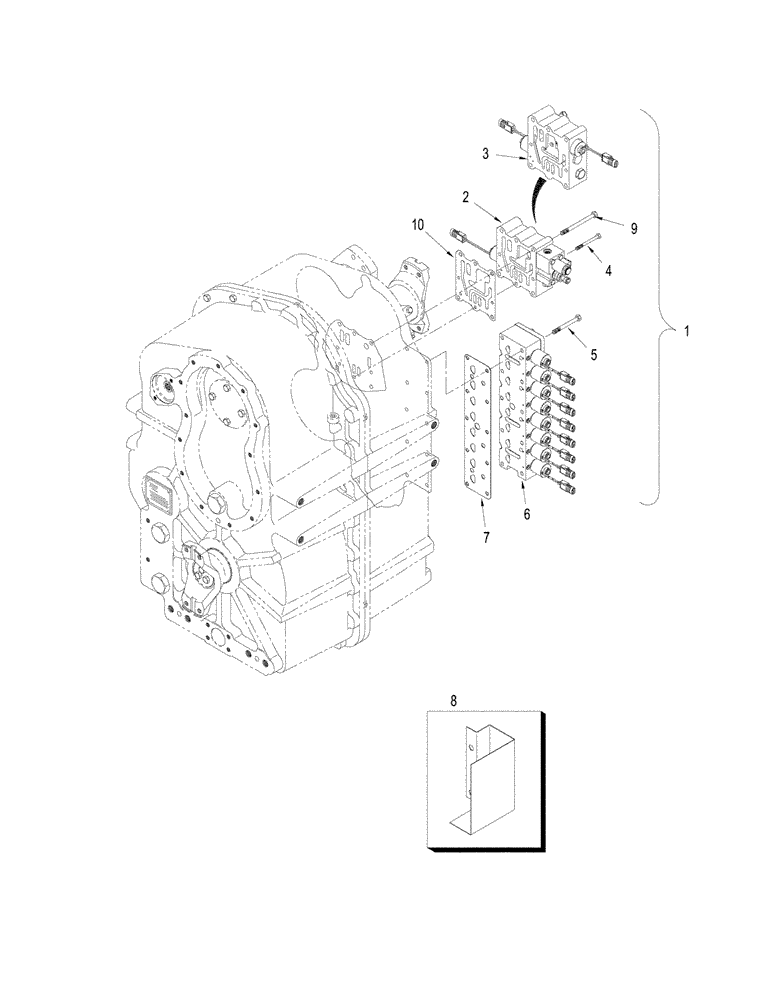
3
6
9
2
10
1
5
8
7
4
FIT
1:1
100%

Артикул

Название

Примечание

Количество

403066A1

TRANSMISSION

TRANSMISSION, 8.5C Yoke

1шт.

87627458R

REMAN-TRANSMISSION

TRANSMISSION, 8.5C Yoke

1шт.

87627458C

CORE-TRANSMISSION

Return Part Number, PS3

1шт.

87416587

TRANSMISSION

TRANSMISSION, Closed Loop PS3 - 8C

1шт.

87627456R

REMAN-TRANSMISSION

TRANSMISSION, Closed Loop PS3 - 8C

1шт.

87627456C

CORE-TRANSMISSION

Return Part Number, PS3

1шт.

2

385957A1

VALVE

Regulator, See Figure 06-49, Serial Range: -JEE0104001

1шт.

3

87431403

VALVE

Regulator, See Figure 06-49 (01), Start Serial: JEE0104001

1шт.

3

87431403R

REMAN-HYD VALVE

STX275, STX325 Start Serial: JEE0104001

1шт.

3

87431403C

CORE-VALVE HYD

Return Part Number

1шт.

4

614-8080

BOLT,Hex, M8 x 1.25 x 80mm, Cl 8.8, Full Thd

3шт.

5

514-729

BOLT,Hex, M10 x 1.25 x 90mm, Cl 8.8

10шт.

6

370550A1

VALVE

Range Selector, See Figure 06-50

1шт.

7

390633A1

GASKET

1шт.

8

408591A1

COVER

Solenoid

1шт.

9

514-739

BOLT,Hex, M10 x 1.25 x 120mm, Cl 8.8

5шт.

10

87431416

GASKET

1шт.

398441A1

GASKET KIT

Short Gasket Overhaul, Inc. 1, 7, See Figure 06-38, 06-49, 06-50, Serial Range: -JEE0104001

1шт.

87432749

GASKET KIT

Short Overhaul, Inc. 1, 7, See Figure 06-28, 06-49, 06-50, Start Serial: JEE0104001

1шт.

87432750

GASKET KIT

Transmission Repair, Inc. 1, 7, See Figure 06-38 - 06-50

1шт.

Выбрано товаров: 20