Запчасти Case IH STX325 (08-03) - OIL FILTER - AXLE AND TRANSMISSION (08) - HYDRAULICS

Схема запчастей Case IH STX325 - (08-03) - OIL FILTER - AXLE AND TRANSMISSION (08) - HYDRAULICS
4
6
10
9
7
2
8
2
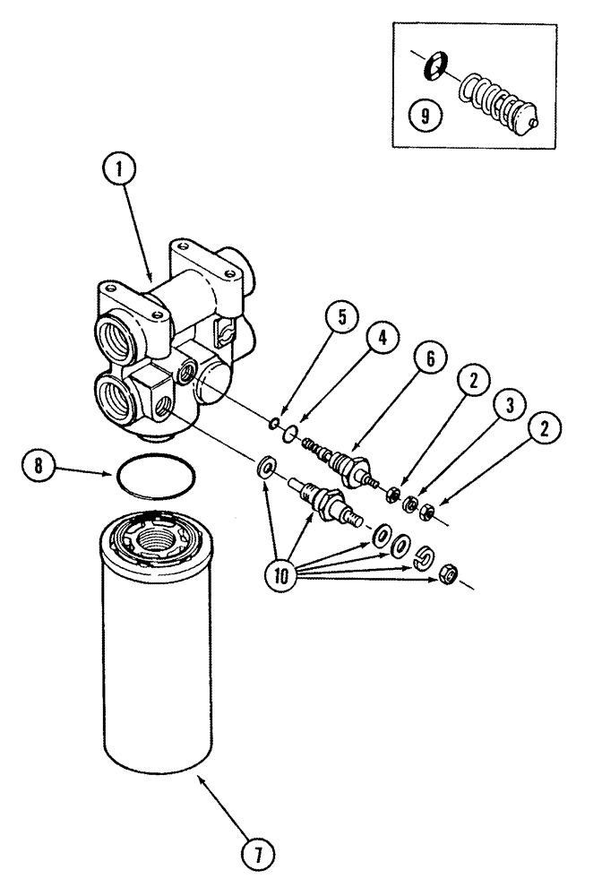
1
5
3
FIT
1:1
100%

Артикул

Название

Примечание

Количество

296313A2

FILTER

left-hand, consists of: Ref. 1 - 8

1шт.

324570A3

FILTER

right-hand, consists of: Ref. 1 - 8

1шт.

1

NSS

NOT SOLD SEPARAT

HEAD

1шт.

N6755

PRESSURE SWITCH

restriction, consists of: Ref. 2 - 6

1шт.

2

129-667

NUT,#10-32, LH

2шт.

3

493-21020

LOCK WASHER,Int Tooth, #10

1шт.

4

237-6006

O-RING,0.078" Thk x 0.468" ID, -906, Cl 6, 90 Duro

1шт.

5

238-5011

O-RING,0.07" Thk x 0.301" ID, -11, Cl 5, 75 Duro

1шт.

6

NSS

NOT SOLD SEPARAT

SWITCH

1шт.

1346028C1

HYDRAULIC OIL FILTER

consists of: Ref. 7 - 8

1шт.

7

NSS

NOT SOLD SEPARAT

ELEMENT

1шт.

8

1986552C2

O-RING,2.484mm ID x 1.39mm Width

1шт.

9

50-3590T91

KIT

check valve, outline

1шт.

10

302557A2

SENDER UNIT

SENDER temperature

2шт.

Выбрано товаров: 14