Запчасти Case IH STX325 (08-19) - LINKAGE HYDRAULIC REMOTE CONTROL (08) - HYDRAULICS

Схема запчастей Case IH STX325 - (08-19) - LINKAGE HYDRAULIC REMOTE CONTROL (08) - HYDRAULICS
6
11
13
10
13
7
1
6
3
9
16
12
13
9
6
9
13
5
5
2
9
17
19
15
14
18
8
19
6
11
9
4
FIT
1:1
100%

Артикул

Название

Примечание

Количество

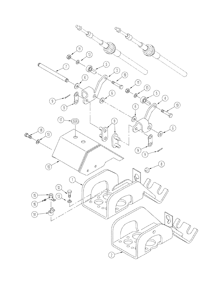
1

359789A1

SUPPORT ASSY.

right-hand

1шт.

2

359783A1

SUPPORT ASSY.

left-hand

1шт.

3

367538A1

ARM ASSY.

left-hand

2шт.

4

367545A1

ARM ASSY.

right-hand

2шт.

5

L53928

BALL JOINT

4шт.

6

895-18010

WASHER,10.5mm ID x 18mm OD x 1.6mm Thk

6шт.

7

359804A1

PIN,9.53mm OD x 105.6mm L

2шт.

8

A67295

PLUG

1шт.

9

349340A1

LINK

4шт.

10

359801A1

SHIELD

2шт.

11

829-1406

NUT,Hex, M6 x 1, Cl 10.9

4шт.

12

614-6016

BOLT,Hex, M6 x 1 x 16mm, Cl 8.8, Full Thd

8шт.

13

895-11006

WASHER,6.6mm ID x 12mm OD x 1.6mm Thk

20шт.

14

60-2404T1

RETAINER

1шт.

15

359791A1

COLLAR

with flow control

1шт.

16

878-1046

SET SCREW,Hex Skt, M4 x 6mm, Cup Pt

1шт.

17

A160814

KNOB

flow control

3шт.

18

614-6012

BOLT,Hex, M6 x 1 x 12mm, Cl 8.8, Full Thd

8шт.

19

627-6025

BOLT,Hex, M6 x 1 x 25mm, Cl 10.9, Full Thd

4шт.

Выбрано товаров: 19