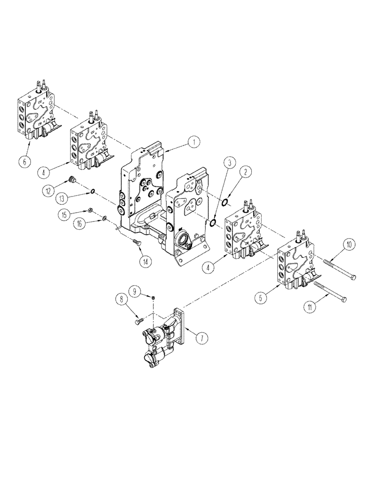
Запчасти Case IH STX325 (08-34) - REMOTE VALVE ASSY MANUAL REMOTE (08) - HYDRAULICS

Схема запчастей Case IH STX325 - (08-34) - REMOTE VALVE ASSY MANUAL REMOTE (08) - HYDRAULICS
5
12
7
2
9
1
14
4
13
8
3
4
16
15
11
6
10
FIT
1:1
100%

Артикул

Название

Примечание

Количество

341170A1

VALVE

four-stack, consists of: Ref. 1 - 16

1шт.

1

337882A2

VALVE

manifold, see Figure 08-33

1шт.

2

238-6117

O-RING,0.103" Thk x 0.799" ID, -117, Cl 6, 90 Duro

24шт.

3

238-6112

O-RING,0.103" Thk x 0.487" ID, -112, Cl 6, 90 Duro

8шт.

4

310788A1

VALVE

main, see Figure 08-37

2шт.

5

311134A1

VALVE

auxiliary, right-hand, see Figure 08-37

1шт.

6

311137A1

VALVE

auxiliary, left-hand, see Figure 08-37

1шт.

7

292322A1

COUPLING, BREAK AWAY

see Figure 08-36

4шт.

8

628-10025

BOLT,Hex, M10 x 1.5 x 25mm, Cl 10.9, Full Thd

16шт.

9

86637724

PLUG,1/8" - 27 NPT

4шт.

10

863-12100

HEX SOC SCREW,M12 x 100mm, Cl 12.9

4шт.

11

828-10100

BOLT,Hex, M10 x 1.5 x 100mm, Cl 10.9

2шт.

12

221576A1

PLUG,Hex Soc, M14 x 1.5, ORB

Includes Ref. 13

1шт.

13

637-63113

O-RING,2.2mm Thk x 11.3mm ID, Cl 6

1шт.

14

627-12030

BOLT,Hex, M12 x 1.75 x 30mm, Cl 10.9, Full Thd

4шт.

15

832-10412

NUT,M12 x 1.75, Cl 8

4шт.

16

896-11012

WASHER,13.5mm ID x 24mm OD x 3mm Thk

4шт.

Выбрано товаров: 17