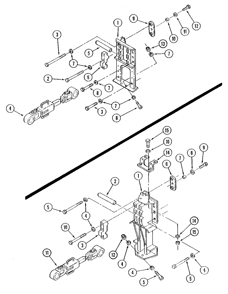
Запчасти Case IH STX325 (09-03) - THREE POINT HITCH UPPER LINK WITH POWER TAKEOFF (09) - CHASSIS/ATTACHMENTS

Схема запчастей Case IH STX325 - (09-03) - THREE POINT HITCH UPPER LINK WITH POWER TAKEOFF (09) - CHASSIS/ATTACHMENTS
5
5
8
13
14
15
8
7
16
11
11
2
6
9
1
4
3
14
9
4
12
12
10
3
4
8
7
3
7
15
4
6
5
10
4
7
1
2
7
FIT
1:1
100%

Артикул

Название

Примечание

Количество

1

371331A2

MOUNTING PARTS

1шт.

2

827-20080

BOLT,Hex, M20 x 2.5 x 80mm, Cl 10.9

6шт.

3

827-20230

BOLT,Hex, M20 x 2.5 x 230mm, Cl 10.9

8шт.

4

253908A2

LINK

upper, see Figure 09-04

1шт.

5

309663A1

PIN

1шт.

6

309662A1

CLAMP

2шт.

7

896-11020

WASHER,22mm ID x 37mm OD x 4mm Thk

22 x 37 x 4 mm

16шт.

8

827-20090

BOLT,Hex, M20 x 2.5 x 90mm, Cl 10.9

2шт.

9

259389A1

PLATE

2шт.

10

70-5967T1

SPACER,16.7mm ID x 22.2mm OD x 11.2mm

2шт.

11

896-11016

WASHER,17.5mm ID x 30mm OD x 4mm Thk

2шт.

12

627-16025

BOLT,Hex, M16 x 2 x 25mm, Cl 10.9, Full Thd

2шт.

13

829-1420

NUT,M20, Cl 10

2шт.

1

371332A4

MOUNTING PARTS

1шт.

2

309663A1

PIN

1шт.

3

309662A1

CLAMP

2шт.

4

896-11020

WASHER,22mm ID x 37mm OD x 4mm Thk

22 x 37 x 4 mm

16шт.

5

827-20090

BOLT,Hex, M20 x 2.5 x 90mm, Cl 10.9

10шт.

6

259389A1

PLATE

2шт.

7

70-5967T1

SPACER,16.7mm ID x 22.2mm OD x 11.2mm

2шт.

8

896-11016

WASHER,17.5mm ID x 30mm OD x 4mm Thk

2шт.

9

627-16025

BOLT,Hex, M16 x 2 x 25mm, Cl 10.9, Full Thd

2шт.

10

827-20080

BOLT,Hex, M20 x 2.5 x 80mm, Cl 10.9

6шт.

11

253908A2

LINK

upper, see Figure 09-04

1шт.

12

829-1420

NUT,M20, Cl 10

2шт.

13

393967A1

PLATE

1шт.

15

829-1410

NUT,M10 x 1.5, Cl 10.9

2шт.

16

627-10035

BOLT,Hex, M10 x 1.5 x 35mm, Cl 10.9, Full Thd

2шт.

14

895-11010

WASHER,11mm ID x 20mm OD x 2mm Thk

4шт.

Выбрано товаров: 29