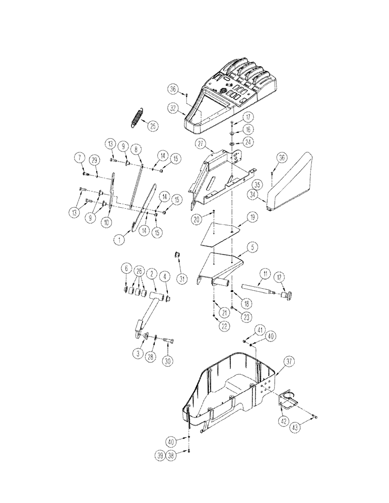
Запчасти Case IH STX325 (09-21) - CONSOLE, RIGHT-HAND ARMREST DELUXE AND LUXURY CABS (09) - CHASSIS/ATTACHMENTS

Схема запчастей Case IH STX325 - (09-21) - CONSOLE, RIGHT-HAND ARMREST DELUXE AND LUXURY CABS (09) - CHASSIS/ATTACHMENTS
37
14
4
39
30
41
40
35
36
14
14
22
20
25
43
31
9
17
3
15
24
40
5
18
26
15
19
13
12
29
21
38
23
1
28
42
7
6
27
32
9
2
34
36
8
16
11
10
15
13
FIT
1:1
100%

Артикул

Название

Примечание

Количество

302092A5

CONSOLE

console, electric, consists of: Ref. 1 - 27 and 29

1шт.

1

NSS

NOT SOLD SEPARAT

PLATE

1шт.

2

NSS

NOT SOLD SEPARAT

SUPPORT

1шт.

3

222292A1

NUT

1шт.

4

72323

BUSHING,19.07mm ID x 28.57mm OD x 19.05mm L

1шт.

5

NSS

NOT SOLD SEPARAT

SUPPORT lower

1шт.

6

294296A1

BUSHING

1шт.

7

NSS

NOT SOLD SEPARAT

BOLT special

1шт.

8

NSS

NOT SOLD SEPARAT

LINK

1шт.

9

NSS

NOT SOLD SEPARAT

WASHER special

3шт.

10

NSS

NOT SOLD SEPARAT

BRACKET

1шт.

11

NSS

NOT SOLD SEPARAT

BOLT special

1шт.

12

319870A1

KNOB

1шт.

15

832-10408

NUT,M8 x 1.25, Cl 8.8

3шт.

16

277582A1

WASHER

1шт.

17

628-6025

BOLT,Hex, M6 x 25mm, Cl 10.9, Full Thd

1шт.

18

895-11006

WASHER,6.6mm ID x 12mm OD x 1.6mm Thk

1шт.

19

277576A1

SPACER

1шт.

20

840-1414

SCREW,Pan, Cl 4.8

1шт.

21

895-11004

WASHER,4.3mm ID x 9mm OD x 0.8mm Thk

(4.3 x 9 x 0.8 mm)

1шт.

22

832-10404

NUT,M4 x 0.7, Cl 8.8

1шт.

23

832-10406

NUT,M6 x 1, Cl 8

1шт.

24

277570A1

WASHER

1шт.

25

NSS

NOT SOLD SEPARAT

SPRING

1шт.

26

294295A1

NYLON BEARING,19.08 mm ID x 20.79 mm OD x 17 mm

3шт.

27

NSS

NOT SOLD SEPARAT

SUPPORT upper, electric

1шт.

28

895-15012

WASHER,M12 x 28 x 2.5

13.5 x 28 x 2.5 mm

1шт.

29

NSS

NOT SOLD SEPARAT

WASHER special

1шт.

30

627-12040

BOLT,Hex, M12 x 1.75 x 40mm, Cl 10.9, Full Thd

1шт.

31

825-2408

FLANGE NUT,M8 x 1.25, Flg, Cl 8

1шт.

360883A2

CONSOLE

deluxe cab, consists of: Ref. 32, 34, 36

1шт.

360447A2

CONSOLE

leather, luxury cab, consists of: Ref. 32, 35, 36

1шт.

32

360885A2

HOUSING

upper

1шт.

34

277204A2

CUSHION

1шт.

35

358812A1

CUSHION ASSY.

leather

1шт.

36

760-14316

SELF-TAP SCREW,Pan Hd, M4.2 x 16

4шт.

37

361350A1

HOUSING

lower, without advanced farming systems (AFS)

1шт.

37

374990A1

HOUSING

lower, with advanced farming systems (AFS)

1шт.

38

864-4020

HEX SOC SCREW,M4 x 20mm, Cl 8.8

6шт.

39

864-4016

HEX SOC SCREW,M4 x 16mm, Cl 8.8

6шт.

40

895-11004

WASHER,4.3mm ID x 9mm OD x 0.8mm Thk

(4.3 x 9 x 0.8 mm)

16шт.

41

824-1404

NUT,M4, Cl 5

4шт.

42

331649A1

HOLDER

cup

1шт.

43

840-1412

SCREW,Hex Skt, M4 x 12mm, Cl 4.8

4шт.

13

627-8025

BOLT,Hex, M8 x 1.25 x 25mm, Cl 10.9, Full Thd

3шт.

14

895-15008

WASHER,9mm ID x 20mm OD x 1.6mm Thk

3шт.

Выбрано товаров: 46