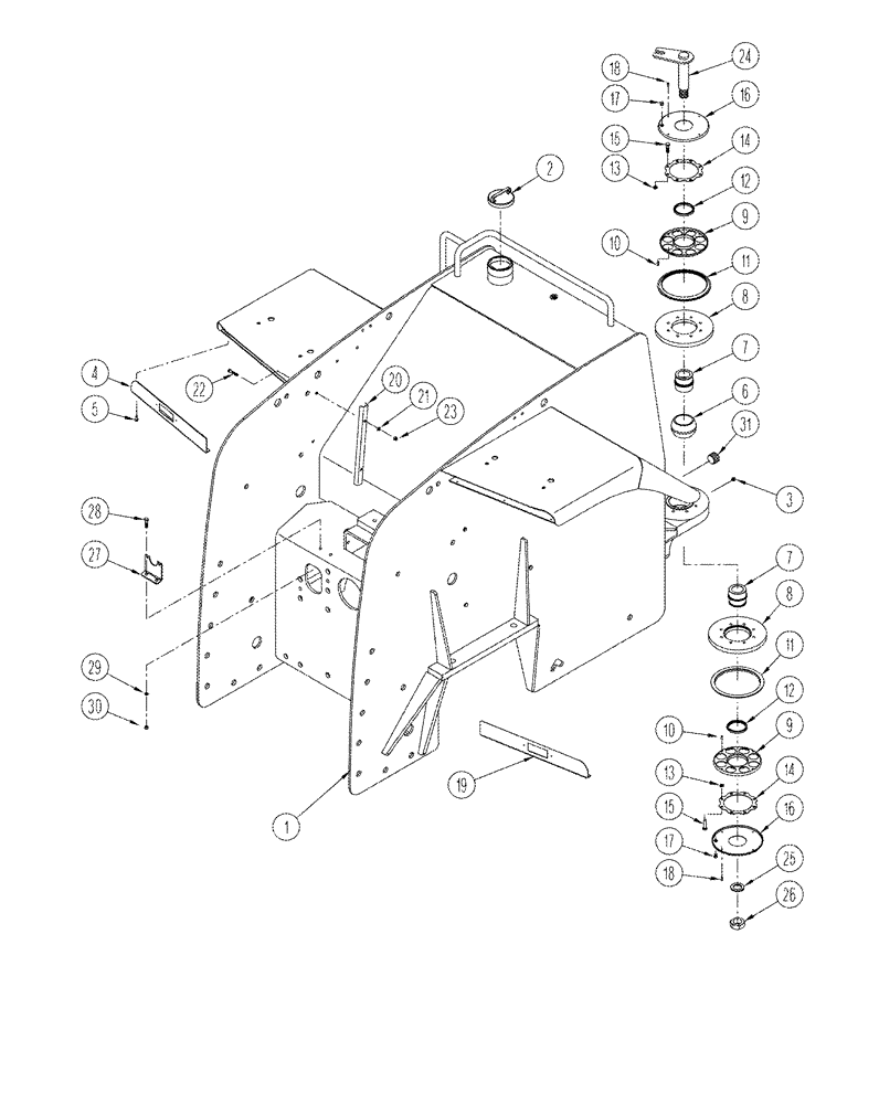
Запчасти Case IH STX325 (09-34) - REAR FRAME (09) - CHASSIS/ATTACHMENTS

Схема запчастей Case IH STX325 - (09-34) - REAR FRAME (09) - CHASSIS/ATTACHMENTS
12
5
21
10
18
2
8
18
30
4
7
14
7
14
19
25
9
10
3
1
20
16
16
17
27
12
9
24
13
11
15
29
28
6
15
23
22
31
8
13
11
26
17
FIT
1:1
100%

Артикул

Название

Примечание

Количество

1

237113A2

FRAME

1шт.

2

A162191

CAP

fuel

1шт.

3

219-36

LUBE NIPPLE,45 Degree Elbow, 1/8" - 27 NPTF

1шт.

4

310601A1

COVER

fender, rear, left-hand

1шт.

5

281-54712

SCREW,Hex Wshr Hd, 1/4" - 20 x 3/4"

Self tapping

6шт.

6

330042A1

SPHERICAL BEARING,76.2mm ID x 120.7mm OD x 66.7mm W

1шт.

7

330033A2

SLEEVE

2шт.

8

330032A1

COVER

2шт.

70-6190T1

HOUSING

consists of: Ref. 9 and 10

2шт.

9

NSS

NOT SOLD SEPARAT

HOUSING

1шт.

10

NSS

NOT SOLD SEPARAT

SPACER

8шт.

11

70-6378T3

SEAL

2шт.

12

D95148

WIPER SEAL

2шт.

13

70-6199T1

SPACER

16шт.

14

70-6198T1

RETAINER

2шт.

15

627-10040

BOLT,Hex, M10 x 1.5 x 40mm, Cl 10.9, Full Thd

16шт.

16

70-6189T1

COVER

2шт.

17

163-47

SCREW,Hex, #10 - 32 x 1/2", Gr 5

8шт.

18

217-430

PLUG,Hex Soc, 1/8" - 27 NPTF

2шт.

19

310600A1

COVER

fender, rear, right-hand

1шт.

20

330164A2

GUARD

wire

2шт.

21

895-11008

WASHER,9mm ID x 16mm OD x 1.6mm Thk

8шт.

22

827-8045

BOLT,Hex, M8 x 1.25 x 45mm, Cl 10.9

4шт.

23

829-1408

NUT,Hex, M8 x 1.25, Cl 10.9

4шт.

24

394364A1

PIN

1шт.

25

1-4088

WASHER,45mm ID x 69.9mm OD x 6.35mm Thk

1-3/4 x 2-3/4 x 1/4

1шт.

26

70-6221T1

JAM NUT

1шт.

27

349568A2

PLATE

1шт.

30

829-1408

NUT,Hex, M8 x 1.25, Cl 10.9

2шт.

31

384163A1

PLASTIC PLUG

1шт.

28

627-10030

BOLT,Hex, M10 x 1.5 x 30mm, Cl 10.9, Full Thd

2шт.

29

895-11010

WASHER,11mm ID x 20mm OD x 2mm Thk

2шт.

Выбрано товаров: 32