Запчасти Case IH STX325 (09-53) - MOUNTING ADVANCED FARMING SYSTEMS FEBRUARY 2001 BUILD AND AFTER (09) - CHASSIS/ATTACHMENTS

Схема запчастей Case IH STX325 - (09-53) - MOUNTING ADVANCED FARMING SYSTEMS FEBRUARY 2001 BUILD AND AFTER (09) - CHASSIS/ATTACHMENTS
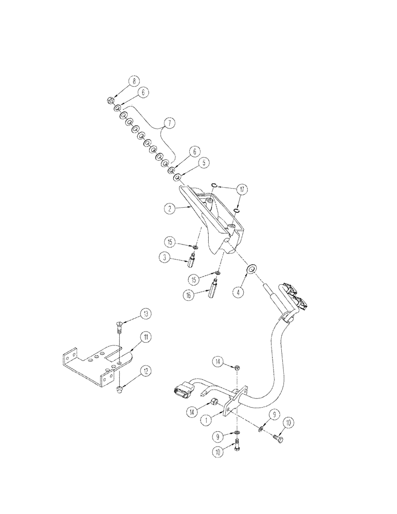
11
3
7
10
2
15
8
14
1
17
9
15
6
9
14
12
6
5
4
13
10
16
FIT
1:1
100%

Артикул

Название

Примечание

Количество

1

405032A1

TUBE

1шт.

2

366774A2

SUPPORT

1шт.

3

406719A1

SCREW,M5 x 25.40mm

short

1шт.

4

375696A1

WASHER

fibre

1шт.

5

375695A1

WASHER

fibre

1шт.

7

375697A1

BELLEVILLE WASHER

Belleville

8шт.

8

832-41310

NUT,M10 x 1.5, Cl 10

1шт.

9

895-11008

WASHER,9mm ID x 16mm OD x 1.6mm Thk

3шт.

10

627-8020

BOLT,Hex, M8 x 1.25 x 20mm, Cl 10.9, Full Thd

3шт.

11

279293A2

SUPPORT

beacon

1шт.

12

D135342

ISOLATOR

4шт.

13

443-13116

SCREW,Cross Flat Hd, 5/16"-18 x 1"

4шт.

14

829-1408

NUT,Hex, M8 x 1.25, Cl 10.9

3шт.

15

895-11006

WASHER,6.6mm ID x 12mm OD x 1.6mm Thk

2шт.

16

406720A1

SCREW,M5 x 25.40mm

long

1шт.

17

800-435

CIRCLIP,M5

2шт.

6

895-11010

WASHER,11mm ID x 20mm OD x 2mm Thk

2шт.

Выбрано товаров: 17