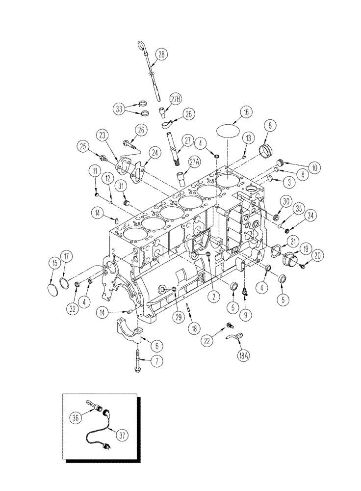
Запчасти Case IH STX325 (02-24) - CYLINDER BLOCK 6TAA-8304 / 6TAA-9004 EMISSIONS CERTIFIED ENGINE 6TAA-8304 (02) - ENGINE

Схема запчастей Case IH STX325 - (02-24) - CYLINDER BLOCK 6TAA-8304 / 6TAA-9004 EMISSIONS CERTIFIED ENGINE 6TAA-8304 (02) - ENGINE
31
30
19
13
26
37
28
5
18a
22
27a
20
36
8
35
2
25
32
21
27b
16
24
12
14
23
4
9
6
7
27
4
17
18
29
5
33
15
10
3
4
14
34
11
26
4
FIT
1:1
100%

Артикул

Название

Примечание

Количество

258975A1

BASIC ENGINE

275 hp, 6TAA-8304, complete engine, less: starter, alternator, fan, fan belt, air cleaner, muffler and exhaust pipe, order 382365A1

1шт.

299261A1

ENGINE

325 hp, 6TAA-9004, complete engine, less: starter, alternator, fan, fan belt, air cleaner, muffler and exhaust pipe, order 364962A1

1шт.

382365A1R

BASIC ENGINE

6TAA-8304, remanufactured, N.A. only

1шт.

84252737R

REMAN-BASIC ENGINE

STX275, Reman For New P/N 382365A1, N.A. Only

1шт.

84252737C

CORE-BASIC ENGINE

Return Number, For N.A. Only

1шт.

364962A1R

REMAN-BASIC ENGINE

6TAA-9004, remanufactured, N.A. only

1шт.

87422170R

REMAN-INJECT NOZZLE

STX275, STX325; Reman for New P/N 364962A1R

1шт.

87422170C

CORE-NOZZLE, INJECT

Return Number

1шт.

6-900-LBC

CORE-BASIC ENGINE

1шт.

JR945432

SHORT ENGINE

6TAA-8304, remanufactured, N.A. only

1шт.

6-830-SHBC

CORE

1шт.

JR948844

SHORT ENGINE

Remanufactured, For N.A. Only

1шт.

6-900-SHBC

CORE

1шт.

J945432

SKELETON ENGINE

6TAA-8304, short, with: stripped block, pistons, connecting rods and bearings, crankshaft and bearings

1шт.

J948844

SHORT ENGINE

6TAA-9004, with: stripped block, pistons, connecting rods and bearings, crankshaft and bearings

1шт.

J948026

BASIC BLOCK

6TAA-8304, also order J800332, consists of: Ref. 1 - 8

1шт.

J948154

BASIC BLOCK

6TAA-9004, stripped, also order J800901, consists of: Ref. 1 - 8

1шт.

1

NSS

NOT SOLD SEPARAT

BLOCK

1шт.

2

J920706

PLUG

22 mm OD

1шт.

3

A77586

PLUG

28.9 mm

2шт.

4

A77506

PLUG

21 mm

4шт.

5

J905401

PLUG

35 mm

4шт.

6

J936058

BEARING CAP

6TAA-8304 (7), 6TAA-9004 (6)

1шт.

6

J948093

thrust, 6TAA-9004

1шт.

6

J948094

BEARING CAP

thrust, 6TAA-9004

1шт.

7

J916369

FLANGE BOLT,Hex, M14 x 2 x 128mm, Cl 10.9

14шт.

8

J945329

CAMSHAFT BEARING,60.08mm ID x 64.13mm OD x 25mm L

see Figure 02-23

7шт.

J800332

KIT

consists of: Ref. 9 - 18

1шт.

J800901

KIT

consists of: Ref. 9 - 17, 18A

1шт.

9

217-103

COCK, DRAIN

1/4" PT

1шт.

10

A77533

PLUG

1 PT

1шт.

11

J678923

PLUG,M10 x 1

10 mm, Includes: Ref. 12

6шт.

12

637-72081

O-RING,1.6mm Thk x 8.1mm ID, Cl 7, 75 Duro

1шт.

13

J900257

PIN,10.01mm OD x 16mm L

16 mm

2шт.

14

J901846

PIN,12.01mm OD x 24mm L

4шт.

15

41-3044

PLUG,Exp, 2 3/4"

(70 mm)

1шт.

16

J907177

SEAL,118mm ID x 122.32mm OD x 4mm Thk

6шт.

17

J926048

O-RING,0.07" Thk x 2.614" ID, -38, Cl 5, 75 Duro

66 mm ID

1шт.

18

J928031

NOZZLE,8.5mm OD x 30mm L

6TAA-8304

12шт.

18a

J945435

NOZZLE

6TAA-9004

6шт.

19

J944720

HYD CONNECTOR

6TAA-8304

1шт.

19

J913030

FITTING

6TAA-9004

1шт.

20

845-8020

BOLT,Hvy Hex, M8 x 20mm, Cl 8.8

2шт.

21

J945603

GASKET,1.65mm Thk

6TAA-8304

1шт.

21

J913032

GASKET

6TAA-9004

1шт.

22

J3070393

BOLT

M10, 6TAA-9004

1шт.

23

J948083

COVER

1шт.

24

J931059

GASKET

1шт.

25

845-8020

BOLT,Hvy Hex, M8 x 20mm, Cl 8.8

2шт.

26

A77508

CLAMP

7/16" ID

1шт.

27

J936828

TUBE,9.53 mm ID x 12.7 mm OD x 350 mm L

1шт.

27b

A77645

TUBE

1шт.

27c

J905802

FITTING,9.53 mm OD x 39 mm L

oil fill tube

1шт.

28

J936826

DIPSTICK

6TAA-8304

1шт.

28

J936825

DIPSTICK

6TAA-9004

1шт.

29

J943808

PLUG

22 mm

1шт.

30

A77505

PLUG

3/4 PT

3шт.

31

A77429

PLUG

1/2 PT

1шт.

32

J920443

PLUG

30 mm

2шт.

33

214-1308

HOSE CLAMP,#8, 1/2", Spring

2шт.

34

313244A1

PLUG

Hex Socket, 22 mm, Includes 35

2шт.

35

313246A1

O-RING,2.2mm Thk x 19.3mm ID

19 ID x 2.2 mm

1шт.

310493A1

KIT

120V/1000W, Includes: Ref. 36 and 37

1шт.

36

NSS

NOT SOLD SEPARAT

ELEMENT

1шт.

37

196466A1

ELECTRIC CABLE

1829 mm (72 in.)

1шт.

310494A1

KIT

240V/1000W, Includes: Ref. 36 and 37

1шт.

36

NSS

NOT SOLD SEPARAT

ELEMENT

1шт.

37

J913112

WIRE HARNESS

305 mm (12")

1шт.

37b

J902425

SEALING WASHER,22.2mm ID x 26.9mm OD x 1.75mm Thk

KIT repair

1шт.

A77900

REPAIR KIT

engine block, see Page(s) 2-65B, 6TAA-8304, consists of: Ref. 38 - 45, not illustrated

1шт.

38

A77901

PISTON & RINGS KIT

see Figure 02-27

6шт.

A77900

REPAIR KIT

engine block, 6TAA-8304, consists of: Ref. 38 - 44, not illustrated

1шт.

39

A77563

BEARING SET

see Figure 02-27

6шт.

40

J901597

PIN

see Figure 02-27

6шт.

41

J945930

BEARING SET

see Figure 02-25

6шт.

42

J945929

THRUST BEARING

see Figure 02-25

1шт.

43

A78004

KIT

see Page(s) 2-79

1шт.

44

J943366

CYLINDER HEAD GASKET,2.11mm Thk

see Figures 02-29, 02-20

1шт.

A78009

PACKAGE,SERVICE

engine block, 6TAA-9004, Includes: Ref. 46 - 69, not illustrated

1шт.

45

222-993

GASKET,3/8 Tube, Fl, Copper

2шт.

46

238-5013

O-RING,0.07" Thk x 0.426" ID, -13, Cl 5, 75 Duro

2шт.

47

238-7018

O-RING,0.07" Thk x 0.739" ID, -18, Cl 7, 75 Duro

1шт.

48

238-7210

O-RING,0.139" Thk x 0.734" ID, -210, Cl 7, 75 Duro

6шт.

49

313262A1

O-RING,0.07" Thk x 0.364" ID

(M9.2 ID x 1.7 Thk)

2шт.

50

J285747

GASKET

oil drain, see Page(s) 2-33

1шт.

51

J330081

O-RING

1шт.

52

J330202

O-RING,11.3MM ID x 2.2 Thk

2шт.

53

J330478

O-RING,0.07" Thk x 0.676" ID

2шт.

54

J678603

O-RING,2.2mm Thk x 9.3mm ID

2шт.

55

J678912

O-RING,2.2mm Thk x 11.3mm ID

2шт.

56

J867043

SEAL,1.78mm Thk x 10.82mm ID

6шт.

57

J883284

O-RING,0.07" Thk x 2.364" ID, -36

1шт.

58

J906659

SEAL

injector, 7 mm

6шт.

59

J911941

GASKET

turbocharger

1шт.

60

J912473

SEAL,157mm ID x 163.18mm OD x 7.03mm Thk

SEALRING rear cover

1шт.

61

J917892

GASKET,0.79mm Thk

1шт.

62

J919369

GASKET,0.5mm Thk

turbocharger, See Figure 02-14

1шт.

63

J931059

GASKET

pump

1шт.

64

J935171

SEALING WASHER

12 x 19 x 1.5 mm

4шт.

65

84368103

MANIFOLD GASKET,1.08mm Thk

exhaust manifold, see Figure 02-13

6шт.

66

J944646

MANIFOLD GASKET

cover, see Figure 02-13

1шт.

67

J944647

GASKET

1шт.

68

J944683

GASKET

breather

1шт.

Выбрано товаров: 103