Запчасти Case IH STX325 (04-09[01]) - GROUND SPEED RADAR (DICKEY-JOHN) (04) - ELECTRICAL SYSTEMS

Схема запчастей Case IH STX325 - (04-09[01]) - GROUND SPEED RADAR (DICKEY-JOHN) (04) - ELECTRICAL SYSTEMS
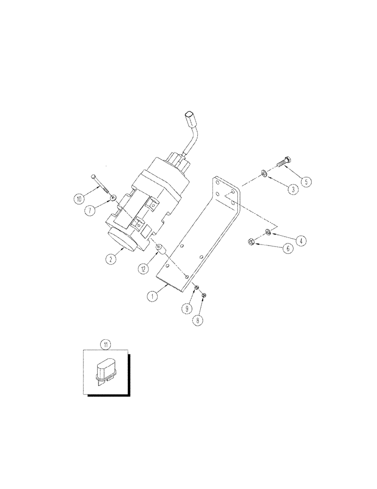
1
3
10
7
11
2
12
5
8
9
6
4
FIT
1:1
100%

Артикул

Название

Примечание

Количество

1

375214A1

SUPPORT

1шт.

2

228760A1

RADAR

1шт.

4

892-11010

LOCK WASHER,M10

4шт.

5

627-10035

BOLT,Hex, M10 x 1.5 x 35mm, Cl 10.9, Full Thd

4шт.

6

829-1410

NUT,M10 x 1.5, Cl 10.9

4шт.

7

895-25006

WASHER,6.6mm ID x 18mm OD x 1.6mm Thk

4шт.

8

829-1406

NUT,Hex, M6 x 1, Cl 10.9

4шт.

9

892-11006

LOCK WASHER,M6

4шт.

10

827-6100

BOLT,Hex, M6 x 100mm, Cl 10.9

4шт.

11

121412A1

FUSE,10A, Mini, Red

1шт.

12

50-2955T1

SPACER

4шт.

334233A1

KIT

ground speed radar, Includes: Ref. 1 - 12

1шт.

3

895-11010

WASHER,11mm ID x 20mm OD x 2mm Thk

4шт.

Выбрано товаров: 13