Запчасти Case IH STX325 (04-32) - MODULE, ENGINE CONTROL 6TAA-8304 / 6TAA-9004 EMISSIONS CERTIFIED ENGINE (04) - ELECTRICAL SYSTEMS

Схема запчастей Case IH STX325 - (04-32) - MODULE, ENGINE CONTROL 6TAA-8304 / 6TAA-9004 EMISSIONS CERTIFIED ENGINE (04) - ELECTRICAL SYSTEMS
3
16
5
8
14
9
2
1
12
20
13
7
11
12
21
4
10
13
6
FIT
1:1
100%

Артикул

Название

Примечание

Количество

JR944125

REMAN-ELECT MONITOR

Reman-Monitor remanufactured

1шт.

JC944125

CORE-MONITOR

Return Part Number

1шт.

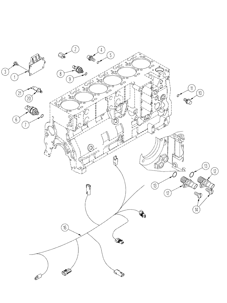
1

J944125

ECU

1шт.

2

J936236

SPACER

2шт.

3

845-8020

BOLT,Hvy Hex, M8 x 20mm, Cl 8.8

3шт.

4

J348747

SENSOR

pressure, Includes: Ref. 5

1шт.

5

J330202

O-RING,11.3MM ID x 2.2 Thk

1шт.

6

J348749

SENSOR

pressure, Includes: Ref. 7

1шт.

7

J330202

O-RING,11.3MM ID x 2.2 Thk

1шт.

8

J408345

SENSOR

temperature, Includes: Ref. 9

1шт.

9

J678912

O-RING,2.2mm Thk x 11.3mm ID

1шт.

10

J865346

SENSOR

Includes: Ref. 11

1шт.

11

J678912

O-RING,2.2mm Thk x 11.3mm ID

1шт.

12

J4002064

SENSOR

position, Includes: Ref. 13

2шт.

13

J330478

O-RING,0.07" Thk x 0.676" ID

2шт.

14

844-8016

BOLT,Hex, M8 x 16mm, Cl 8.8

2шт.

16

J938746

WIRE HARNESS

used with Ref. 17, 18, 19

1шт.

17

313490A1

BOLT

M10 x 14, not illustrated

6шт.

18

825-2408

FLANGE NUT,M8 x 1.25, Flg, Cl 8

Not Illustrated

1шт.

19

825-2406

FLANGE NUT,M6 x 1, Cl 8.8

Not Illustrated

1шт.

20

J3085140

SENSOR

6TAA-9004

1шт.

21

844-8016

BOLT,Hex, M8 x 16mm, Cl 8.8

2шт.

Выбрано товаров: 22