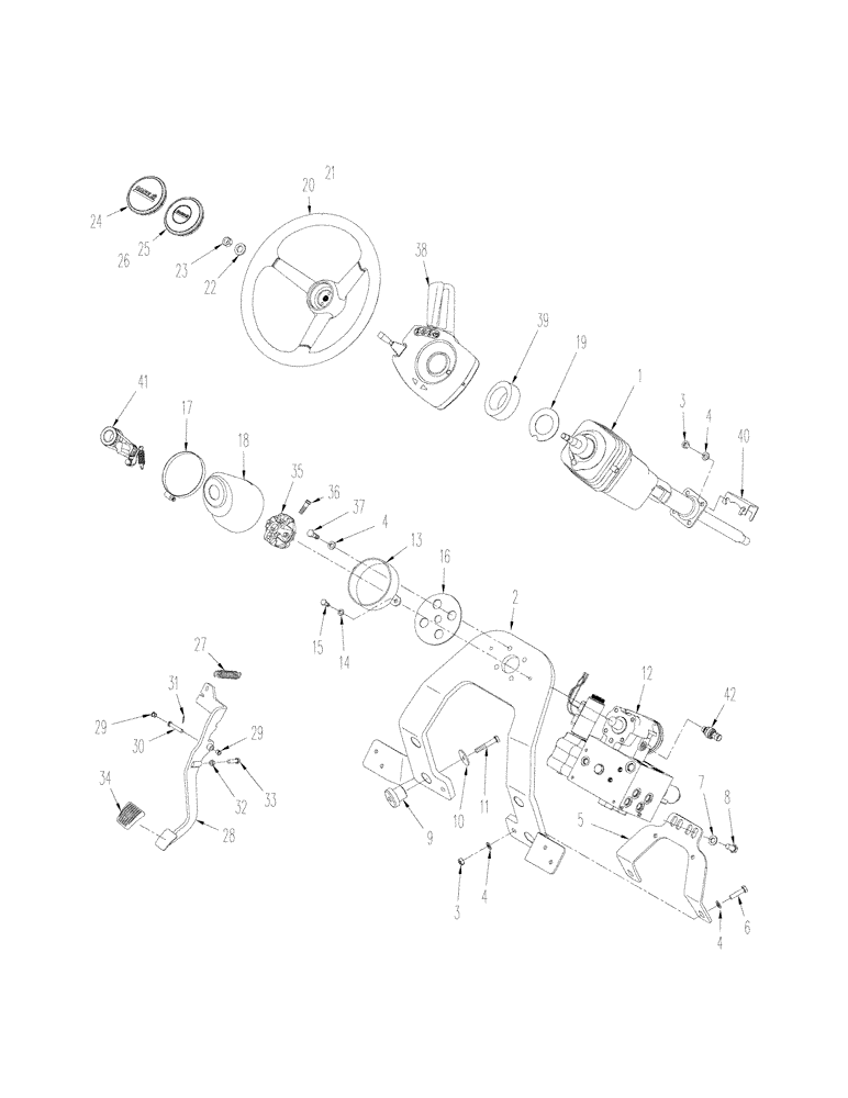
Запчасти Case IH STX325 (05-06[02]) - STEERING WHEEL AND COLUMN, WITH ACCUSTEER (05) - STEERING

Схема запчастей Case IH STX325 - (05-06[02]) - STEERING WHEEL AND COLUMN, WITH ACCUSTEER (05) - STEERING
16
39
18
11
5
42
10
8
37
26
14
21
15
6
3
29
22
41
27
12
33
4
24
13
29
30
36
19
38
23
9
4
28
35
17
3
32
40
4
4
31
25
20
2
1
7
34
FIT
1:1
100%

Артикул

Название

Примечание

Количество

1

373388A2

STEERING COLUMN

See Figure 05-07

1шт.

2

388665A1

PLATE ASSY.

1шт.

3

829-1410

NUT,M10 x 1.5, Cl 10.9

6шт.

4

895-11010

WASHER,11mm ID x 20mm OD x 2mm Thk

12шт.

5

381058A1

SUPPORT

Steering Pump

1шт.

6

827-10040

BOLT,Hex, M10 x 1.5 x 40mm, Cl 10.9, Full Thd

2шт.

7

895-11012

WASHER,13.5mm ID x 24mm OD x 2.5mm Thk

2шт.

8

627-12025

BOLT,Hex, M12 x 1.75 x 25mm, Cl 10.9, Full Thd

2шт.

9

A59514

RUBBER BUSHING,13.49mm ID x 34.29mm OD x 41.1mm L

Vibration

4шт.

10

495-81145

WASHER,13/32" x 1 3/4" x .120"

4шт.

11

627-10070

BOLT,Hex, M10 x 1.5 x 70mm, Cl 10.9, Full Thd

4шт.

12

373378A3

VALVE, CONTROL

Steering, See Figure 05-04

1шт.

13

373194A1

HOUSING

Boot

1шт.

14

895-11008

WASHER,9mm ID x 16mm OD x 1.6mm Thk

2шт.

15

627-8020

BOLT,Hex, M8 x 1.25 x 20mm, Cl 10.9, Full Thd

2шт.

16

373267A1

SEAL

1шт.

17

214-1580

HOSE CLAMP,#80, 4.62" - 5.5", Type F Worm, W/ Liner

1шт.

18

373193A1

BOOT

1шт.

19

1977448C2

WASHER

1шт.

20

224818A3

STEERING WHEEL

1шт.

Standard Cab

1шт.

21

301200A1

STEERING WHEEL

1шт.

Deluxe Cab

1шт.

21

359033A1

STEERING WHEEL

1шт.

Luxury Cab

1шт.

22

896-11016

WASHER,17.5mm ID x 30mm OD x 4mm Thk

1шт.

23

825-11414

NUT,M14 x 1.5, Cl 8

1шт.

24

224819A2

CAP

1шт.

Standard Cab

1шт.

25

361024A3

CAP

1шт.

Luxury Cab

1шт.

Deluxe Cab

1шт.

26

NSS

NOT SOLD SEPARAT

Insert

1шт.

27

311812A1

SPRING

1шт.

28

311748A3

PEDAL

1шт.

29

282892A1

BUSHING,8mm ID x 9.6mm OD x 8mm L

2шт.

30

729-845

CLEVIS PIN,M8 x 45

1шт.

31

733-2012

COTTER PIN,M2 x 12

1шт.

32

829-1508

NUT,M8, Cl 10

1шт.

33

514-633

BOLT,Hex, M8 x 1.25 x 30mm, Cl 8.8, Full Thd

1шт.

34

323657A1

PAD

Foot

1шт.

35

L100096

ISOLATOR

1шт.

36

414-620

BOLT,Hex, 3/8" - 24 x 1-1/4", Gr 5

2шт.

38

360058A1

CONTROL

Transmission, See Figure 05-08

1шт.

Without Self Cancel

1шт.

38

376785A1

CONTROL

Transmission, See Figure 05-08

1шт.

With Self Cancel

1шт.

39

253679A1

RING

Magnetic, Control Assy, Used With 376785A1

1шт.

40

379462A1

BRACKET

Encoder

1шт.

41

60-7128T1

TRANSMITTER

See Figure 05-06 (03)

1шт.

42

375644A1

SENSOR

Pressure

1шт.

37

627-10030

BOLT,Hex, M10 x 1.5 x 30mm, Cl 10.9, Full Thd

4шт.

Выбрано товаров: 52