Запчасти Case IH STX375 (04-35) - MEGA FLOW HYDRAULIC CONTROLS (04) - ELECTRICAL SYSTEMS

Схема запчастей Case IH STX375 - (04-35) - MEGA FLOW HYDRAULIC CONTROLS (04) - ELECTRICAL SYSTEMS
13
2
9
2
15
20
5
19
6
9
16
1
18
3
3
14
22
17
10
12
11
4
8
21
7
14
18
11
4
FIT
1:1
100%

Артикул

Название

Примечание

Количество

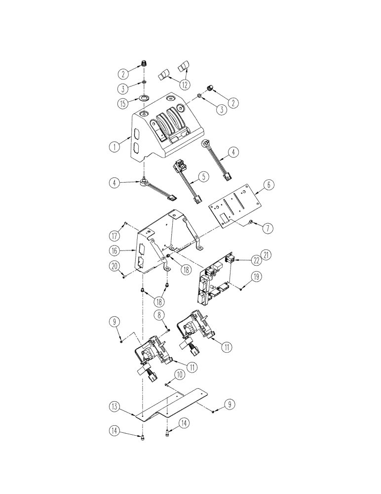
1

442120A2

COVER

1шт.

2

276797A1

KNOB

Flow Control

4шт.

3

444868A1

NUT

3/4

8шт.

4

256305A2

POTENTIOMETER,1000 Ohm

Draft Control

4шт.

5

413148A1

SWITCH

1шт.

6

NSS

NOT SOLD SEPARAT

Plate, Mounting

1шт.

7

444867A1

SCREW,BTN HD, M6 x 1 x 15mm, Cl 10.9

Pan Hd, M6 x 16, CL4.8

4шт.

8

864-4020

HEX SOC SCREW,M4 x 20mm, Cl 8.8

4шт.

9

824-1404

NUT,M4, Cl 5

6шт.

10

864-4010

HEX SOC SCREW,M4 x 10mm, Cl 8.8

2шт.

11

406961A1

LEVER ASSY.

Electrohydraulic

2шт.

47372893R

REMAN-JOYSTICK

STX375, STX425, STX450, STX500 All 4WD TRACTOR (AFTER S/N JEE0099501), Reman for New PN 406961A1

2шт.

47372893C

CORE-JOYSTICK

Return Number

1шт.

12

406962A1

KNOB

2шт.

13

418148A2

COVER

Plate

1шт.

14

565-103

HEX SOC SCREW,M6 x 12mm, Cl 8.8

2шт.

15

438237A1

DECAL

Flow Control

1шт.

16

411981A3

BRACKET

Mounting

1шт.

17

412295A1

SPACER

5шт.

18

404287A1

INSERT,M6

12шт.

19

47112222

SCREW

M4 x 6

5шт.

20

25-HT00012

SCREW

4шт.

21

NSS

NOT SOLD SEPARAT

Software

1шт.

Down Load Software From Service Tool

1шт.

22

412070A1

PRINTED CIRCUIT BOAR

1шт.

Выбрано товаров: 25