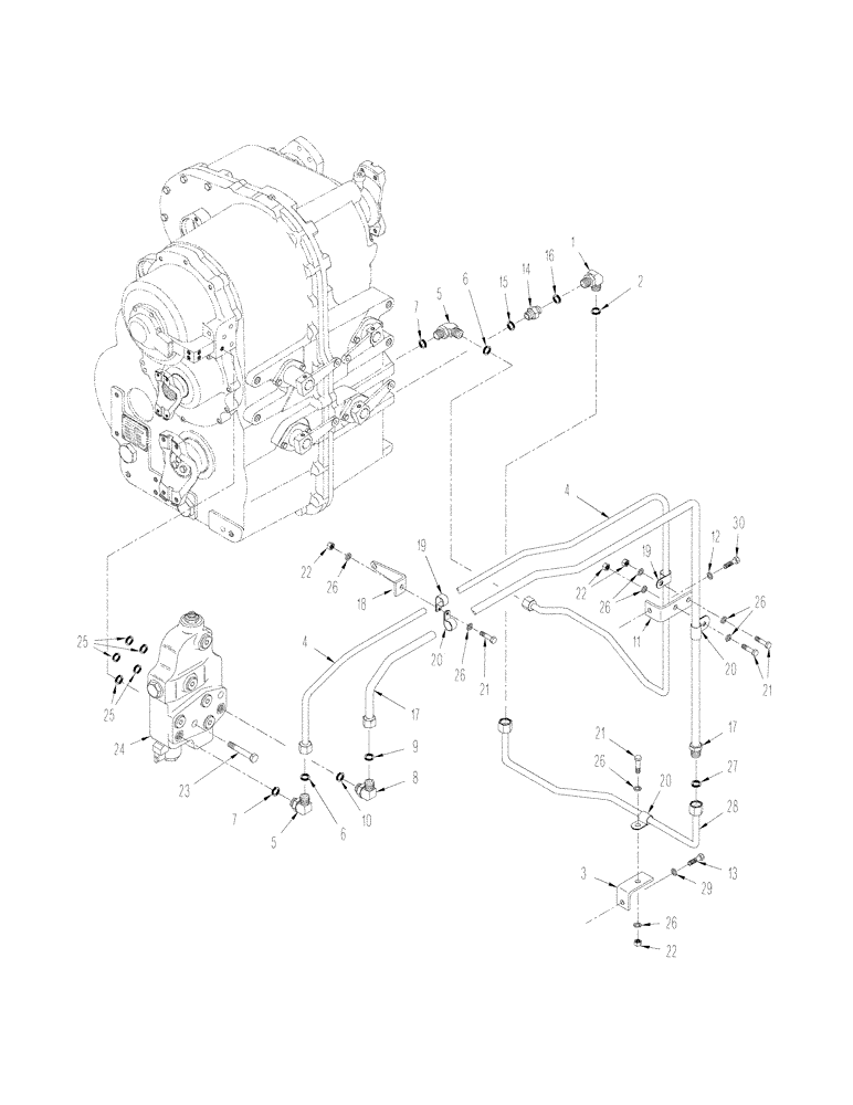
Запчасти Case IH STX375 (06-20) - POWER TAKEOFF - CLUTCH LUBRICATION, WITH MANUAL SHIFT TRANSMISSION (06) - POWER TRAIN

Схема запчастей Case IH STX375 - (06-20) - POWER TAKEOFF - CLUTCH LUBRICATION, WITH MANUAL SHIFT TRANSMISSION (06) - POWER TRAIN
20
8
9
6
22
3
25
26
20
18
12
21
11
28
19
7
17
4
17
26
22
13
14
29
24
22
26
10
23
26
26
7
4
16
27
30
5
2
20
21
19
25
21
1
15
5
26
6
FIT
1:1
100%

Артикул

Название

Примечание

Количество

1

701-320

ELBOW,90 Degree Elbow, 13/16" - 16 Male ORFS x 13/16" - 16 Female ORFS

Incl. 2

1шт.

2

238-6014

O-RING,0.07" Thk x 0.489" ID, -14, Cl 6, 90 Duro

1шт.

3

435901A1

BRACKET

1шт.

4

435596A1

TUBE

1шт.

5

700-304

ELBOW,90 Degree Elbow, 11/16" - 16 Male ORFS x M14 x 1.5 Male ORB

M14 Or x 10 fc sl, Incl. 6, 7

2шт.

6

238-6012

O-RING,0.07" Thk x 0.364" ID, -12, Cl 6, 90 Duro

1шт.

7

637-63113

O-RING,2.2mm Thk x 11.3mm ID, Cl 6

1шт.

8

700-305

ELBOW,90 Degree Elbow, 13/16" - 16 Male ORFS x M18 x 1.5 Male ORB

M18 Or x 12 fc sl, Incl. 9, 10

1шт.

9

238-6014

O-RING,0.07" Thk x 0.489" ID, -14, Cl 6, 90 Duro

1шт.

10

637-63153

O-RING,2.2mm Thk x 15.3mm ID, Cl 6, 90 Duro

1шт.

11

401365A2

BRACKET

1шт.

12

896-11012

WASHER,13.5mm ID x 24mm OD x 3mm Thk

1шт.

13

627-16035

BOLT,Hex, M16 x 2 x 35mm, Cl 10.9, Full Thd

2шт.

14

700-102

HYD CONNECTOR,13/16" - 16 Male ORFS x M18 x 1.5 Male ORB

Incl. 15,16

1шт.

15

637-64236

O-RING,2.9mm Thk x 23.6mm ID, Cl 6, 90 Duro

1шт.

16

238-6014

O-RING,0.07" Thk x 0.489" ID, -14, Cl 6, 90 Duro

1шт.

17

435598A1

TUBE

1шт.

18

401398A1

BRACKET

1шт.

19

515-2295

CLAMP,3/8", Insul, 5/16" Bolt

2шт.

20

515-22127

CLAMP,1/2", Insul, 5/16" Bolt

3шт.

21

627-8030

BOLT,Hex, M8 x 1.25 x 30mm, Cl 10.9, Full Thd

4шт.

22

829-1408

NUT,Hex, M8 x 1.25, Cl 10.9

4шт.

23

827-10070

BOLT,Hex, M10 x 1.5 x 70mm, Cl 10.9

2шт.

24

413944A1

VALVE

Power Takeoff, See Figure 06-52

1шт.

25

238-5112

O-RING,0.103" Thk x 0.487" ID, -112, Cl 5, 75 Duro

5шт.

26

895-11008

WASHER,9mm ID x 16mm OD x 1.6mm Thk

8шт.

27

238-6014

O-RING,0.07" Thk x 0.489" ID, -14, Cl 6, 90 Duro

1шт.

28

435902A1

TUBE

1шт.

29

895-11016

WASHER,17.5mm ID x 30mm OD x 3mm Thk

1шт.

30

627-12030

BOLT,Hex, M12 x 1.75 x 30mm, Cl 10.9, Full Thd

1шт.

Выбрано товаров: 30