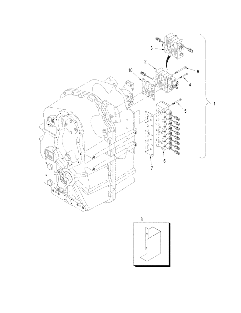
Запчасти Case IH STX375 (06-37) - POWER SHIFT TRANSMISSION - VALVE AND PUMP MOUNTING (06) - POWER TRAIN

Схема запчастей Case IH STX375 - (06-37) - POWER SHIFT TRANSMISSION - VALVE AND PUMP MOUNTING (06) - POWER TRAIN
9
6
3
10
7
4
2
5
1
FIT
1:1
100%

Артикул

Название

Примечание

Количество

1

403066A1

TRANSMISSION

8.5C Yoke, 16 SPD, Serial Range: -JEE0103025

1шт.

1

87627458R

REMAN-TRANSMISSION

TRANSMISSION, 8.5C Yoke, 16 SPD, Serial Range: -JEE0103025

1шт.

1

87627458C

CORE-TRANSMISSION

Return Part Number

1шт.

1

87416588

TRANSMISSION

Closed Loop PS3 - 8.5C

1шт.

1

87416587

TRANSMISSION

Closed Loop PS3 - 8C, Start Serial: JEE0104001

1шт.

1

87627456R

REMAN-TRANSMISSION

Closed Loop PS3, Start Serial: JEE0104001

1шт.

Does Not Come W/ Yokes, Please Retain From Old Transmission

1шт.

Used For PS3 - 8C and 8.5C Transmission

1шт.

1

87627456C

CORE-TRANSMISSION

Return Part Number

1шт.

2

385957A1

VALVE

Regulator, See Figure 06-49, Serial Range: -JEE0104001

1шт.

3

87431403

VALVE

Regulator, See Figure 06-49 (01), Start Serial: JEE0104001

1шт.

3

87431403R

REMAN-HYD VALVE

Regulator

1шт.

3

87431403C

CORE-VALVE HYD

Return Part Number

1шт.

4

614-8080

BOLT,Hex, M8 x 1.25 x 80mm, Cl 8.8, Full Thd

3шт.

5

514-729

BOLT,Hex, M10 x 1.25 x 90mm, Cl 8.8

10шт.

6

370550A1

VALVE

Range Selector, See Figure 06-50

1шт.

7

390633A1

GASKET

1шт.

8

408591A1

COVER

Solenoid

1шт.

9

514-739

BOLT,Hex, M10 x 1.25 x 120mm, Cl 8.8

5шт.

10

87431416

GASKET

1шт.

398441A1

GASKET KIT

Short Gasket Overhaul, Inc. 1, 7, See Figure 06-38, 06-49, 06-50, Serial Range: -JEE0104001

1шт.

87432749

GASKET KIT

Short Overhaul, Inc. 1, 7, See Figure 06-28, 06-49, 06-50, Start Serial: JEE0104001

1шт.

87432750

GASKET KIT

Transmission Repair, Inc. 1, 7, See Figure 06-38 - 06-50

1шт.

Выбрано товаров: 23