Запчасти Case IH STX375 (06-58) - POWER TAKEOFF - LUBRICATION, WHEEL TRACTOR WITH 500 SERIES AXLES, BSN JEE0102001 (06) - POWER TRAIN

Схема запчастей Case IH STX375 - (06-58) - POWER TAKEOFF - LUBRICATION, WHEEL TRACTOR WITH 500 SERIES AXLES, BSN JEE0102001 (06) - POWER TRAIN
3
11
4
10
19
8
18
22
16
1
21
23
12
24
14
20
6
2
21
9
17
13
19
19
20
5
15
7
FIT
1:1
100%

Артикул

Название

Примечание

Количество

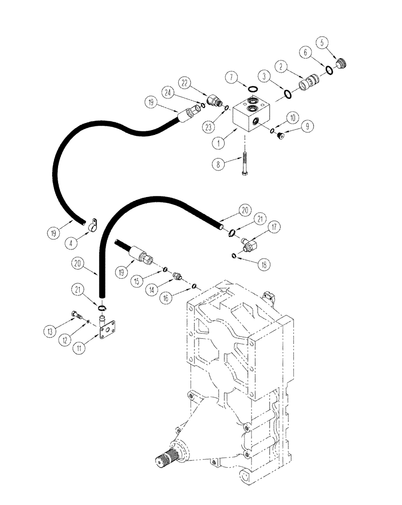
1

370157A1

BODY

Jet Pump

1шт.

2

347294A3

PUMP

Jet

1шт.

3

238-6017

O-RING,0.07" Thk x 0.676" ID, -17, Cl 6, 90 Duro

1шт.

4

515-25190

CLAMP,3/4", Insul, 1/2" Bolt

1шт.

5

221580A1

PLUG,M27 x 2 ORB

Incl. 6

1шт.

6

637-64236

O-RING,2.9mm Thk x 23.6mm ID, Cl 6, 90 Duro

1шт.

7

638-53300

O-RING,2.65mm Thk x 30mm ID, Cl 5, 75 Duro

2шт.

8

827-10080

BOLT,Hex, M10 x 1.5 x 80mm, Cl 10.9

2шт.

9

221578A1

PLUG,M18 x 1.5 ORB

Incl. 10

1шт.

10

637-63153

O-RING,2.2mm Thk x 15.3mm ID, Cl 6, 90 Duro

1шт.

11

416087A1

TUBE

1шт.

12

895-11010

WASHER,11mm ID x 20mm OD x 2mm Thk

4шт.

13

627-10025

BOLT,Hex, M10 x 1.5 x 25mm, Cl 10.9, Full Thd

4шт.

14

700-102

HYD CONNECTOR,13/16" - 16 Male ORFS x M18 x 1.5 Male ORB

Incl. 15, 16

1шт.

15

238-6014

O-RING,0.07" Thk x 0.489" ID, -14, Cl 6, 90 Duro

1шт.

16

637-63153

O-RING,2.2mm Thk x 15.3mm ID, Cl 6, 90 Duro

1шт.

17

370246A1

ELBOW

M33 orb x 2,0, Incl. 18

1шт.

18

637-64296

O-RING,2.9mm Thk x 29.6mm ID, Cl 6, 90 Duro

1шт.

19

360198A2

HOSE,1720.00 mm

1шт.

20

31-3168

HOSE,1.00" ID x 45.00"

1430 mm (45 in), Cut From 31-2755

1шт.

21

214-1420

HOSE CLAMP,#20, 0.81" - 1.75", Type F Worm

2шт.

22

700-348

ELBOW,45 Degree Elbow, 13/16" - 16 Male ORFS x M18 x 1.5 Male ORB

Incl. 23, 24

1шт.

23

637-63153

O-RING,2.2mm Thk x 15.3mm ID, Cl 6, 90 Duro

1шт.

24

238-6014

O-RING,0.07" Thk x 0.489" ID, -14, Cl 6, 90 Duro

1шт.

Выбрано товаров: 0