Запчасти Case IH STX375 (08-16) - LINKAGE - MANUAL HYDRAULIC REMOTES, BSN JEE0102592 (08) - HYDRAULICS

Схема запчастей Case IH STX375 - (08-16) - LINKAGE - MANUAL HYDRAULIC REMOTES, BSN JEE0102592 (08) - HYDRAULICS
7
10
16
6
12
20
5
19
14
21
18
11
4
9
6
13
13
9
3
2
13
9
9
5
1
13
11
19
8
9
6
15
6
17
FIT
1:1
100%

Артикул

Название

Примечание

Количество

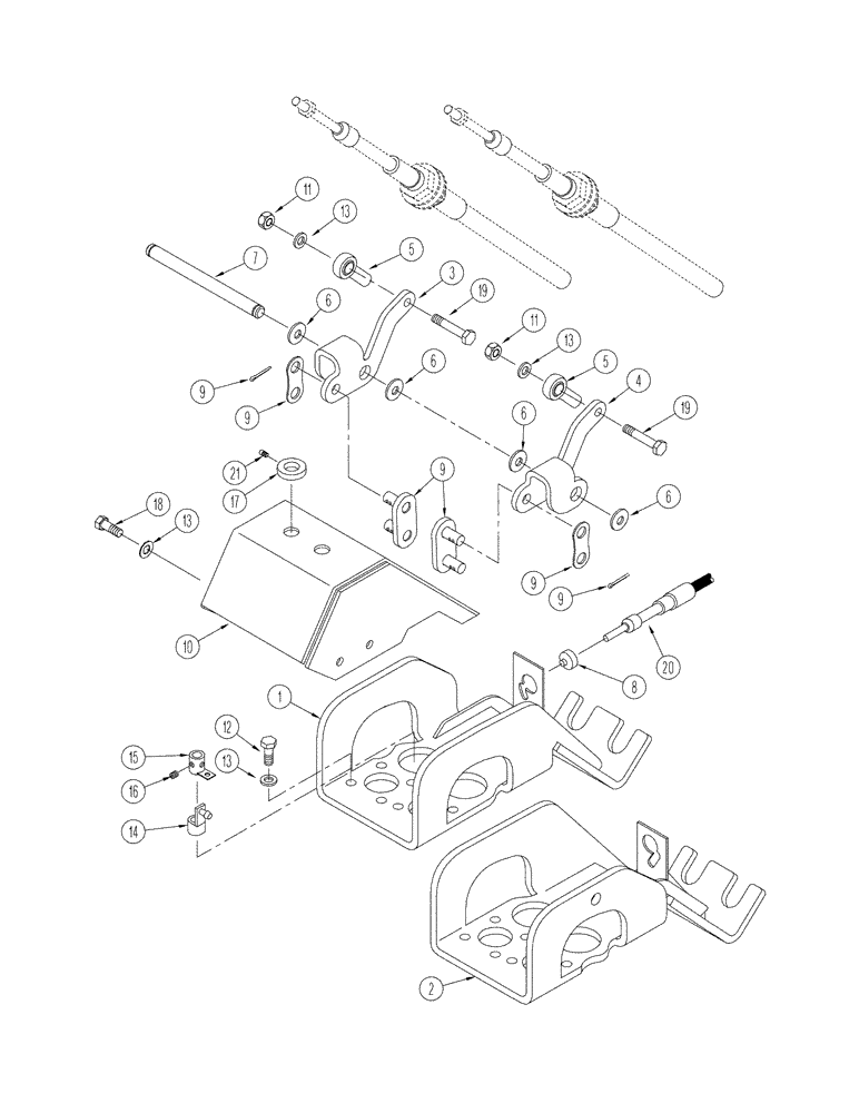
1

359789A1

SUPPORT ASSY.

Right-Hand

1шт.

2

359783A1

SUPPORT ASSY.

Left-Hand

1шт.

3

367538A1

ARM ASSY.

Left-Hand

2шт.

4

367545A1

ARM ASSY.

Right-Hand

2шт.

5

L53928

BALL JOINT

4шт.

6

895-18010

WASHER,10.5mm ID x 18mm OD x 1.6mm Thk

8шт.

7

359804A1

PIN,9.53mm OD x 105.6mm L

2шт.

8

A67295

PLUG

4шт.

9

349340A1

LINK

4шт.

10

417564A1

SHIELD

2шт.

11

829-1406

NUT,Hex, M6 x 1, Cl 10.9

M6; 10.9

4шт.

12

614-6016

BOLT,Hex, M6 x 1 x 16mm, Cl 8.8, Full Thd

8шт.

13

895-11006

WASHER,6.6mm ID x 12mm OD x 1.6mm Thk

20шт.

14

359791A1

COLLAR

With Flow Control

1шт.

15

60-2404T1

RETAINER

1шт.

16

878-1046

SET SCREW,Hex Skt, M4 x 6mm, Cup Pt

1шт.

17

1340223C1

KNOB

Flow Control

3шт.

18

614-6012

BOLT,Hex, M6 x 1 x 12mm, Cl 8.8, Full Thd

8шт.

19

627-6025

BOLT,Hex, M6 x 1 x 25mm, Cl 10.9, Full Thd

4шт.

20

363508A1

CABLE

Flow Control

1шт.

21

484-21010

SET SCREW,Hex Soc, #10-32 x 5/8"

3шт.

Выбрано товаров: 21