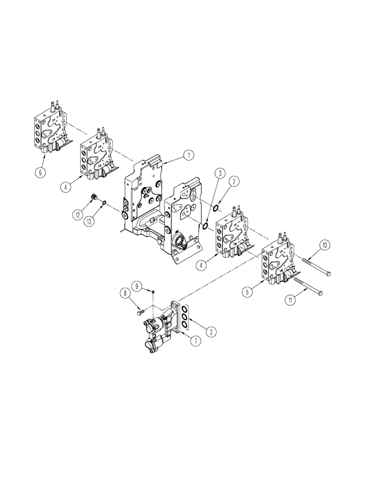
Запчасти Case IH STX375 (08-31) - REMOTE VALVE ASSEMBLY - MANUAL REMOTE, BSN JEE0102592 (08) - HYDRAULICS

Схема запчастей Case IH STX375 - (08-31) - REMOTE VALVE ASSEMBLY - MANUAL REMOTE, BSN JEE0102592 (08) - HYDRAULICS
12
1
8
9
10
2
5
4
11
3
2
13
4
6
7
FIT
1:1
100%

Артикул

Название

Примечание

Количество

407259A1

VALVE

Four Stack, Inc. 1 - 16

1шт.

1

404434A1

VALVE

Manifold, See Figure 08-30

1шт.

2

238-6117

O-RING,0.103" Thk x 0.799" ID, -117, Cl 6, 90 Duro

24шт.

3

238-6112

O-RING,0.103" Thk x 0.487" ID, -112, Cl 6, 90 Duro

8шт.

4

310788A1

VALVE

Main, See Figure 08-34

2шт.

5

311134A1

VALVE

Auxiliary, Right-Hand, See Figure 08-34

1шт.

6

311137A1

VALVE

Auxiliary, Left-Hand, See Figure 08-34

1шт.

7

435375A1

VALVE

See Figure 08-33

4шт.

8

628-10025

BOLT,Hex, M10 x 1.5 x 25mm, Cl 10.9, Full Thd

16шт.

9

86637724

PLUG,1/8" - 27 NPT

4шт.

10

828-12110

BOLT,Hex, M12 x 1.75 x 110mm, Cl 10.9

4шт.

11

828-10110

BOLT,Hex, M10 x 1.5 x 110mm, Cl 10.9

2шт.

12

221576A1

PLUG,Hex Soc, M14 x 1.5, ORB

Incl. 13

1шт.

13

637-63113

O-RING,2.2mm Thk x 11.3mm ID, Cl 6

1шт.

Выбрано товаров: 14