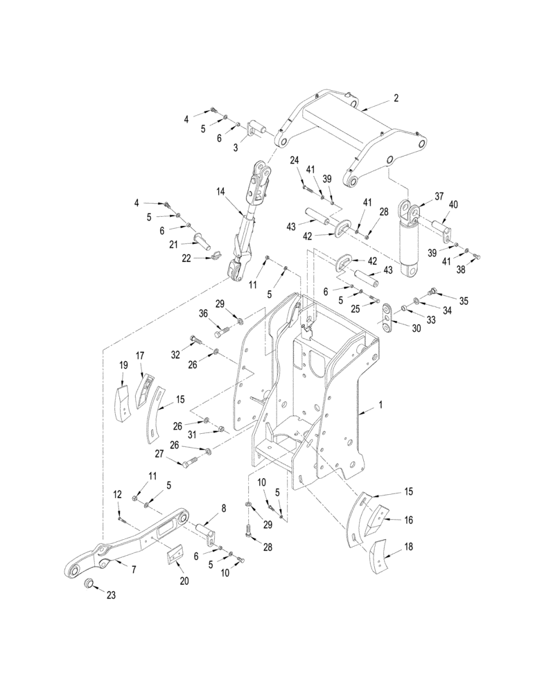
Запчасти Case IH STX375 (09-01) - THREE POINT HITCH (09) - CHASSIS

Схема запчастей Case IH STX375 - (09-01) - THREE POINT HITCH (09) - CHASSIS
15
37
30
43
4
15
31
16
41
5
38
21
39
6
29
11
41
34
10
5
18
26
11
14
5
10
12
23
6
17
27
28
25
35
36
42
19
39
24
6
8
26
41
5
40
2
3
4
5
22
28
6
7
1
33
5
20
32
26
29
43
5
42
FIT
1:1
100%

Артикул

Название

Примечание

Количество

1

403741A1

MOUNTING PARTS

1шт.

2

403743A1

ROCKSHAFT

See Figure 09-02

1шт.

3

70-6013T2

PIN

2шт.

4

627-16035

BOLT,Hex, M16 x 2 x 35mm, Cl 10.9, Full Thd

6шт.

5

896-11016

WASHER,17.5mm ID x 30mm OD x 4mm Thk

28шт.

6

70-5967T1

SPACER,16.7mm ID x 22.2mm OD x 11.2mm

14шт.

7

403717A1

ARM

Draft

2шт.

8

347641A1

PIN

RH

1шт.

9

348061A1

PIN

LH, Not Illustrated

1шт.

10

627-16060

BOLT,Hex, M16 x 2 x 60mm, Cl 10.9, Full Thd

10шт.

11

829-1416

NUT,M16, Cl 10

6шт.

12

827-12065

BOLT,Hex, M12 x 1.75 x 65mm, Cl 10.9

4шт.

13

NSS

NOT SOLD SEPARAT

Link Assy, Lift, Right-Hand, Not Illustrated, See Figure 09-06

1шт.

14

NSS

NOT SOLD SEPARAT

Link Assy, Lift, Left-Hand, See Figure 09-06

1шт.

15

403735A1

PLATE

2шт.

16

403744A1

BLOCK ASSY.

1шт.

17

403745A1

BLOCK ASSY.

1шт.

18

403746A1

BLOCK ASSY.

1шт.

19

403747A1

BLOCK ASSY.

1шт.

20

403748A1

BLOCK ASSY.

2шт.

21

322096A1

PIN,31.85mm OD x 132mm L

2шт.

22

A30338

PIN

2шт.

23

275912A1

BALL,51.31mm ID x 82.35mm OD

4шт.

24

827-16060

BOLT,Hex, M16 x 2 x 60mm, Cl 10.9

2шт.

25

827-16080

BOLT,Hex, M16 x 2 x 80mm, Cl 10.9

2шт.

26

896-11024

WASHER,26mm ID x 44mm OD x 5mm Thk

(26 ID x 44 x 5 mm)

28шт.

27

827-24110

BOLT,Hex, M24 x 3 x 110mm, Cl 10.9

4шт.

28

829-1416

NUT,M16, Cl 10

2шт.

29

896-11020

WASHER,22mm ID x 37mm OD x 4mm Thk

22 x 37 x 4 mm

6шт.

30

259389A1

PLATE

2шт.

31

829-1424

NUT,M24, Cl 10

12шт.

32

627-24060

BOLT,Hex, M24 x 3 x 60mm, Cl 10.9, Full Thd

12шт.

33

70-5967T1

SPACER,16.7mm ID x 22.2mm OD x 11.2mm

2шт.

34

896-11016

WASHER,17.5mm ID x 30mm OD x 4mm Thk

2шт.

35

627-16025

BOLT,Hex, M16 x 2 x 25mm, Cl 10.9, Full Thd

2шт.

36

627-20050

BOLT,Hex, M20 x 2.5 x 50mm, Cl 10.9, Full Thd

4шт.

37

403206A1

CYLINDER ASSY.

Lift, See Figure 08-42

2шт.

38

627-16035

BOLT,Hex, M16 x 2 x 35mm, Cl 10.9, Full Thd

2шт.

39

70-5967T1

SPACER,16.7mm ID x 22.2mm OD x 11.2mm

4шт.

40

70-5973T2

PIN

2шт.

41

896-11016

WASHER,17.5mm ID x 30mm OD x 4mm Thk

6шт.

42

403204A1

PLATE

2шт.

43

321188A2

PIN,50.9mm OD x 215mm L

2шт.

Выбрано товаров: 43