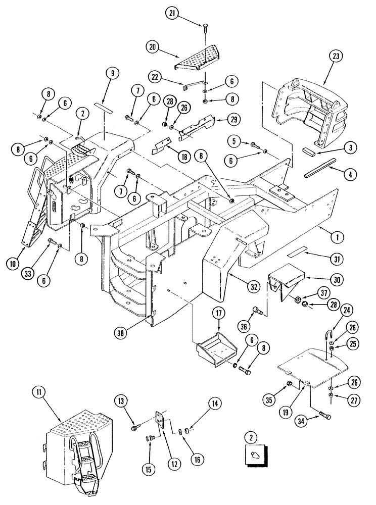
Запчасти Case IH STX375 (09-31) - FRONT FRAME, WHEEL TRACTOR (09) - CHASSIS

Схема запчастей Case IH STX375 - (09-31) - FRONT FRAME, WHEEL TRACTOR (09) - CHASSIS
6
30
1
6
18
8
4
28
6
7
32
20
26
24
15
23
6
13
14
21
25
6
8
10
38
28
33
35
36
17
6
37
19
8
26
31
8
2
22
27
8
26
6
11
6
29
9
16
12
5
7
8
2
3
34
FIT
1:1
100%

Артикул

Название

Примечание

Количество

1

426080A2

FRAME

, Serial Range: -JEE0104001

1шт.

1

87416213

FRAME ASSY

, Start Serial: JEE0104001

1шт.

2

363226A1

BUMPER

2шт.

3

396412A1

RUBBER STRIP

2шт.

4

328197A1

SEAL

2шт.

5

627-12040

BOLT,Hex, M12 x 1.75 x 40mm, Cl 10.9, Full Thd

9шт.

6

896-11012

WASHER,13.5mm ID x 24mm OD x 3mm Thk

42шт.

7

627-12035

BOLT,Hex, M12 x 1.75 x 35mm, Cl 10.9, Full Thd

12шт.

8

829-1412

NUT,M12, Cl 10.9

23шт.

9

1-6835

ADHESIVE STRIP

406 mm (16 in), Anti-Skid, Cut From 21-211

4шт.

10

NSS

NOT SOLD SEPARAT

Tank Assy, See Figure 08-11

1шт.

11

NSS

NOT SOLD SEPARAT

Door Assy, Right-Hand, See Figure 09-32

1шт.

12

336001A3

BRACKET

Striker, Right-Hand

1шт.

13

905-10025

BOLT,Hex Flg, M10 x 25mm

2шт.

14

429-107

NUT,7/16"-14, G8

1шт.

15

328534A1

BOLT

Striker

1шт.

16

496-11047

WASHER

11 x 20 x 2,0 mm

1шт.

17

419848A1

TRAY

Battery

1шт.

17

87407446

BATTERY TRAY

1шт.

STX500

1шт.

18

418979A1

PANEL

1шт.

19

406346A1

COVER

1шт.

20

427244A1

STEP

1шт.

21

811-12025

CARRIAGE BOLT,Sht Sq Nk, M12 x 1.75 x 25mm, Cl 8.8

1шт.

22

426892A1

GUSSET

1шт.

23

430739A1

BUMPER

See Figure 09-35

1шт.

24

19-154

U-BOLT,5/16"-18 x 1 3/4" x 3

1шт.

25

425-145

JAM NUT,Jam, 5/16"-18, G5

2шт.

26

895-11008

WASHER,9mm ID x 16mm OD x 1.6mm Thk

8шт.

27

231-1445

NUT,5/16"-18, GB

2шт.

28

829-1408

NUT,Hex, M8 x 1.25, Cl 10.9

8шт.

29

419631A1

PANEL

Harness Mounting

1шт.

30

426084A1

STEP

With Fender

1шт.

31

D55216

PAD,2" x 9"

2 x 9 in

2шт.

32

418959A1

FENDER

Right-Hand, Serial Range: -JEE0104001

1шт.

32

87428750

FENDER

Right-Hand, Start Serial: JEE0104001

1шт.

33

627-12045

BOLT,Hex, M12 x 1.75 x 45mm, Cl 10.9, Full Thd

1шт.

34

827-12120

BOLT,Hex, M12 x 1.75 x 120mm, Cl 10.9

1шт.

35

832-10412

NUT,M12 x 1.75, Cl 8

1шт.

36

627-8025

BOLT,Hex, M8 x 1.25 x 25mm, Cl 10.9, Full Thd

4шт.

37

895-11008

WASHER,9mm ID x 16mm OD x 1.6mm Thk

12шт.

38

448719A1

HINGE

Battery Door

2шт.

Выбрано товаров: 42