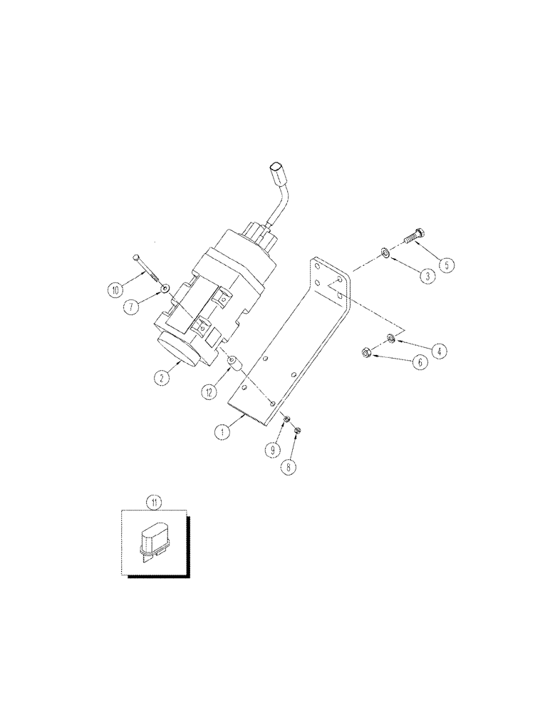
Запчасти Case IH STX375 (04-09[01]) - GROUND SPEED SENSOR (DICKEY-JOHN) (04) - ELECTRICAL SYSTEMS

Схема запчастей Case IH STX375 - (04-09[01]) - GROUND SPEED SENSOR (DICKEY-JOHN) (04) - ELECTRICAL SYSTEMS
3
2
7
12
1
10
6
8
4
9
11
5
FIT
1:1
100%

Артикул

Название

Примечание

Количество

334233A1

KIT

Ground Speed, Inc. 1 - 12

1шт.

1

414936A1

BRACKET

1шт.

2

228760A1

RADAR

Ground Speed

1шт.

3

895-11010

WASHER,11mm ID x 20mm OD x 2mm Thk

4шт.

4

892-11010

LOCK WASHER,M10

4шт.

5

627-10035

BOLT,Hex, M10 x 1.5 x 35mm, Cl 10.9, Full Thd

4шт.

6

829-1410

NUT,M10 x 1.5, Cl 10.9

4шт.

7

895-25006

WASHER,6.6mm ID x 18mm OD x 1.6mm Thk

4шт.

8

829-1406

NUT,Hex, M6 x 1, Cl 10.9

M6; 10.9

4шт.

9

892-11006

LOCK WASHER,M6

4шт.

10

827-6100

BOLT,Hex, M6 x 100mm, Cl 10.9

4шт.

11

121412A1

FUSE,10A, Mini, Red

1шт.

12

414937A1

SPACER

4шт.

Выбрано товаров: 13