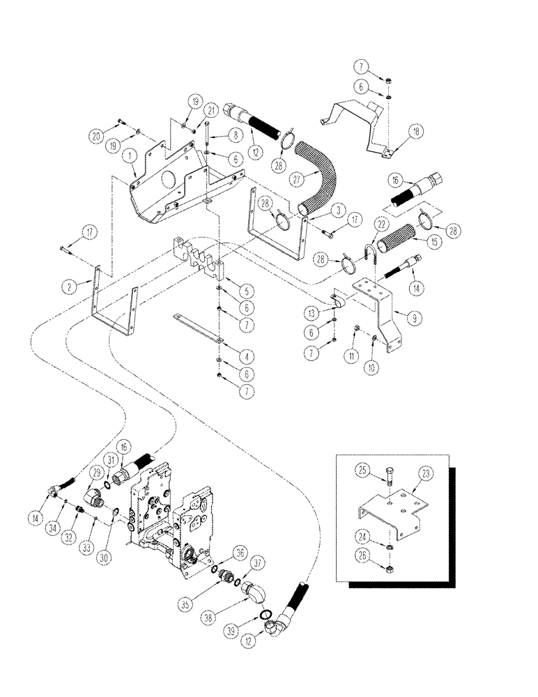
Запчасти Case IH STX375 (08-27) - HYDRAULIC REMOTE HOSES MANUAL REMOTE (08) - HYDRAULICS

Схема запчастей Case IH STX375 - (08-27) - HYDRAULIC REMOTE HOSES MANUAL REMOTE (08) - HYDRAULICS
37
8
6
32
23
16
35
39
27
7
6
10
38
6
7
30
36
13
28
3
16
5
26
24
19
12
17
25
7
19
14
34
7
11
15
28
1
29
20
33
4
14
9
6
18
6
31
2
28
21
22
28
17
12
FIT
1:1
100%

Артикул

Название

Примечание

Количество

1

363741A2

BRACKET

hose

1шт.

2

349981A1

BRACKET

1шт.

3

349980A1

BRACKET

1шт.

4

363768A1

PLATE

1шт.

5

362419A1

CLAMP

1шт.

6

895-11008

WASHER,9mm ID x 16mm OD x 1.6mm Thk

14шт.

7

829-1408

NUT,Hex, M8 x 1.25, Cl 10.9

12шт.

8

627-8100

BOLT,Hex, M8 x 1.25 x 100mm, Cl 10.9, Full Thd

2шт.

9

352039A3

BRACKET

1шт.

11

829-1410

NUT,M10 x 1.5, Cl 10.9

2шт.

12

360134A2

HOSE ASSY.,25.4mm ID x 3238mm L

3238 mm (127 in.)

1шт.

13

515-23254

CLAMP,1", Insul, 3/8" Bolt

1шт.

14

335043A3

HOSE ASSY.

4191 mm (165 in.)

1шт.

15

S120426

TUBE

1шт.

16

360135A3

HOSE ASSY.

4153 mm (163-1/2 in.)

1шт.

17

614-8025

BOLT,Hex, M8 x 1.25 x 25mm, Cl 8.8, Full Thd

5шт.

18

370176A3

SHIELD

1шт.

19

895-11012

WASHER,13.5mm ID x 24mm OD x 2.5mm Thk

12шт.

20

614-12030

BOLT,Hex, M12 x 1.75 x 30mm, Cl 8.8, Full Thd

8шт.

21

829-1412

NUT,M12, Cl 10.9

4шт.

22

352892A1

U-BOLT

BOLT "U"

2шт.

23

50-3429T1

SUPPORT

without power takeoff

1шт.

24

896-11016

WASHER,17.5mm ID x 30mm OD x 4mm Thk

4шт.

25

614-16100

BOLT,Hex, M16 x 2 x 100mm, Cl 8.8, Full Thd

4шт.

26

829-1416

NUT,M16, Cl 10

4шт.

27

334783A1

SLEEVE

610 mm (24 in.)

1шт.

28

L18331

CABLE TIE,375.9mm L, Nylon, Black

CABLE STRAP

4шт.

29

700-308

ELBOW,90 Degree Elbow, 1-7/16" - 12 Male ORFS x M33 x 2 Male ORB

Incl. Ref. 30 and 31

1шт.

30

637-64296

O-RING,2.9mm Thk x 29.6mm ID, Cl 6, 90 Duro

1шт.

32

700-165

HYD CONNECTOR,11/16" - 16 Male ORFS x M12 x 1.5 Male ORB

Includes: Ref. 33 and 34

1шт.

33

637-63093

O-RING,2.2mm Thk x 9.3mm ID, Cl 6, 90 Duro

1шт.

34

238-6012

O-RING,0.07" Thk x 0.364" ID, -12, Cl 6, 90 Duro

1шт.

35

700-105

HYD CONNECTOR,1-7/16" - 12 Male ORFS x M33 x 2 Male ORB

1-7/16 fc sl x 33 or, Includes: Ref. 36 and 37

1шт.

36

637-64296

O-RING,2.9mm Thk x 29.6mm ID, Cl 6, 90 Duro

1шт.

38

311834A1

ELBOW

1-7/16 fc sl x swl, Inlcudes: Ref. 39

1шт.

31

238-6021

O-RING,15/16 X 1 - 1/16, Cl 6

1шт.

37

238-6021

O-RING,15/16 X 1 - 1/16, Cl 6

1шт.

39

238-6021

O-RING,15/16 X 1 - 1/16, Cl 6

1шт.

10

895-11010

WASHER,11mm ID x 20mm OD x 2mm Thk

2шт.

Выбрано товаров: 39