Запчасти Case IH STX375 (09-30) - FRONT FRAME STX 375, STX 440 (09) - CHASSIS/ATTACHMENTS

Схема запчастей Case IH STX375 - (09-30) - FRONT FRAME STX 375, STX 440 (09) - CHASSIS/ATTACHMENTS
25
5
3
8
16
20
10
26
4
17
32
8
7
8
28
30
13
8
12
6
6
7
26
19
6
31
6
1
9
6
6
26
11
18
8
21
14
6
29
23
27
5
24
15
22
2
2
FIT
1:1
100%

Артикул

Название

Примечание

Количество

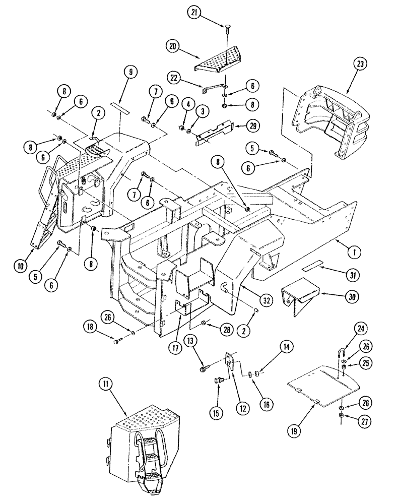
1

292747A3

FRAME

1шт.

2

363226A1

BUMPER

2шт.

4

829-1410

NUT,M10 x 1.5, Cl 10.9

3шт.

5

627-12040

BOLT,Hex, M12 x 1.75 x 40mm, Cl 10.9, Full Thd

9шт.

6

896-11012

WASHER,13.5mm ID x 24mm OD x 3mm Thk

17шт.

7

627-12035

BOLT,Hex, M12 x 1.75 x 35mm, Cl 10.9, Full Thd

5шт.

8

829-1412

NUT,M12, Cl 10.9

8шт.

9

1-6835

ADHESIVE STRIP

anti-skid, 406 mm (16 in.), cut from 21-211

4шт.

10

NSS

NOT SOLD SEPARAT

TANK ASSY, see Page(s) 8-65

1шт.

11

NSS

NOT SOLD SEPARAT

DOOR ASSY right-hand, see Page(s) 9-79

1шт.

12

336001A2

PANEL

striker, right-hand

1шт.

13

905-10025

BOLT,Hex Flg, M10 x 25mm

2шт.

14

429-107

NUT,7/16"-14, G8

1шт.

15

328534A1

BOLT

1шт.

16

496-11047

WASHER

11 x 20 x 2.0 mm

1шт.

17

367815A2

TRAY

battery

1шт.

18

811-8020

CARRIAGE BOLT,Sht Sq Nk, M8 x 1.25 x 20mm, Cl 8.8

4шт.

19

389358A1

COVER

1шт.

20

315329A2

STEP

1шт.

21

811-12025

CARRIAGE BOLT,Sht Sq Nk, M12 x 1.75 x 25mm, Cl 8.8

1шт.

22

315331A2

GUSSET

1шт.

23

323608A3

BUMPER

see Figure 09-33

1шт.

24

19-154

U-BOLT,5/16"-18 x 1 3/4" x 3

1шт.

25

425-145

JAM NUT,Jam, 5/16"-18, G5

2шт.

26

895-11008

WASHER,9mm ID x 16mm OD x 1.6mm Thk

8шт.

27

231-1445

NUT,5/16"-18, GB

2шт.

28

829-1408

NUT,Hex, M8 x 1.25, Cl 10.9

8шт.

29

365032A4

PANEL

harness mounting

1шт.

30

396046A1

STEP

with fender

1шт.

31

D55216

PAD,2" x 9"

2 x 9 in

2шт.

32

400941A1

FRAME

right-hand

1шт.

3

895-11010

WASHER,11mm ID x 20mm OD x 2mm Thk

3шт.

Выбрано товаров: 32