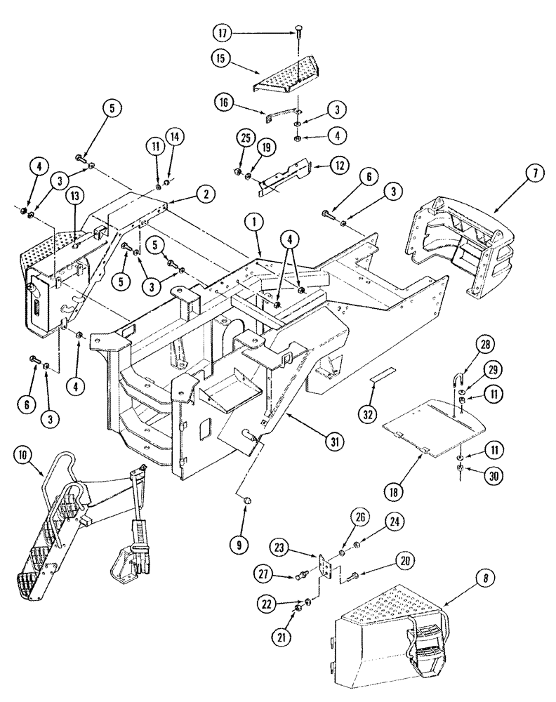
Запчасти Case IH STX375 (09-32) - FRONT FRAME QUADTRAC TRACTOR (09) - CHASSIS/ATTACHMENTS

Схема запчастей Case IH STX375 - (09-32) - FRONT FRAME QUADTRAC TRACTOR (09) - CHASSIS/ATTACHMENTS
20
17
14
11
7
3
3
5
11
30
12
6
3
29
22
1
4
6
15
5
19
11
2
25
28
4
32
8
21
26
18
23
27
3
3
24
31
9
10
4
16
13
5
4
FIT
1:1
100%

Артикул

Название

Примечание

Количество

1

292751A2

FRAME

1шт.

2

NSS

NOT SOLD SEPARAT

TANK ASSY, see Page(s) 8-63

1шт.

3

896-11012

WASHER,13.5mm ID x 24mm OD x 3mm Thk

22шт.

4

829-1412

NUT,M12, Cl 10.9

12шт.

5

627-12035

BOLT,Hex, M12 x 1.75 x 35mm, Cl 10.9, Full Thd

10шт.

6

627-12040

BOLT,Hex, M12 x 1.75 x 40mm, Cl 10.9, Full Thd

9шт.

7

323608A3

BUMPER

see Figure 09-33

1шт.

8

333987A1

DOOR ASSY.

see Figure 09-34

1шт.

9

363226A1

BUMPER

rubber

1шт.

10

336017A2

pivot, left-hand, see Figure 09-35

1шт.

11

895-11008

WASHER,9mm ID x 16mm OD x 1.6mm Thk

5шт.

12

365032A2

PLATE

1/4 x 1/2

1шт.

13

N7673

BUMPER

1шт.

14

425-105

NUT,5/16"-18, G5

1шт.

15

315329A2

STEP

1шт.

16

315331A2

GUSSET

1шт.

17

811-12025

CARRIAGE BOLT,Sht Sq Nk, M12 x 1.75 x 25mm, Cl 8.8

1шт.

18

406346A1

COVER

1шт.

20

811-8020

CARRIAGE BOLT,Sht Sq Nk, M8 x 1.25 x 20mm, Cl 8.8

2шт.

21

832-10408

NUT,M8 x 1.25, Cl 8.8

2шт.

23

336001A2

PANEL

1шт.

24

429-107

NUT,7/16"-14, G8

1шт.

25

829-1410

NUT,M10 x 1.5, Cl 10.9

3шт.

26

496-11047

WASHER

11 x 20 x 2.0 mm

1шт.

27

328534A1

BOLT

1шт.

28

19-154

U-BOLT,5/16"-18 x 1 3/4" x 3

1шт.

29

425-145

JAM NUT,Jam, 5/16"-18, G5

2шт.

30

231-1445

NUT,5/16"-18, GB

2шт.

31

400799A1

FENDER

right-hand

1шт.

32

1-6835

ADHESIVE STRIP

anti-skid, 406 mm (16 in.)

6шт.

22

895-15008

WASHER,9mm ID x 20mm OD x 1.6mm Thk

2шт.

19

895-11010

WASHER,11mm ID x 20mm OD x 2mm Thk

3шт.

Выбрано товаров: 32