Запчасти Case IH STX375 (09-35) - STEPS QUADTRAC TRACTOR (09) - CHASSIS/ATTACHMENTS

Схема запчастей Case IH STX375 - (09-35) - STEPS QUADTRAC TRACTOR (09) - CHASSIS/ATTACHMENTS
3
9
14
18
16
25
4
24
6
8
23
11
17
21
20
1
19
19
26
12
22
7
7
5
15
10
2
13
11
FIT
1:1
100%

Артикул

Название

Примечание

Количество

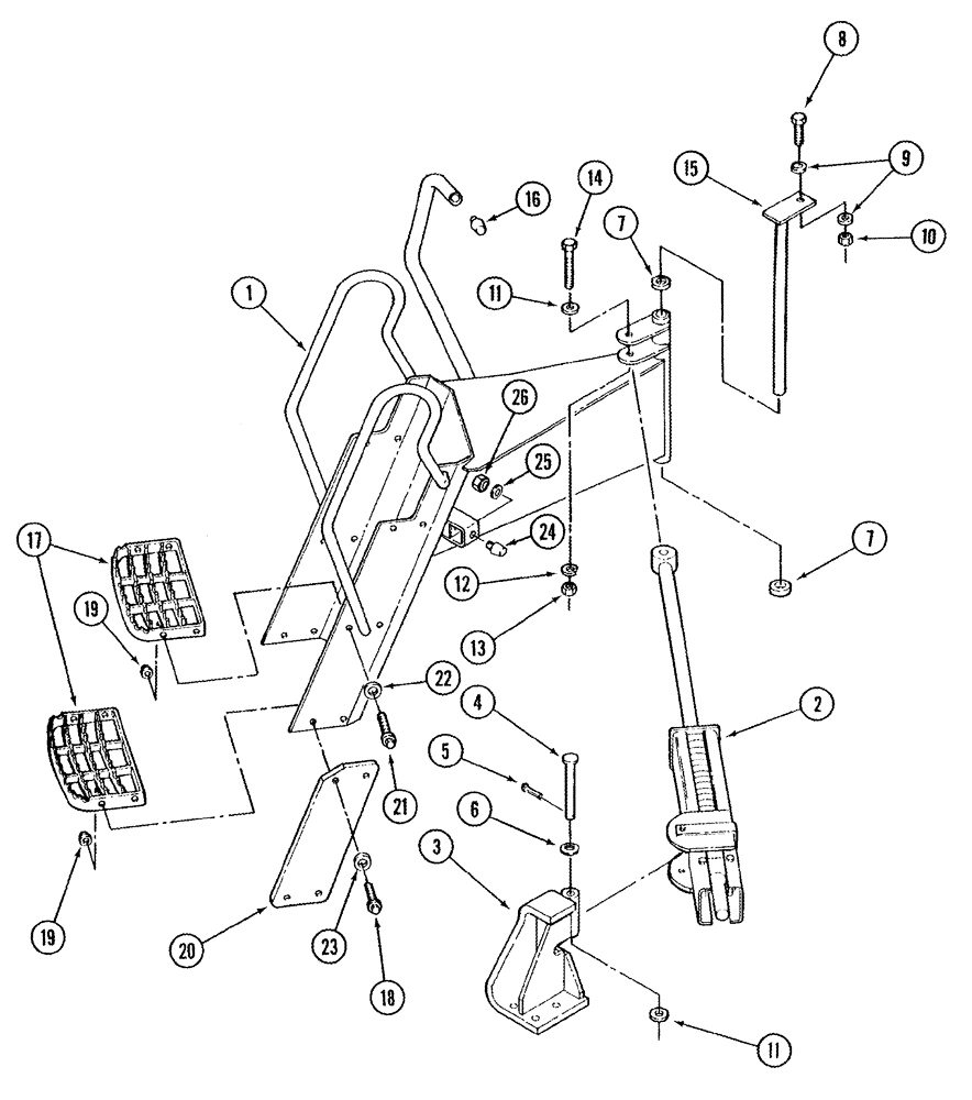
336017A2

left-hand, consists of: Ref. 1 - 21

1шт.

1

334660A3

STEP

1шт.

2

NSS

NOT SOLD SEPARAT

ARM ASSY push, left-hand, see Page(s) 9-89

1шт.

3

336849A2

CLEVIS

1шт.

4

337099A3

PIN

1шт.

5

733-3232

COTTER PIN,M3.2 x 32

1шт.

6

896-16018

WASHER,19.8mm ID x 41.5mm OD x 5mm Thk

20 x 41 x 5 mm

1шт.

7

308473A2

BUSHING,25.42mm ID x 35mm OD x 44.45mm L

1 x 1-3/8 x 1-3/4

2шт.

8

828-12055

BOLT,Hex, M12 x 1.75 x 55mm, Cl 10.9

1шт.

9

896-11012

WASHER,13.5mm ID x 24mm OD x 3mm Thk

2шт.

10

832-10412

NUT,M12 x 1.75, Cl 8

1шт.

11

896-11016

WASHER,17.5mm ID x 30mm OD x 4mm Thk

2шт.

12

892-11016

LOCK WASHER,16.4mm ID x 27.4mm OD x 5mm Thk

1шт.

13

829-1316

NUT,M16, Cl 10

1шт.

14

827-16100

BOLT,Hex, M16 x 2 x 100mm, Cl 10.9

1шт.

15

382840A2

PIN

1шт.

16

363226A1

BUMPER

rubber

1шт.

17

257375A1

STEP

4шт.

18

826-10045

BOLT,Hex, M10 x 1.5 x 45mm, Cl 10.9

8шт.

19

832-10410

NUT,M10 x 1.5, Cl 8

16шт.

20

376530A1

SUPPORT

2шт.

21

627-10035

BOLT,Hex, M10 x 1.5 x 35mm, Cl 10.9, Full Thd

8шт.

23

896-15010

WASHER,11mm ID x 24mm OD x 3mm Thk

11 x 24 x 3 mm

8шт.

24

N7673

BUMPER

1шт.

25

895-11008

WASHER,9mm ID x 16mm OD x 1.6mm Thk

1шт.

26

425-105

NUT,5/16"-18, G5

1шт.

22

895-11010

WASHER,11mm ID x 20mm OD x 2mm Thk

8шт.

Выбрано товаров: 27