Запчасти Case IH STX375 (09-39) - CENTER LINK (09) - CHASSIS/ATTACHMENTS

Схема запчастей Case IH STX375 - (09-39) - CENTER LINK (09) - CHASSIS/ATTACHMENTS
14
15
17
11
2
5
6
17
7
13
15
18
4
7
6
12
3
16
11
1
14
8
9
16
10
8
FIT
1:1
100%

Артикул

Название

Примечание

Количество

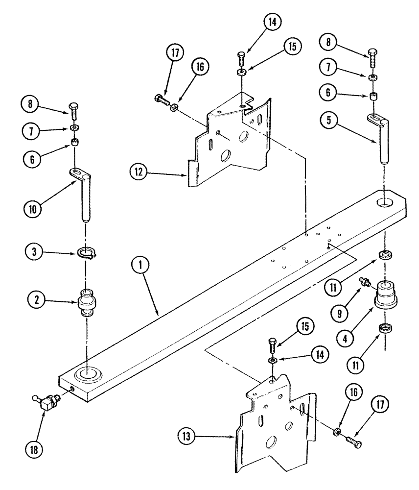
317652A2

LINK

connecting, STX 440 (1), Includes: Ref. 1 - 4

1шт.

293662A2

LINK

connecting, STX 375 (1), Quadtrac (1), Includes: Ref. 1 - 4

1шт.

1

NSS

NOT SOLD SEPARAT

LINK

1шт.

2

70-5468T1

SPHERICAL BEARING,1.751" ID x 3.5625" OD x 4"

1шт.

3

101-21354

SNAP RING,#354, Int

1шт.

4

70-6217T1

BUSHING

1шт.

5

70-6076T3

PIN

1-3/4 x 7-1/4

1шт.

6

70-5967T1

SPACER,16.7mm ID x 22.2mm OD x 11.2mm

2шт.

7

896-11016

WASHER,17.5mm ID x 30mm OD x 4mm Thk

2шт.

8

627-16040

BOLT,Hex, M16 x 2 x 40mm, Cl 10.9, Full Thd

2шт.

9

219-1

LUBE NIPPLE,1/8" - 27 NPTF

1шт.

10

195941A1

PIN,44.37mm OD x 205mm L

1шт.

11

D95143

WIPER SEAL,44.42mm ID x 57.17mm OD x 7.92mm Thk

2шт.

12

344930A5

COVER

drive shaft, left-hand

1шт.

13

344929A5

COVER

drive shaft, right-hand

1шт.

15

627-10020

BOLT,Hex, M10 x 1.5 x 20mm, Cl 10.9, Full Thd

4шт.

16

495-11053

WASHER,1/2", SAE

(17/32" x 1-1/16" x 3/32")

4шт.

17

426-812

BOLT,Hex, 1/2" - 13 x 3/4", Gr 8

4шт.

18

219-36

LUBE NIPPLE,45 Degree Elbow, 1/8" - 27 NPTF

1шт.

14

895-11010

WASHER,11mm ID x 20mm OD x 2mm Thk

4шт.

Выбрано товаров: 20