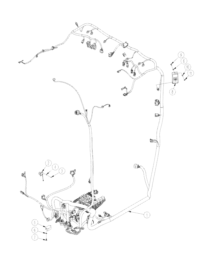
Запчасти Case IH STX375 (04-24) - HARNESS MAIN CAB, DELUXE AND LUXURY CABS (04) - ELECTRICAL SYSTEMS

Схема запчастей Case IH STX375 - (04-24) - HARNESS MAIN CAB, DELUXE AND LUXURY CABS (04) - ELECTRICAL SYSTEMS
3
6
7
5
8
10
1
4
5
9
2
11
FIT
1:1
100%

Артикул

Название

Примечание

Количество

381260A1

BOARD, PRINTED CIRCU

IT electronics, see Figure 04-25, consists of: Ref. 1

1шт.

1

378020A1

HARNESS

main cab

1шт.

2

227739A2

POWER SOCKET

power

3шт.

3

383986A1

RIVET

12шт.

4

895-11003

WASHER,3.2mm ID x 7mm OD x 0.5mm Thk

(3.2 x 7 x 0.5 mm)

12шт.

5

20-2041T2

CIRCUIT BREAKER

1шт.

6

895-11006

WASHER,6.6mm ID x 12mm OD x 1.6mm Thk

4шт.

7

840-1616

SCREW,Pan, M6 x 16mm, Cl 4.8

2шт.

8

284638A2

ELEC CONNECTOR,4 Pin

1шт.

9

863-6020

HEX SOC SCREW,M6 x 20mm, Cl 12.9

2шт.

10

892-11006

LOCK WASHER,M6

2шт.

11

829-1406

NUT,Hex, M6 x 1, Cl 10.9

M6; 10.9

2шт.

12

388811A1

CIGAR LIGHTER

not illustrated

1шт.

13

388813A1

OUTLET

power, not illustrated

2шт.

14

279265A2

SWITCH

Dome Light

1шт.

Выбрано товаров: 0