Запчасти Case IH STX375 (06-37) - POWER TAKEOFF LUBRICATION STX 375 Heavy Duty, STX 440 (06) - POWER TRAIN

Схема запчастей Case IH STX375 - (06-37) - POWER TAKEOFF LUBRICATION STX 375 Heavy Duty, STX 440 (06) - POWER TRAIN
16
7
2
24
19
11
9
22
3
15
8
14
4
23
10
21
18
5
21
19
19
12
20
6
20
17
13
1
FIT
1:1
100%

Артикул

Название

Примечание

Количество

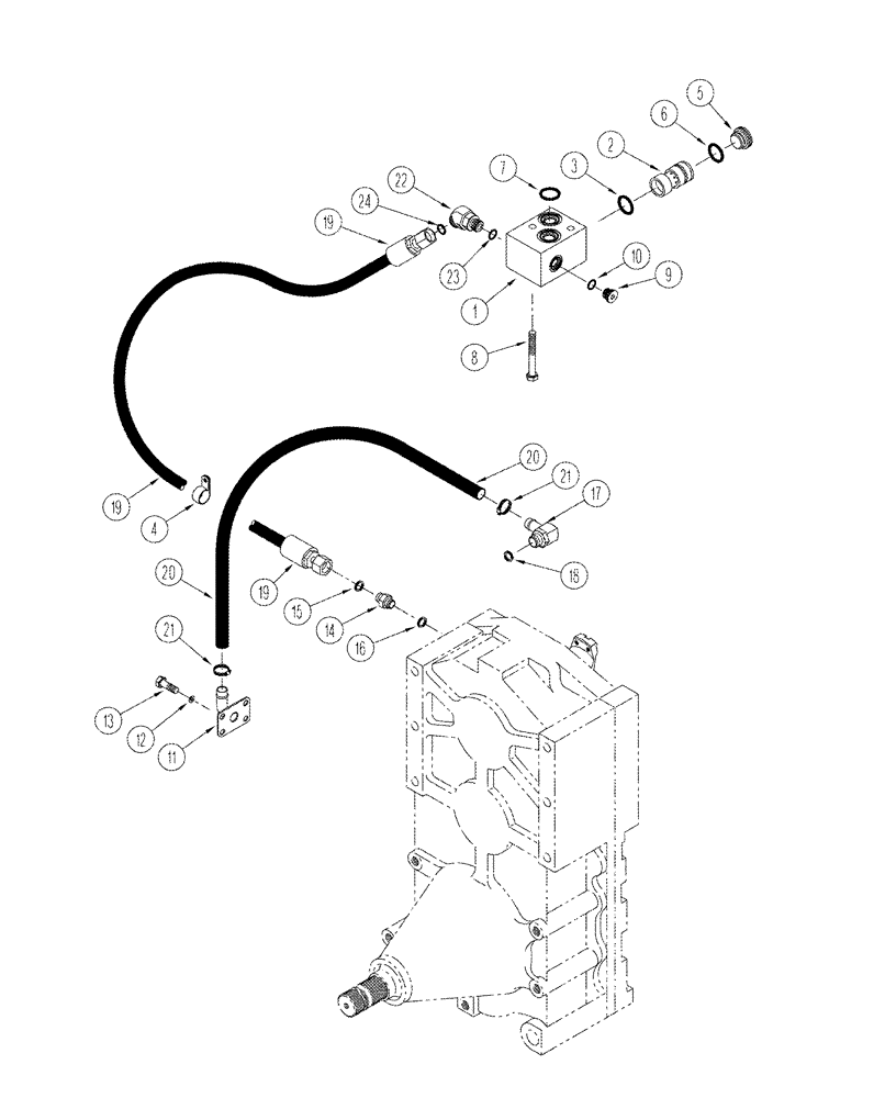
1

370157A1

BODY

jet pump

1шт.

2

347294A3

PUMP

jet

1шт.

3

238-6017

O-RING,0.07" Thk x 0.676" ID, -17, Cl 6, 90 Duro

1шт.

4

515-25190

CLAMP,3/4", Insul, 1/2" Bolt

1шт.

5

221580A1

PLUG,M27 x 2 ORB

Includes Ref. 6

1шт.

6

637-64236

O-RING,2.9mm Thk x 23.6mm ID, Cl 6, 90 Duro

1шт.

7

638-53300

O-RING,2.65mm Thk x 30mm ID, Cl 5, 75 Duro

2шт.

8

827-10080

BOLT,Hex, M10 x 1.5 x 80mm, Cl 10.9

2шт.

9

221578A1

PLUG,M18 x 1.5 ORB

Includes Ref. 10

1шт.

10

637-63153

O-RING,2.2mm Thk x 15.3mm ID, Cl 6, 90 Duro

1шт.

11

90-7256T1

FITTING

1шт.

13

627-10025

BOLT,Hex, M10 x 1.5 x 25mm, Cl 10.9, Full Thd

4шт.

14

700-102

HYD CONNECTOR,13/16" - 16 Male ORFS x M18 x 1.5 Male ORB

Incl. Ref. 15 and 16

1шт.

15

238-6014

O-RING,0.07" Thk x 0.489" ID, -14, Cl 6, 90 Duro

1шт.

16

637-63153

O-RING,2.2mm Thk x 15.3mm ID, Cl 6, 90 Duro

1шт.

17

370246A1

ELBOW

M33 orb x 2.0, Includes: Ref. 18

1шт.

18

637-64296

O-RING,2.9mm Thk x 29.6mm ID, Cl 6, 90 Duro

1шт.

19

360198A2

HOSE,1720.00 mm

1шт.

20

31-3168

HOSE,1.00" ID x 45.00"

1430 mm (45 in.), cut from 31-2755

1шт.

21

214-1420

HOSE CLAMP,#20, 0.81" - 1.75", Type F Worm

2шт.

22

700-348

ELBOW,45 Degree Elbow, 13/16" - 16 Male ORFS x M18 x 1.5 Male ORB

Incl. Ref. 23 and 24

1шт.

23

637-63153

O-RING,2.2mm Thk x 15.3mm ID, Cl 6, 90 Duro

1шт.

24

238-6014

O-RING,0.07" Thk x 0.489" ID, -14, Cl 6, 90 Duro

1шт.

12

895-11010

WASHER,11mm ID x 20mm OD x 2mm Thk

4шт.

Выбрано товаров: 24