Запчасти Case IH STX430 (05-01) - STEERING WHEEL AND COLUMN (05) - STEERING

Схема запчастей Case IH STX430 - (05-01) - STEERING WHEEL AND COLUMN (05) - STEERING
2
2
2
4
24
17
14
3
12
11
13
20
6
16
3
18
22
15
21
9
7
10
1
23
5
8
13
19
FIT
1:1
100%

Артикул

Название

Примечание

Количество

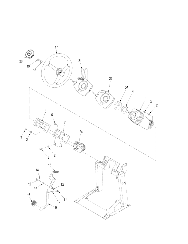
1

87387459

STEERING COLUMN

See Figure: 05-04

1шт.

2

895-11010

WASHER,11mm ID x 20mm OD x 2mm Thk

9шт.

3

829-1410

NUT,M10 x 1.5, Cl 10.9

7шт.

4

1977448C2

WASHER

Support

1шт.

5

220056A1

SCREW,Hex Soc Flat Hd, M10 x 20mm, Cl 8.8

4шт.

6

87448525

BRACKET

Mounting, Steering Column

1шт.

7

87309685

BRACKET

Mounting, Column / Pump

1шт.

8

614-10030

BOLT,Hex, M10 x 1.5 x 30mm, Cl 8.8, Full Thd

2шт.

9

87448446

PEDAL

w/ Steering Adjustment

1шт.

10

829-1508

NUT,M8, Cl 10

1шт.

11

514-633

BOLT,Hex, M8 x 1.25 x 30mm, Cl 8.8, Full Thd

1шт.

12

729-845

CLEVIS PIN,M8 x 45

1шт.

13

282892A1

BUSHING,8mm ID x 9.6mm OD x 8mm L

Nylon

2шт.

14

733-2012

COTTER PIN,M2 x 12

1шт.

15

311812A1

SPRING

Extension

1шт.

16

323657A1

PAD

Foot Release Pedal

1шт.

17

301200A1

STEERING WHEEL

1шт.

Deluxe Cab

1шт.

17

359033A1

STEERING WHEEL

1шт.

Luxury Cab

1шт.

18

896-11016

WASHER,17.5mm ID x 30mm OD x 4mm Thk

1шт.

19

825-11414

NUT,M14 x 1.5, Cl 8

1шт.

20

361024A3

CAP

Medallion, Steering Wheel

1шт.

21

86993721

CONSOLE

Transmission, w/ Self Cancel, See Figure: 05-03

1шт.

With Power Shift Transmission

1шт.

22

414332A1

CONTROL

Transmission, w/ Self Cancel, See Figure: 05-02

1шт.

With Manual Shift Transmission

1шт.

23

253679A1

RING

Magnetic

1шт.

24

87426127

HYDRAULIC STEERING

Control Valve, See Figure: 05-08

1шт.

Выбрано товаров: 29