Запчасти Case IH STX430 (08-26) - HIGH OUTPUT HYDRAULICS - PUMP MOUNTING (08) - HYDRAULICS

Схема запчастей Case IH STX430 - (08-26) - HIGH OUTPUT HYDRAULICS - PUMP MOUNTING (08) - HYDRAULICS
10
17
12
14
19
1
16
15
9
7
4
2
12
7
8
18
6
11
13
3
5
FIT
1:1
100%

Артикул

Название

Примечание

Количество

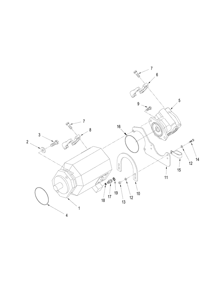
1

87308196

PUMP

100 cc, Piston, See Figure: 08-27

1шт.

1

87308196R

REMAN-HYD PUMP,100 CC

Remanufactured Hydraulic Pump

1шт.

1

87308196C

CORE-HYDRAULIC PUMP

Return Number

1шт.

2

496-81022

WASHER

.656" x 1.250" x .239"

2шт.

3

627-16050

BOLT,Hex, M16 x 2 x 50mm, Cl 10.9, Full Thd

2шт.

4

238-5250

O-RING,0.139" Thk x 4.984" ID, -250, Cl 5, 75 Duro

1шт.

5

87428412

HYDRAULIC PUMP

100 cc, Gear, See Figure: 08-28

1шт.

432244A3R

REMAN-HYD PUMP

STEIGER 380, STEIGER 430, STEIGER 480, STEIGER 530 all (ASN Z6F105001), STX380, STX430, STX480, STX530 all (BTW Z6F100023 - Z6F105001); Reman for New P/N 87428412

1шт.

432244A3C

CORE-HYDRAULIC PUMP

Return Number

1шт.

6

A14141

FLANGE

Split

2шт.

7

426-824

BOLT,Hex, 1/2" - 13 x 1-1/2", Gr 8

8шт.

8

L14386

CLAMP

Split

2шт.

9

627-12030

BOLT,Hex, M12 x 1.75 x 30mm, Cl 10.9, Full Thd

2шт.

10

87419159

PLATE

Lower

1шт.

11

87419459

BRACKET

Mounting, Gear / Piston Pump

1шт.

With Power Shift Transmission

1шт.

11

87419160

BRACKET

Mounting, Gear / Piston Pump

1шт.

With Manual Shift Transmission

1шт.

12

495-11034

WASHER,5/16", SAE

8шт.

13

832-10408

NUT,M8 x 1.25, Cl 8.8

4шт.

14

627-8030

BOLT,Hex, M8 x 1.25 x 30mm, Cl 10.9, Full Thd

4шт.

15

L111928

CLAMP

2шт.

16

436514A1

O-RING

1шт.

17

201-125

HYD CONNECTOR,11/16"-16 ORFS x 7/16"-20 ORB

Inc. 18 & 19

1шт.

18

237-6004

O-RING,0.072" Thk x 0.351" ID, -904, Cl 6, 90 Duro

1шт.

19

238-6012

O-RING,0.07" Thk x 0.364" ID, -12, Cl 6, 90 Duro

1шт.

Выбрано товаров: 26