Запчасти Case IH STX440 (09-38) - REAR FRAME QUADTRAC TRACTOR (09) - CHASSIS/ATTACHMENTS

Схема запчастей Case IH STX440 - (09-38) - REAR FRAME QUADTRAC TRACTOR (09) - CHASSIS/ATTACHMENTS
2
28
4
23
27
18
20
10
15
16
6
12
25
21
24
8
5
15
9
19
17
29
26
22
1
20
11
18
14
12
21
13
3
17
22
19
30
16
10
13
31
7
23
FIT
1:1
100%

Артикул

Название

Примечание

Количество

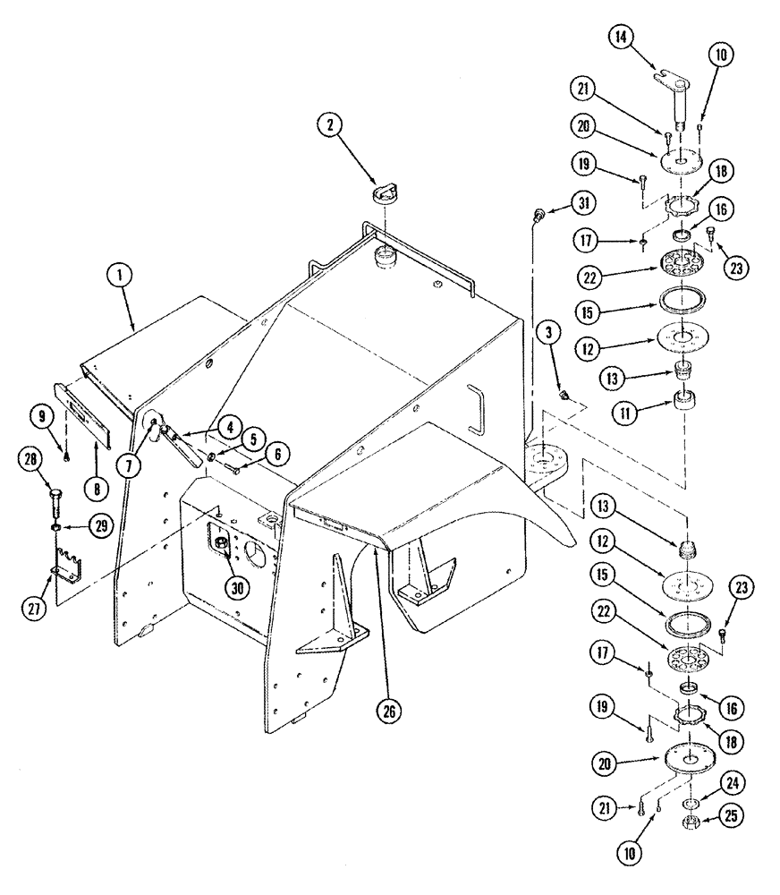
1

292753A1

FRAME

1шт.

2

A162191

CAP

fuel

1шт.

3

219-36

LUBE NIPPLE,45 Degree Elbow, 1/8" - 27 NPTF

1шт.

4

311376A2

CHANNEL

2шт.

5

895-11008

WASHER,9mm ID x 16mm OD x 1.6mm Thk

8шт.

6

827-8050

BOLT,Hex, M8 x 1.25 x 50mm, Cl 10.9

4шт.

7

832-10408

NUT,M8 x 1.25, Cl 8.8

4шт.

8

327267A1

COVER

left-hand

1шт.

9

281-54712

SCREW,Hex Wshr Hd, 1/4" - 20 x 3/4"

Self tapping

6шт.

10

217-430

PLUG,Hex Soc, 1/8" - 27 NPTF

2шт.

11

330042A1

SPHERICAL BEARING,76.2mm ID x 120.7mm OD x 66.7mm W

1шт.

12

330032A1

COVER

2шт.

13

330033A2

SLEEVE

2шт.

14

394364A1

PIN

1шт.

15

70-6378T3

SEAL

2шт.

16

D95148

WIPER SEAL

2шт.

17

70-6199T1

SPACER

16шт.

18

70-6198T1

RETAINER

2шт.

19

827-10040

BOLT,Hex, M10 x 1.5 x 40mm, Cl 10.9, Full Thd

16шт.

20

70-6189T1

COVER

2шт.

21

163-47

SCREW,Hex, #10 - 32 x 1/2", Gr 5

8шт.

70-6190T1

HOUSING

Includes: Ref. 22 and 23

2шт.

22

NSS

NOT SOLD SEPARAT

HOUSING

2шт.

23

NSS

NOT SOLD SEPARAT

SPACER

8шт.

24

1-4088

WASHER,45mm ID x 69.9mm OD x 6.35mm Thk

1-3/4 x 2-3/4 x 1/4

1шт.

25

70-6221T1

JAM NUT

1шт.

26

327266A1

COVER

right-hand, not illustrated

1шт.

27

349568A2

PLATE

1шт.

28

627-10035

BOLT,Hex, M10 x 1.5 x 35mm, Cl 10.9, Full Thd

2шт.

30

832-10410

NUT,M10 x 1.5, Cl 8

2шт.

31

384163A1

PLASTIC PLUG

1шт.

29

895-11010

WASHER,11mm ID x 20mm OD x 2mm Thk

2шт.

Выбрано товаров: 32