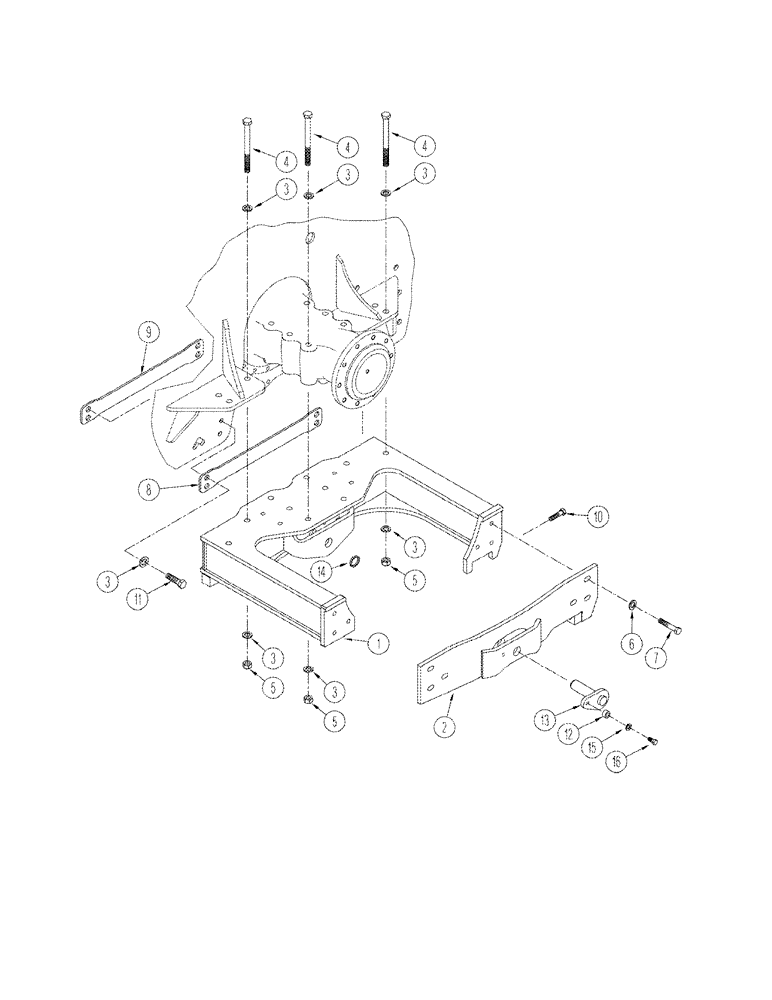
Запчасти Case IH STX440 (06-03) - YOKE MOUNTING (06) - POWER TRAIN

Схема запчастей Case IH STX440 - (06-03) - YOKE MOUNTING (06) - POWER TRAIN
10
5
15
12
9
11
3
2
5
3
4
6
3
1
3
14
4
3
7
4
13
5
3
3
8
16
FIT
1:1
100%

Артикул

Название

Примечание

Количество

1

372013A1

LINKAGE YOKE

1шт.

2

355631A1

PLATE ASSY.

front

1шт.

3

896-11024

WASHER,26mm ID x 44mm OD x 5mm Thk

(26 ID x 44 x 5 mm)

22шт.

4

827-24270

BOLT,Hex, M24 x 3 x 270mm, Cl 10.9

12шт.

5

829-1424

NUT,M24, Cl 10

12шт.

6

496-31094

WASHER,15/16" x 1 3/4" x .219", HDN

6шт.

7

627-22060

BOLT,Hex, M22 x 2.5 x 60mm, Cl 10.9, Full Thd

M20 x 50; 10.9

6шт.

8

380567A1

STRAP

A-frame

1шт.

9

355611A1

SUPPORT

frame

1шт.

10

627-20110

BOLT,Hex, M20 x 2.5 x 110mm, Cl 10.9, Full Thd

4шт.

11

627-24070

BOLT,Hex, M24 x 3 x 70mm, Cl 10.9, Full Thd

4шт.

12

70-5967T1

SPACER,16.7mm ID x 22.2mm OD x 11.2mm

2шт.

13

304876A1

PIN,44.34mm OD x 147mm L

2шт.

14

316630A2

WASHER,45mm ID x 102mm OD x 5mm Thk

2шт.

15

896-11016

WASHER,17.5mm ID x 30mm OD x 4mm Thk

2шт.

16

627-16040

BOLT,Hex, M16 x 2 x 40mm, Cl 10.9, Full Thd

2шт.

Выбрано товаров: 16