Запчасти Case IH STX440 (06-32) - DRIVE SHAFT MOUNTING (06) - POWER TRAIN

Схема запчастей Case IH STX440 - (06-32) - DRIVE SHAFT MOUNTING (06) - POWER TRAIN
4
6
3
10
8
11
6
13
5
6
12
9
14
2
7
1
6
FIT
1:1
100%

Артикул

Название

Примечание

Количество

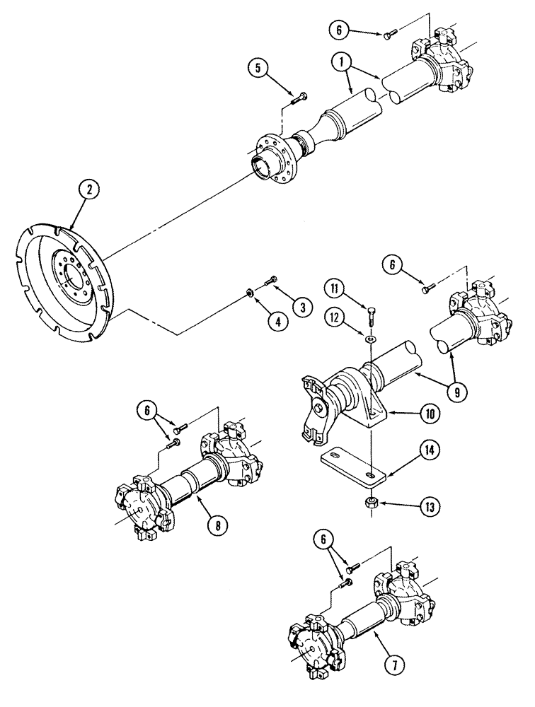
1

305115A1

DRIVE SHAFT

input, STX 375 (1), see Figure 06-33

1шт.

1

301782A1

DRIVE SHAFT

input, STX 375 heavy duty (1), STX 440 (1), Quadtrac (1), see Figure 06-33

1шт.

2

378758A2

DAMPER

Vibration

1шт.

3

80-1716

12 PT SCREW,Flg, 7/16" - 14 x 1", Gr 8

Gr 8

12шт.

4

896-11010

WASHER,11mm ID x 21mm OD x 2.5mm Thk

12шт.

5

426-1024

BOLT,Hex, 5/8" - 11 x 1-1/2", Gr 8

10шт.

6

827-12050

BOLT,Hex, M12 x 1.75 x 50mm, Cl 10.9

STX 375 (24)

1шт.

6

827-12060

BOLT,Hex, M12 x 1.75 x 60mm, Cl 10.9

STX 375 heavy duty (1), STX 440 (24), Quadtrac (24)

1шт.

7

305117A1

DRIVE SHAFT

front axle, STX 375 (1), see Figure 06-33

1шт.

7

301783A1

DRIVE SHAFT

front axle, STX 375 heavy duty (1), STX 440 (1), Quadtrac (1), see Figure 06-33

1шт.

8

378389A1

DRIVE SHAFT

articulation, STX 375 (1), see Figure 06-33

1шт.

8

378384A1

DRIVE SHAFT

articulation, STX 375 heavy duty (1), STX 440 (1), Quadtrac (1), see Figure 06-33

1шт.

9

305110A1

DRIVE SHAFT

rear axle, STX 375 (1), see Figure 06-33

1шт.

9

301785A1

DRIVE SHAFT

rear axle, STX 375 heavy duty (1), STX 440 (1), Quadtrac (1), see Figure 06-33

1шт.

10

90-7378T1

BEARING CARRIER

pillow block, see Figure 06-33

1шт.

11

827-20250

BOLT,Hex, M20 x 2.5 x 250mm, Cl 10.9

2шт.

12

896-16020

WASHER,22mm ID x 44mm OD x 5mm Thk

22 x 44 x 5 mm

2шт.

13

829-1420

NUT,M20, Cl 10

2шт.

14

199868A1

SPACER

1шт.

Выбрано товаров: 19