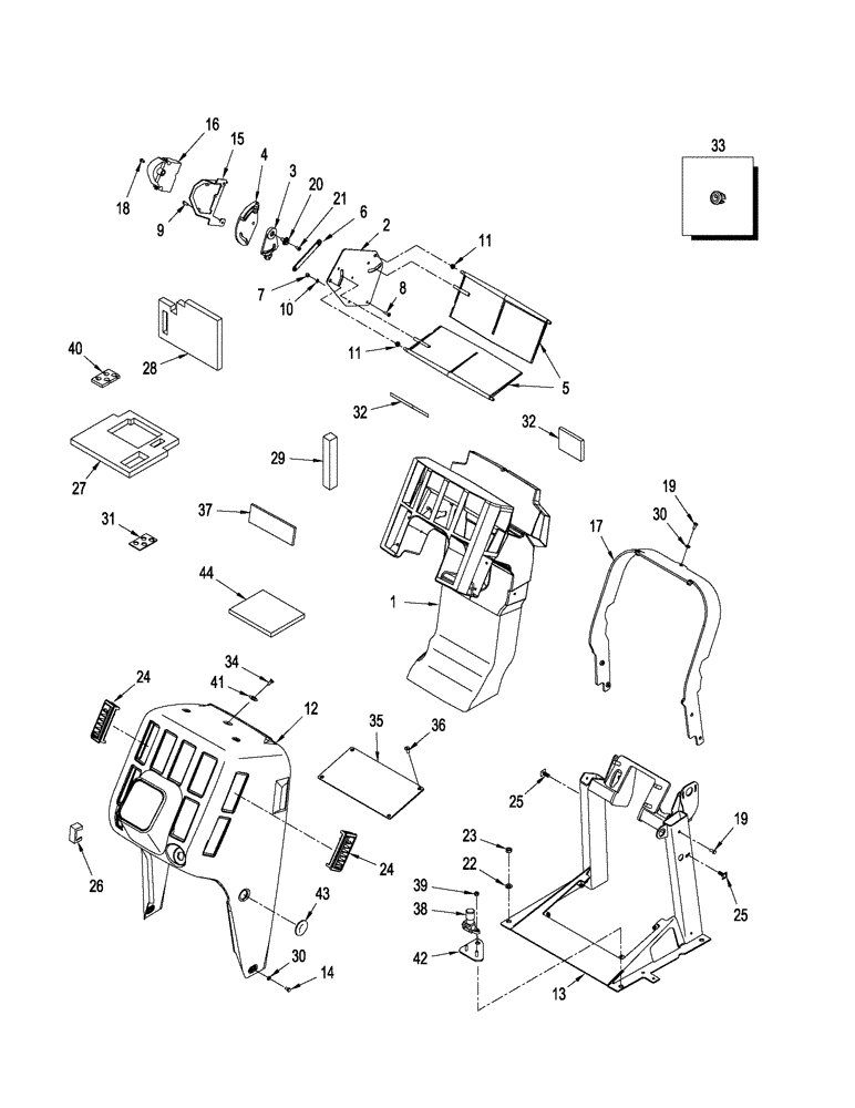
Запчасти Case IH STX480 (09-21) - FRONT CONSOLE (09) - CHASSIS

Схема запчастей Case IH STX480 - (09-21) - FRONT CONSOLE (09) - CHASSIS
42
37
38
15
23
14
17
1
27
8
35
24
22
30
4
20
13
33
18
3
32
11
26
25
19
16
40
34
9
39
41
43
10
25
36
44
30
6
28
12
32
19
11
5
24
21
31
2
29
7
FIT
1:1
100%

Артикул

Название

Примечание

Количество

1

87433098

AIR DUCT

Air Conditioning and Heating

1шт.

2

257059A2

PLATE

Support

1шт.

3

281138A2

GUIDE

Plate

1шт.

4

281139A1

GUIDE

Plate

1шт.

5

246476A1

VENT

Air Plenum

2шт.

6

275601A1

LINK

1шт.

7

832-10404

NUT,M4 x 0.7, Cl 8.8

1шт.

8

840-1416

SCREW,Pan, M4 x 16mm, Cl 4.8

1шт.

9

840-148

SCREW,Pan, M4 x 8mm, Cl 4.8

3шт.

10

895-11004

WASHER,4.3mm ID x 9mm OD x 0.8mm Thk

1шт.

11

60-2416T1

NYLON BEARING,0.251" ID x 0.437" OD x 0.03, 0.14, 0.015"

5шт.

12

360446A1

CONSOLE

Front

1шт.

13

87517381

STEERING ASSY

Support

1шт.

14

628-6012

BOLT,Hex, M6 x 12mm, Cl 10.9, Full Thd

2шт.

15

277438A1

BRACKET

Bracket

1шт.

16

275602A1

ACTUATOR

Motor

1шт.

17

280566A1

SUPPORT

Front Console

1шт.

18

760-14316

SELF-TAP SCREW,Pan Hd, M4.2 x 16

3шт.

19

627-6016

BOLT,Hex, M6 x 1 x 16mm, Cl 10.9, Full Thd

7шт.

20

281140A1

WASHER

Shoulder

1шт.

21

840-1410

SCREW,Pan, M4 x 10mm, Cl 4.8

1шт.

22

895-11010

WASHER,11mm ID x 20mm OD x 2mm Thk

4шт.

23

829-1310

NUT,M10, Cl 10

4шт.

24

363931A1

VENT

Air, with Pop-Out Feature

10шт.

24

363882A1

VENT

Air, without Pop-Out Feature

10шт.

25

301098A1

CLIP

Snap-In

2шт.

26

86000535

PLUG,1.427" x .62", Plastic

Switch, No Ether Start

1шт.

27

87437453

FOAM

Acoustical

1шт.

28

87442532

SEAL

1шт.

29

384786A2

FOAM

2шт.

30

895-11006

WASHER,6.6mm ID x 12mm OD x 1.6mm Thk

5шт.

31

87437454

DECAL

Floor Sealing

1шт.

32

446687A1

FOAM

Louver Dampner

4шт.

33

A67295

PLUG

Control Cable

1шт.

34

436276A1

SCREW,BHD, M6 x 1 x 30mm, Class 10.9

Button Hd

3шт.

35

87433404

PLATE

Access

1шт.

36

843-1616

SCREW,Flat , M6 x 16mm, Cl 4.8

4шт.

37

356717A1

TAPE

1шт.

38

87340325

SWITCH

Decelaration

1шт.

39

829-1406

NUT,Hex, M6 x 1, Cl 10.9

2шт.

40

87437455

FOAM

Accoustical

1шт.

41

195-81023

WASHER,5.94mm ID x 14.28mm OD x 1.25mm Thk

3шт.

42

87561659

MOUNTING PLATE

Decel Switch

1шт.

43

376597A2

DECAL

Hole

1шт.

44

87688791

FOAM

Block

1шт.

Выбрано товаров: 45