Запчасти Case IH STX530 (08-47) - HYDRAULIC FAN PUMP ASSY (08) - HYDRAULICS

Схема запчастей Case IH STX530 - (08-47) - HYDRAULIC FAN PUMP ASSY (08) - HYDRAULICS
1
10
7
14
3
20
5
18
21
23
19
25
22
12
29
17
24
16
27
26
2
9
28
8
11
4
6
15
FIT
1:1
100%

Артикул

Название

Примечание

Количество

87434402

HYDRAULIC PUMP,45 CC

Hydraulic Fan, 100 cc, Inc. 1 - 20

1шт.

87434402R

REMAN-HYD PUMP

Remanufactured Hydraulic Pump

1шт.

87434402C

CORE-HYDRAULIC PUMP

Return number

1шт.

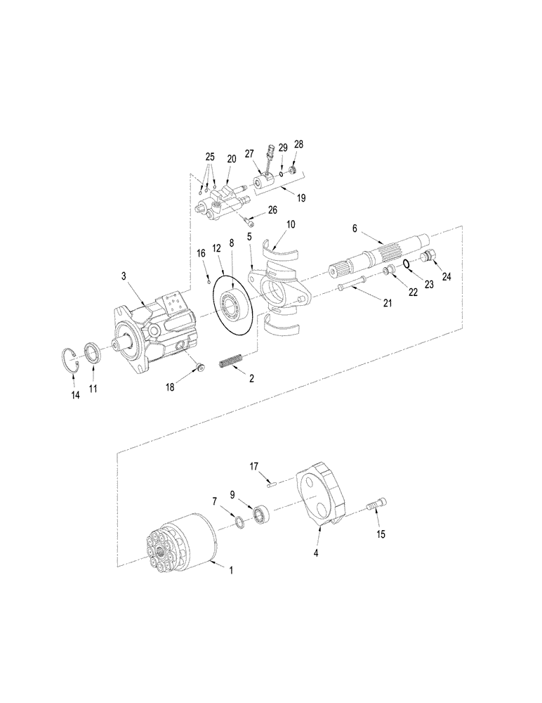
1

NSS

NOT SOLD SEPARAT

Cylinder Assy

1шт.

2

NSS

NOT SOLD SEPARAT

Spring

1шт.

3

NSS

NOT SOLD SEPARAT

Housing

1шт.

4

NSS

NOT SOLD SEPARAT

Block

1шт.

5

NSS

NOT SOLD SEPARAT

Plate, Swash

1шт.

6

NSS

NOT SOLD SEPARAT

Shaft

1шт.

7

NSS

NOT SOLD SEPARAT

Spacer, Shim

1шт.

8

NSS

NOT SOLD SEPARAT

Bearing, Roller

1шт.

9

NSS

NOT SOLD SEPARAT

Bearing, Roller

1шт.

10

NSS

NOT SOLD SEPARAT

Bearing, Roller

2шт.

11

87414121

SEAL

1шт.

12

87414122

O-RING

1шт.

13

NSS

NOT SOLD SEPARAT

O-Ring

4шт.

14

NSS

NOT SOLD SEPARAT

Ring, Retaining

1шт.

15

NSS

NOT SOLD SEPARAT

Screw, M10 x 30

4шт.

16

436750A1

O-RING

1шт.

17

NSS

NOT SOLD SEPARAT

Pin, Dowel

1шт.

18

NSS

NOT SOLD SEPARAT

Plug

2шт.

19

436751A1

SOLENOID

1шт.

20

436536A1

PILOT VALVE

Inc. 19

1шт.

20

436536A1R

REMAN-HYD VALVE

Inc. 19

1шт.

20

436536A1C

CORE-VALVE HYD

Core Return Number

1шт.

21

NSS

NOT SOLD SEPARAT

Rod, Piston

1шт.

22

NSS

NOT SOLD SEPARAT

Piston, Control

1шт.

23

436535A1

O-RING,2.5mm Thk x 125mm ID

1шт.

24

NSS

NOT SOLD SEPARAT

Plug

1шт.

25

410995A1

O-RING,1.78mm Thk x 7.65mm ID, -11, 70 Duro

3шт.

26

NSS

NOT SOLD SEPARAT

Screw

4шт.

27

NSS

NOT SOLD SEPARAT

Solenoid, Control Valve

1шт.

28

87703282

NUT

Nut, Thumb, Plastic

1шт.

29

638-53200

O-RING,2.65mm Thk x 20mm ID, Cl 5, 75 Duro

1шт.

Выбрано товаров: 34