Запчасти Case IH 1030 (121C) - A34699 AUXILIARY VALVE, CONTINUED, USED PRIOR TO TRANSMISSION SERIAL NUMBER 2219218 (06) - POWER TRAIN

Схема запчастей Case IH 1030 - (121C) - A34699 AUXILIARY VALVE, CONTINUED, USED PRIOR TO TRANSMISSION SERIAL NUMBER 2219218 (06) - POWER TRAIN
61
55
75
53
57
74
57
62
58
42
52
66
47
70
60
56
49
43
53
72
50
45
46
50
48
52
71
60
73
65
63
54
54
9
59
68
30
71
58
55
67
69
44
47
51
59
FIT
1:1
100%

Артикул

Название

Примечание

Количество

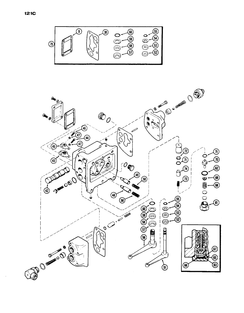
A34699

VALVE

ASSY. auxilliary, non-float, continued from Figure 121A

1шт.

42

A30874

SPOOL

- hydraulic valve

2шт.

43

A30878

ARM

- spool shifter, lower (2-11/64" long) (For 3/4" dia. shaft w/48 serrations)

1шт.

44

72-416

SCREW

- lower arm (1/4 x 1" N.C. fill hd.)

1шт.

45

A30887

ARM

- spool shifter, upper (1-31/32" long) (For 1/2" dia. shaft w/36 serrations)

1шт.

46

72-412

SCREW,Slotted Fil Hd, 1/4"-28 x 3/4"

- upper arm (1/4 x 3/4" N.F. fill hd.)

1шт.

47

92-4

LOCK WASHER,1/4"

WASHER, LOCK, 1/4"

2шт.

48

A33357

PLUNGER

- spool, lower (2-7/32" long, w/out drilled hole) (Order A57554)

1шт.

49

A33358

PLUNGER

- spool, upper (2-1/64" long, w/drilled hole) (Order A57555)

1шт.

50

A30883

SPRING

- spool plunger

2шт.

51

A32566

LEVER - spool shifter (w/36 serrations)

1шт.

52

A30875

RETAINER

felt seal

1шт.

Part of P/N A25264 Repair Kit

1шт.

53

A30853

WASHER

SEAL felt, 1/2 x 15/16 x 1/4"

1шт.

Part of P/N A25264 Repair Kit

1шт.

54

A27409

WASHER

felt seal, 23/64 x 63/64 x 20 Ga.

1шт.

Part of P/N A25264 Repair Kit

1шт.

55

A60498

O-RING

lever, 1/2 x 11/16 x 3/32"

1шт.

Part of P/N A25264 Repair Kit

1шт.

56

A32555

LEVER

- spool shifter (w/48 serrations)

1шт.

57

A30880

RETAINER

felt seal

1шт.

Part of P/N A25264 Repair Kit

1шт.

58

A30879

WASHER

SEAL felt, 3/4 x 1-3/16 x 1/4"

1шт.

Part of P/N A25264 Repair Kit

1шт.

59

A30881

SEALING WASHER,19.45mm ID x 31.35mm OD

WASHER, felt seal, 49/64 x 1-15/64 x 20 Ga.

1шт.

Part of P/N A25264 Repair Kit

1шт.

60

A60499

O-RING

lever, 3/4 x 15/16 x 3/32"

1шт.

Part of P/N A25264 Repair Kit

1шт.

A34723

VALVE

ASSY., pilot relief, Includes: Ref. 4 and 6 from Figure 121A and 61 - 74 this Figure, Includes Ref: 63 - 66

1шт.

61

A34392

PLUG

- relief valve

1шт.

Part of P/N A34723 Pilot Relief Valve Assy.

1шт.

62

218-5008

O-RING,0.116" Thk x 0.924" ID, -912, Cl 6, 90 Duro

"O" RING - plug (3/4 x 59/64 x 1/8")

1шт.

Part of P/N A34723 Pilot Relief Valve Assy.

1шт.

63

A34391

SHIM,.0149" Thk

Valve spring .0149" Thk

1шт.

Part of P/N A34723 Pilot Relief Valve Assy.

1шт.

63

A34390

SHIM,.0329" Thk

Valve spring .0329" Thk

1шт.

Part of P/N A34723 Pilot Relief Valve Assy.

1шт.

65

A34694

SHIM,.0201" Thk

Valve spring .0201" Thk

1шт.

Part of P/N A34723 Pilot Relief Valve Assy.

1шт.

66

A34817

SHIM,.0149" Thk

Valve spring (Blue Japan) .0149" Thk

1шт.

Part of P/N A34723 Pilot Relief Valve Assy.

1шт.

67

A34849

SHIM,.0105" Thk

Valve spring .0105" Thk

1шт.

Part of P/N A34723 Pilot Relief Valve Assy.

1шт.

68

A34492

SPRING

- valve outer (23/32" free length)

1шт.

Part of P/N A34723 Pilot Relief Valve Assy.

1шт.

69

A34816

X

RETAINER - valve spring (Replaces A34491) (Order A57558)

1шт.

Part of P/N A34723 Pilot Relief Valve Assy.

1шт.

70

A34814

PISTON

ASSY. - pilot (Replaces A34489) (Order A57556)

1шт.

Part of P/N A34723 Pilot Relief Valve Assy.

1шт.

71

A17526

O-RING,0.614" ID x 0.754" OD x 0.7"

"O" RING - sleeve & ret. (5/8 x 3/4 x 1/16")

2шт.

Part of P/N A34723 Pilot Relief Valve Assy.

1шт.

72

A34493

RING,16.33mm ID x 19.02mm OD x 1.25mm Thk

SEAL - sleeve (inner)

1шт.

Part of P/N A34723 Pilot Relief Valve Assy.

1шт.

73

A34382

SPRING

- valve, inner (1" free length)

1шт.

Part of P/N A34723 Pilot Relief Valve Assy.

1шт.

74

A34487

X

PISTON - relief valve (Order A57553)

1шт.

Part of P/N A34723 Pilot Relief Valve Assy.

1шт.

75

A25264

SEAL

REPAIR KIT, auxillairy valve. Includes: Ref. 52 - 55 and 57 - 60

1шт.

Выбрано товаров: 58