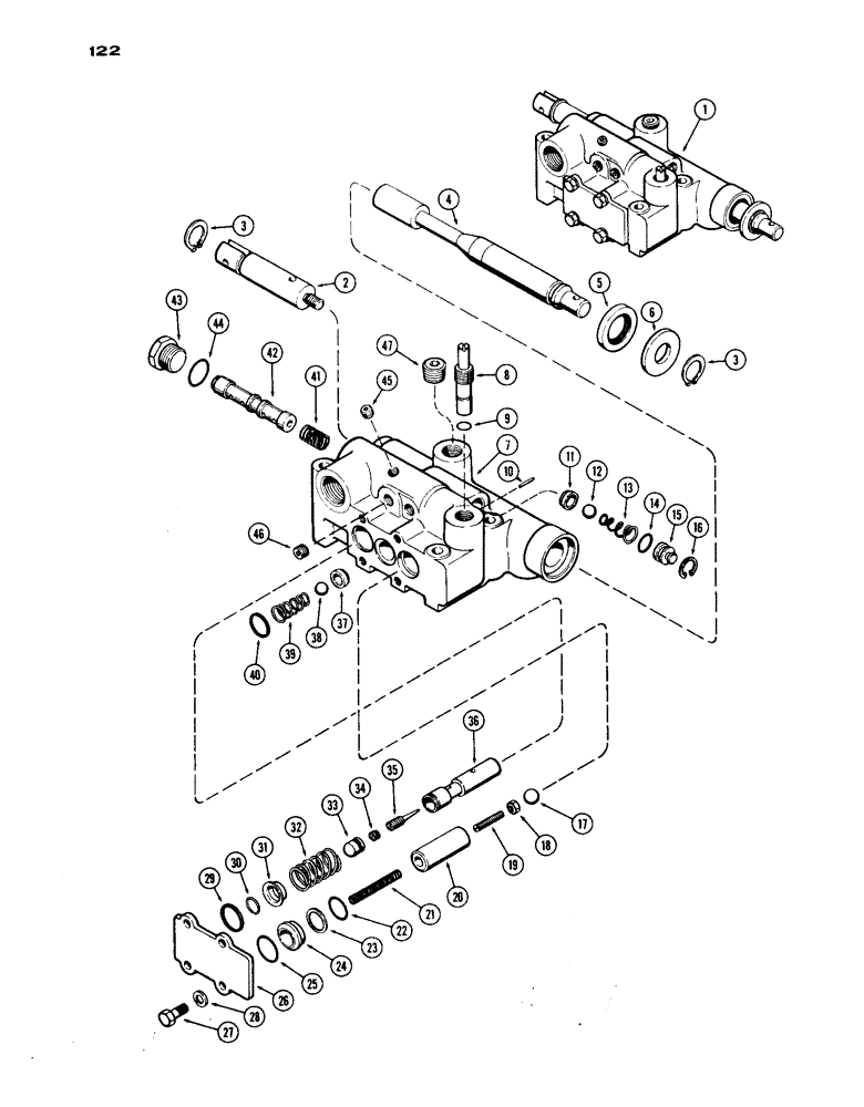
Запчасти Case IH 1030 (122) - DRAFT-O-MATIC VALVE (06) - POWER TRAIN

Схема запчастей Case IH 1030 - (122) - DRAFT-O-MATIC VALVE (06) - POWER TRAIN
43
34
12
7
28
13
1
46
37
30
36
20
3
22
45
8
24
9
15
18
3
38
35
42
26
6
23
19
47
29
16
2
40
25
39
4
11
5
32
41
10
33
14
44
21
31
27
17
FIT
1:1
100%

Артикул

Название

Примечание

Количество

1

A57175

VALVE ASSY. - draft control (See item 39) (1st used trac. ser. no. 8310335)

1шт.

1

A32978

VALVE

ASSY. - draft control (See item 39) (used prior to trac. ser. no. 8310335), Includes Ref: 2 - 2 - 47

1шт.

2

A32981

END - valve spool

1шт.

3

A35094

SNAP RING,#81, Ext

Ring, Snap, , spool #81, Ext

2шт.

4

A32980

SPOOL - depth control valve

1шт.

5

A11507

OIL SEAL

- oil (7/8 x 1-3/8 x 1/4")

1шт.

6

A35093

WASHER

- spool stop (13/16 x 1-5/8 x 11 Ga.)

1шт.

7

NSS

NOT SOLD SEPARAT

BODY - valve (Order A32978)

1шт.

8

A32363

SPOOL

- throttle

1шт.

9

A40109

O-RING,0.07" Thk x 0.364" ID, -12, Cl 6, 90 Duro

throttle spool, 3/8 x 1/2 x 1/16"

1шт.

Part of P/N A42496 Draft Control Valve Seal Kit

1шт.

10

138-39

LOCK PIN,3/32" x 5/8", Slotted

PIN, , Throttle spool 3/32" x 5/8", Slotted

1шт.

11

L10120

SEAT

- ball, check valve

1шт.

12

211-12

BALL,7/16 Dia

- check valve (7/16" dia.)

1шт.

13

A35099

SPRING

- pressure check valve

1шт.

14

A27410

O-RING,0.487" ID x 0.693" OD x 0.103"

check valve plug, 1/2 x 11/16 x 3/32"

1шт.

Part of P/N A42496 Draft Control Valve Seal Kit

1шт.

15

A35693

PLUG

- check valve

1шт.

16

A35694

SNAP RING,0.688", Int, #68

Ring, Snap, , plug 0.688", Int, #68

1шт.

17

211-13

BALL,1/2" Dia

- lowering poppet 1/2" Dia

1шт.

18

A35102

NUT

- lock, adj. screw (#10-32 hex.)

1шт.

19

A35101

SET SCREW,Hex Skt, #10 - 32 x 1 1/4", Gr 5

- set, poppet adj.

1шт.

20

A35695

PISTON

- lowering poppet

1шт.

21

A35103

SPRING

- pressure, lowering poppet

1шт.

22

A27365

O-RING,0.103" Thk x 0.75" ID, -116, Cl 5, 75 Duro

sleeve, 3/4 x 15/16 x 3/32"

1шт.

Part of P/N A42496 Draft Control Valve Seal Kit

1шт.

23

A35698

BACK-UP RING

WASHER, o-ring back-up

1шт.

Part of P/N A42496 Draft Control Valve Seal Kit

1шт.

24

A35696

SLEEVE

- lowering poppet

1шт.

25

A35104

O-RING,0.103" Thk x 0.862" ID, -118, Cl 5, 75 Duro

"O" RING, lowering poppet, 7/8 x 1-1/16 x 3/32"

1шт.

Part of P/N A42496 Draft Control Valve Seal Kit

1шт.

26

A35105

COVER

- valve

1шт.

27

13-512

BOLT,Hex, 5/16" - 18 x 3/4", Gr 5

Cover Hex, 5/16"-18 x 3/4", G5, Full Thd

4шт.

28

92-5

LOCK WASHER,5/16"

4шт.

29

A35548

RING

QUAD RING, trigger valve

1шт.

Part of P/N A42496 Draft Control Valve Seal Kit

1шт.

30

A35690

RING

- snap, seat ret.

1шт.

31

A35689

RETAINER

SEAT - pressure spring retainer

1шт.

32

A35691

SPRING

- pressure, trigger valve

1шт.

33

A35097

PLUG

- trigger valve cap

1шт.

34

A35785

SET SCREW,5/16" - 18 x 1/4"

- lock, needle valve

1шт.

35

A35784

VALVE

- needle, trigger poppet

1шт.

36

A32982

PISTON

- trigger poppet

1шт.

37

L10120

SEAT

- check valve

1шт.

38

211-12

BALL,7/16 Dia

- check valve (7/16" dia.)

1шт.

39

A57166

SPRING

- pressure, check valve (9 coils) (used w/ A57175 valve only)

1шт.

39

A35099

SPRING

- pressure, check valve (7 coils) (used w/ A32978 valve only)

1шт.

40

A35547

RING

QUAD RING, check valve

1шт.

Part of P/N A42496 Draft Control Valve Seal Kit

1шт.

41

A35700

SPRING

- pressure, flow control

1шт.

42

A32984

PISTON

- flow control

1шт.

43

A34215

PLUG

ASSY. - flow control piston

1шт.

44

237-6010

O-RING,0.097" Thk x 0.755" ID, -910, Cl 6, 90 Duro

plug, 5/8 x 3/4 x 3/32"

1шт.

Part of P/N A42496 Draft Control Valve Seal Kit

1шт.

45

221-1850

PLUG,Hex Soc, 1/16"-27

- (1/16" P.T., ctsk. sckt. hd.)

1шт.

46

222-1849

ELBOW,90 Degree, 17/32"-24 x 3/8" NPT, Comp

PLUG - (1/8" P.T., ctsk. sckt. hd.)

2шт.

47

221-1843

PLUG

- (3/8" P.T., ctsk. sckt. hd.)

1шт.

A42496

GASKET KIT

SEAL KIT - draft control valve, Includes: Ref. 9, 14, 22, 23, 25, 29, 40 and 44

1шт.

Выбрано товаров: 58