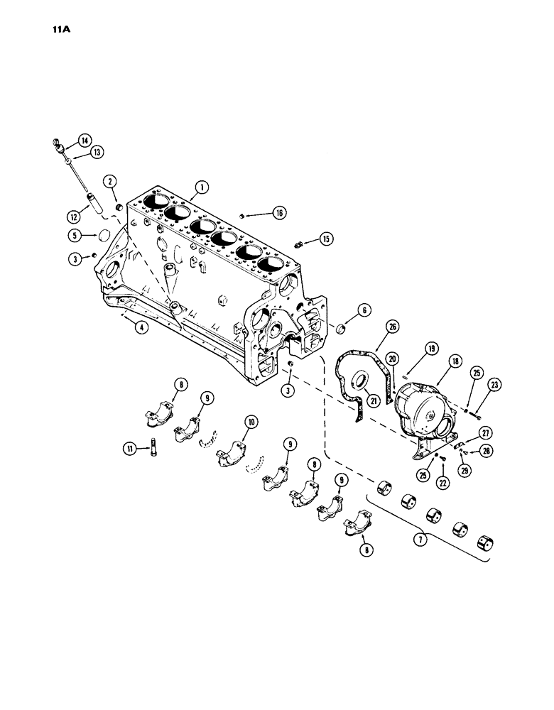
Запчасти Case IH 1030 (011A) - CYLINDER BLOCK ASSEMBLY, USED PRIOR TO ENGINE SERIAL NUMBER 2174160 (02) - ENGINE

Схема запчастей Case IH 1030 - (011A) - CYLINDER BLOCK ASSEMBLY, USED PRIOR TO ENGINE SERIAL NUMBER 2174160 (02) - ENGINE
9
8
15
8
13
27
11
1
16
5
22
9
4
6
29
9
7
14
25
8
20
3
2
19
10
18
21
25
12
23
28
26
3
FIT
1:1
100%

Артикул

Название

Примечание

Количество

A40870

BLOCK ASSY. - cylinder, short (incl. stripped block, piston assy., conn. rods assy. & brg., camshaft, crankshaft & brgs., timing gears & oil pump assy.) (Casting No. A24963)(Order A41233), Includes Ref: 1 - 12

1шт.

1

A40869

BLOCK ASSY. - cyl., stripped (Casting No. A24963) (Order A41224), Includes Ref: 2 - 12

1шт.

2

221-1036

DRAIN PLUG,Sq Soc, 1"-11 1/2, NTPF

PLUG - (1" P.t., sckt. hd.)

1шт.

3

221-1843

PLUG

- (3/8" P.T., sckt. hd.)

3шт.

4

222-41

ELBOW,90 Degree, 7/16"-24 x 1/8 NPT

PLUG - (1/8" P.T., sltd. hd.)

4шт.

5

A24361

PLUG

- camshaft hole (2-3/8" cup type)

1шт.

6

41-1628

PLUG,Cup, 1 3/4", Stainless

- front (1-3/4" cup type)

1шт.

7

A23544

BUSHING

SET - camshaft

1шт.

8

A24941

CAP

- main bearing (2-7/16" wide)

3шт.

9

A24942

CYLINDER END CAP

CAP - main bearing (1-7/16" wide)

3шт.

10

A24943

CAP

- main bearing, thrust (2-7/16" wide)

1шт.

11

A27836

SPECIAL BOLT,5/8" - 11 x 3 1/4"

- bearing caps (5/8 x 3-1/4" N.C. spec.)

14шт.

12

A34540

TUBE

- dip-stick socket

1шт.

13

A57049

DIPSTICK

GAUGE ASSY. - oil level (dip-stick)(incl. item 14) (1st used eng. ser. no. 2150986)(16-1/4" long)

1шт.

13

A34541

DIPSTICK

GAUGE ASSY. - oil level (dip-stick)(incl. item 14) (used prior to eng. ser. no. 2150986)(14-1/8" long), Includes Ref: 14

1шт.

14

F62075

O-RING,0.139" Thk x 0.734" ID, -210, Cl 5, 75 Duro

"O" RING - dipstick (3/4 x 1 x 1/8")

2шт.

15

A23656

COCK, DRAIN

COCK - drain, cylinder block

1шт.

16

221-844

PLUG,Hex Soc, 1/2"-14

- L.H. side (1/2" P.T., ctsk. sckt. hd.)

1шт.

18

A57403

COVER

ASSY. - timing gears, Includes Ref: 19 - 21

1шт.

19

A27840

PIN

- cover locating (5/16 x 3/4")

2шт.

20

A27869

BUTTON - thrust bumper

2шт.

21

A62049

OIL SEAL

- oil, crankshaft, fornt (2-5/8 x 3-5/8 x 1/2") (Replaces A57342 & A23433)

1шт.

22

13-616

BOLT,Hex, 3/8" - 16 x 1", Gr 5, Full Thd

Cover Hex, 3/8"-16 x 1", G5, Full Thd

2шт.

23

13-640

BOLT,Hex, 3/8" - 16 x 2-1/2", Gr 5

- cover (3/8 x 2-1/2" N.C. hex.)

5шт.

23

13-660

BOLT,Hex, 3/8" - 16 x 3-3/4", Gr 5

- cover (3/8 x 3-1/4" N.C. hex.)

3шт.

25

92-6

LOCK WASHER,3/8"

10шт.

26

A33018

GASKET

- timing gear cover

1шт.

27

A28218

POINTER - timing indicator

1шт.

28

13-48

BOLT,Hex, 1/4" - 20 x 1/2", Gr 5

Pointer Hex, 1/4"-20 x 1/2", G5, Full Thd

2шт.

29

193-44

LOCK WASHER,Ext-Int Tooth, 1/4"

WASHER - (1/4" int./ext. skpf.)

2шт.

Выбрано товаров: 30