Запчасти Case IH 1030 (083A) - TRANSMISSION COUNTERSHAFT (06) - POWER TRAIN

Схема запчастей Case IH 1030 - (083A) - TRANSMISSION COUNTERSHAFT (06) - POWER TRAIN
14
18
7
4
8
21
16
25
13
19
9
11
6
20
12
10
17
3
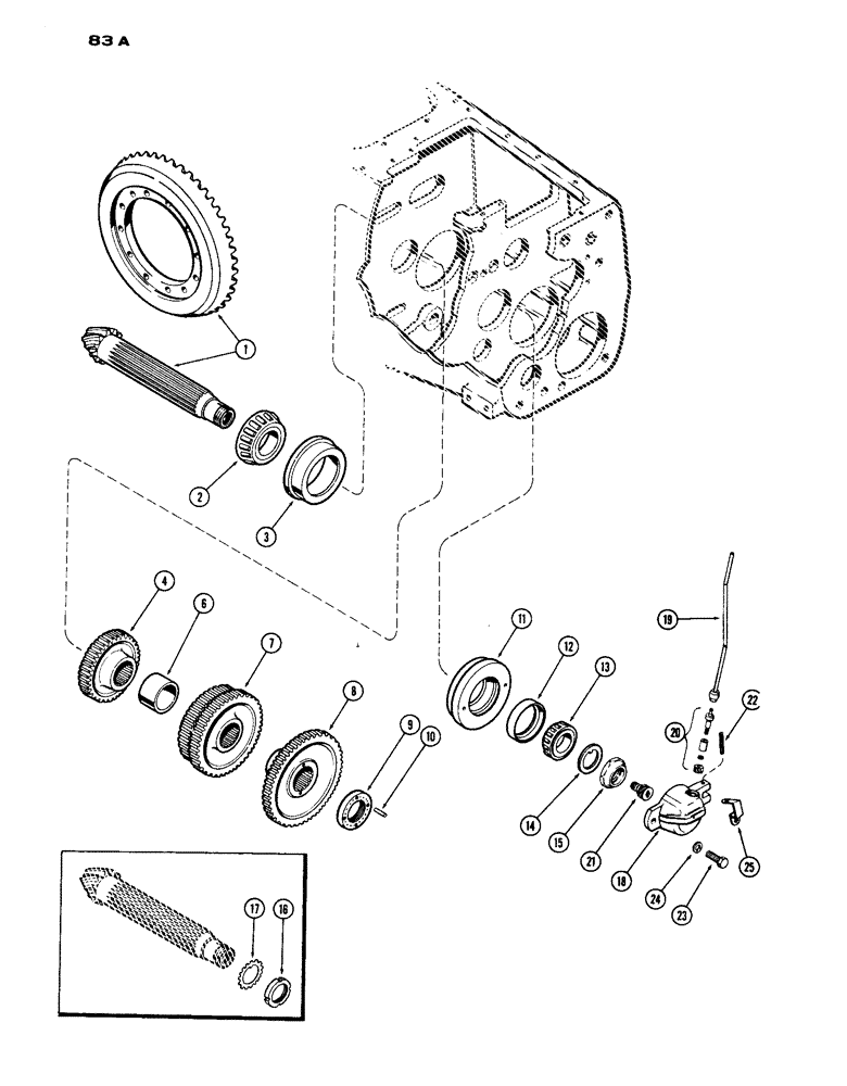
2
24
22
1
15
23
FIT
1:1
100%

Артикул

Название

Примечание

Количество

1

A34574

X

COUNTERSHAFT ASSY. - (matched gear set)

1шт.

2

A34333

CONE

- bearing, countershaft, rear

1шт.

3

A34332

CUP

- bearing, countershaft, rear

1шт.

4

A57445

GEAR

- driven, 4th & 8th (29 teeth)(used w/A57446 gear) (1st used trac. ser. no. 8333667)

1шт.

4

A34336

GEAR - driven, 4th & 8th (28 teeth)(used w/A33563) (used prior to trac. ser. no. 8333667)

1шт.

6

A57651

BUSHING

SPACER - (2-17/64 x 2-7/8 x 1-13/16")(Replaces A28291)

1шт.

7

A33565

GEAR - driven, 2nd-6th & 3rd-7th (33 & 36 teeth)

1шт.

8

A33561

GEAR

- driven, 1st & 5th (40 teeth)

1шт.

9

A22760

NUT

- lock, countershaft gears

1шт.

10

138-130

LOCK PIN,1/4" x 3/4", Slotted

PIN, , Nut lock 1/4" x 3/4", Slotted

1шт.

11

A61790

CARRIER ASSY. - front bearing (Replaces A57984), Includes Ref: 12

1шт.

12

A32763

CUP

- bearing, countershaft, front

1шт.

13

A32764

ROLLER BEARING,1.875" ID x 1"

CONE - bearing, countershaft, front

1шт.

14

A21870

WASHER - thrust, front brg.

1шт.

15

A60019

NUT

- lock, front bearing (1st used trans. ser. no. 2230235)

1шт.

16

A27580

X

NUT - lock, front bearing (Order A60019) (used prior to trans. ser. no. 2230235)

1шт.

17

A28171

LOCK WASHER

WASHER - lock, nut (used w/A27580 nut)

1шт.

18

A34087

BRACKET - speedometer drive

1шт.

19

A11624

TUBE

ASSY. - speedometer drive cable

1шт.

20

A20281

GEAR

DRIVE KIT - speedometer

1шт.

21

A11621

GEAR

- speedometer

1шт.

22

A9906

X

SCREW - drive bracket

1шт.

23

13-616

BOLT,Hex, 3/8" - 16 x 1", Gr 5, Full Thd

Bracket Hex, 3/8"-16 x 1", G5, Full Thd

1шт.

23

13-624

BOLT,Hex, 3/8" - 16 x 1-1/2", Gr 5

- bracket (3/8 x 1-1/2" N.C. hex.)

1шт.

24

92-6

LOCK WASHER,3/8"

2шт.

25

A34724

CLIP

- speedometer guide tube ret.

1шт.

Выбрано товаров: 26