Запчасти Case IH 1030 (084) - TRANSMISSION SLIDING GEAR SHAFT (06) - POWER TRAIN

Схема запчастей Case IH 1030 - (084) - TRANSMISSION SLIDING GEAR SHAFT (06) - POWER TRAIN
12
3
4
23
26
25
11
7
13
24
20
1
16
21
15
22
14
10
9
8
5
18
6
19
17
2
FIT
1:1
100%

Артикул

Название

Примечание

Количество

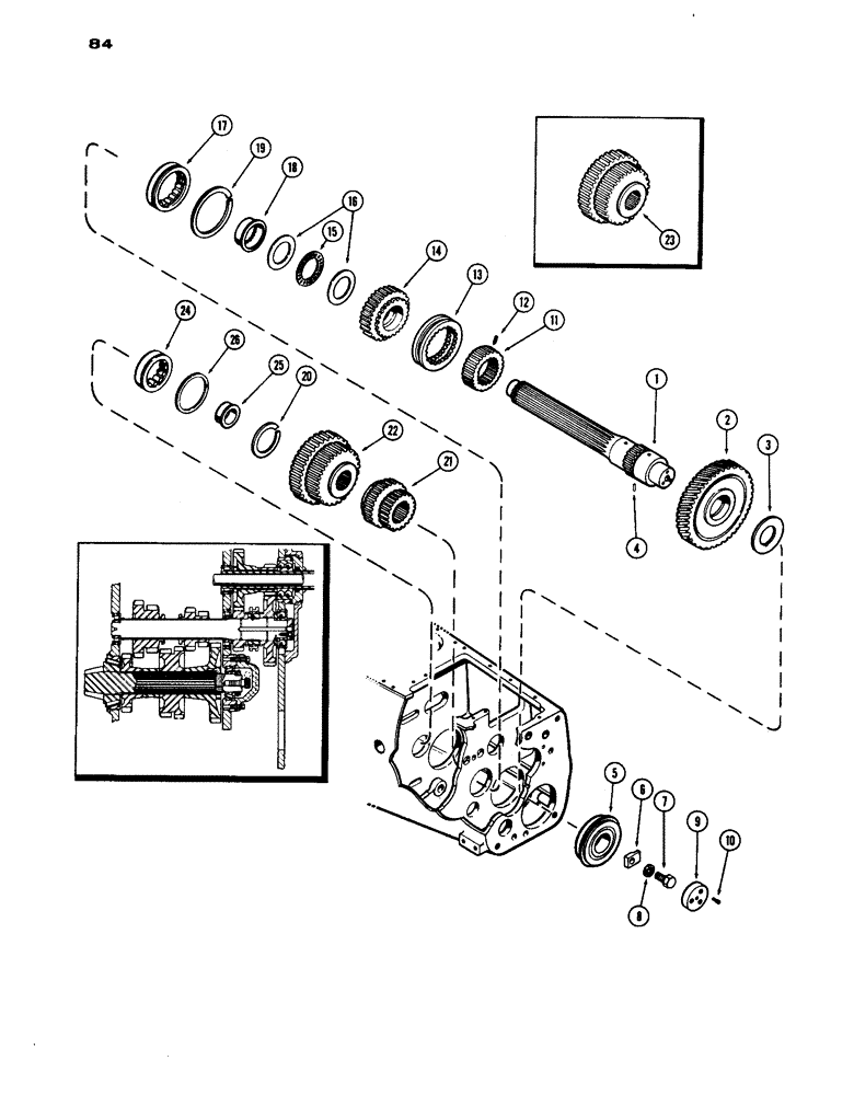
1

A34905

SHAFT

- sliding gear (chrome plated) (1st used trac. no. 8305173),(set screw hole deleted beginning trans. ser. no. 2215833)

1шт.

1

A32781

X

SHAFT - sliding gear (used prior to trac. ser. no. 8305173) (Order A34905)

1шт.

2

A34347

GEAR

- driven, low range (20 & 47 teeth)

1шт.

3

A60040

WASHER

- thrust, low range gear (Replaces A32017)

1шт.

4

138-215

LOCK PIN,3/16" x 3/8", Slotted

Pin, , thrust washer 3/16" x 3/8", Slotted

1шт.

5

A32018

BALL BEARING,44.99mm ID x 100mm OD x 25mm W

BEARING - ball, sliding shaft, front

1шт.

6

A32788

CLAMP

- front brg. ret.

2шт.

7

13-820

BOLT,Hex, 1/2" - 13 x 1-1/4", Gr 5, Full Thd

- clamp (1/2 x 1-1/8" N.C. hex.)

2шт.

8

193-77

LOCK WASHER,Int Tooth, 1/2"

WASHER, LOCK, Int Tooth, 1/2"

2шт.

9

A32019

PLATE

- front brg. lock

1шт.

10

165-118

HEX SOC SCREW,Prev Torque, 5/16" - 18 x 3/4"

BOLT - plate (5/16 x 3/4" N.C., nylock sckt. hd.)

3шт.

11

A32024

COLLAR

- range clutch (set screw hole deleted beginning trans. ser. no. 2215833)

1шт.

12

A32026

SET SCREW,Hex Skt, 5/16" - 18 x 5/8"

SCREW -collar (5/16" N.C., sckt. hd., cone pt.) (this set screw deleted beginning trans. ser. no. 12215833)

1шт.

13

A32025

SLEEVE

- range clutch

1шт.

14

A34348

GEAR

- high range (20 & 32 teeth)

1шт.

15

A32785

THRUST BEARING,2.125" ID x 2.875" OD x 0.0781"

BEARING - thrust (needle)

1шт.

16

A32784

WASHER

RACE - thrust bearing

2шт.

17

A32004

BEARING ASSY,55mm ID x 100mm OD x 21mm W

BEARING - roller, center

1шт.

18

A34772

BEARING, CONE,32T

RACE - center roller brg. (inner) (1st used trac. ser. no. 8295057)

1шт.

18

A32800

X

RACE - center roller brg. (inner) (used prior to trac. ser. no. 8295057)(Order A34772)

1шт.

19

A32005

RING

- snap, roller brg.

1шт.

20

A33575

SNAP RING,#206, 1.936", Ext

RING - snap, roller brg. ret.

1шт.

21

A33564

GEAR

- slining, 1st-2nd & 5th-6th (15 & 19 teeth)

1шт.

22

A57446

GEAR

- sliding, 3rd-4th & 7th-8th (use w/A57445) (22 & 26 teeth)(1st used trac. ser. no. 8333667)

1шт.

23

A33563

GEAR

- sliding, 3rd-4th & 7th-8th (use w/A34336) (22 & 27)(used prior to trac. ser. no. 8333667)

1шт.

24

A33042

BEARING ASSY

BEARING - roller, rear

1шт.

25

A33043

ROLLER BEARING,34.99mm ID x 20.87mm W

RACE - rear roller brg. (inner)

1шт.

26

A33041

RING, SNAP

RING - snap, rear roller brg.

1шт.

Выбрано товаров: 28