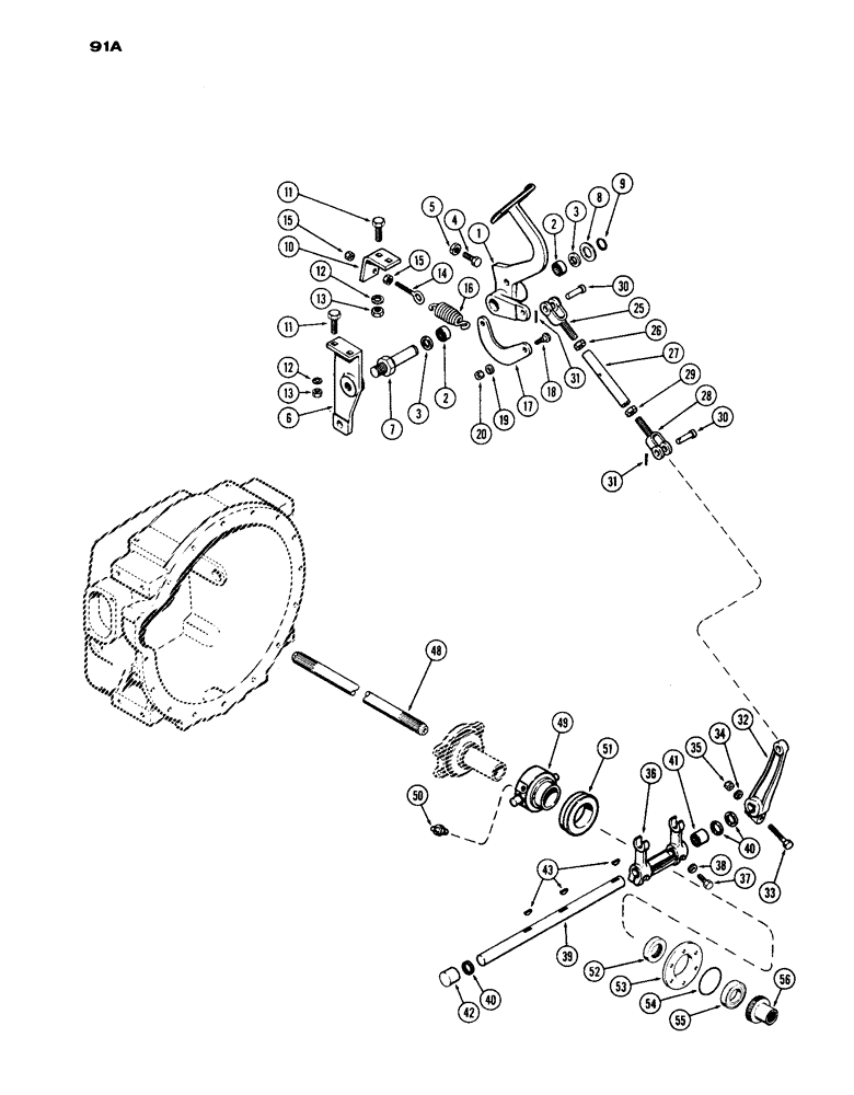
Запчасти Case IH 1030 (091A) - CLUTCH CONTROLS, USED PRIOR TO TRACTOR SERIAL NUMBER 8282440 (06) - POWER TRAIN

Схема запчастей Case IH 1030 - (091A) - CLUTCH CONTROLS, USED PRIOR TO TRACTOR SERIAL NUMBER 8282440 (06) - POWER TRAIN
15
14
18
2
25
6
11
15
28
31
42
11
3
33
17
4
35
19
30
31
49
40
10
13
2
12
7
56
39
55
40
16
43
52
38
3
53
32
51
54
13
48
8
41
37
26
27
1
5
29
30
50
9
12
34
20
36
FIT
1:1
100%

Артикул

Название

Примечание

Количество

1

A33300

PEDAL

ASSY. - clutch, Includes Ref: 2 and 3

1шт.

2

F62197

BEARING

- needle, clutch pedal (1 x 1-1/4 x 1/2")

2шт.

3

A28211

OIL SEAL

- oil, clutch pedal (1 x 1-1/4 x 1/8")

2шт.

4

13-624

BOLT,Hex, 3/8" - 16 x 1-1/2", Gr 5

- pedal stop (3/8 x 1-1/2" N.C. hex.)

1шт.

5

25-146

JAM NUT,Jam, 3/8"-16, G5

- lock, stop bolt (3/8" N.C. hex., jam)

1шт.

6

A32680

SUPPORT - pedal

1шт.

7

A24187

STUD - pedal pivot

1шт.

8

195-53

WASHER,1" x 2" x .134"

- (1-1/6 x 2 x 9/64")

1шт.

9

B18208

SNAP RING,#100, Ext

pedal #100, Ext

1шт.

10

A33882

BRACKET - return spring

1шт.

11

13-616

BOLT,Hex, 3/8" - 16 x 1", Gr 5, Full Thd

Support & bracket Hex, 3/8"-16 x 1", G5, Full Thd

4шт.

12

80680

LOCK WASHER,3/8 0.381 CST ZND

WASHER, LOCK, 3/8"

4шт.

13

25-106

NUT,3/8"-16, G5

- (3/8" N.C. hex.)

4шт.

14

A24192

ANCHOR - eye bolt, return spring

1шт.

15

25-115

NUT,5/16"-24, G5

- anchor bolt (5/16" NF hex)

2шт.

16

A27993

SPRING

- brake pedal return

1шт.

17

A24190

LINK - return spring

1шт.

18

A27277

STEP BOLT

BOLT - pivot, return spring link

1шт.

19

92-6

LOCK WASHER,3/8"

1шт.

20

25-156

JAM NUT,Jam, 3/8"-24, G5

- (3/8" N.F. hex., jam)

1шт.

25

A24495

CLEVIS

YOKE - throwout rod (5/8" N.F., L.H. thread)

1шт.

26

129-367

NUT,Jam, 5/8"-18, G5, LH

- yoke stip (5/8" N.F., jam L.H. thread)

1шт.

27

A33126

ROD

- clutch throwout

1шт.

28

A23819

YOKE - throwout rod (5/8" N.F., R.H. thread)

1шт.

29

86637932

JAM NUT,Jam, 5/8"-18, G5

NUT - yoke stop (5/8" N.F. jam, R.H. thread)

1шт.

30

141-7

CLEVIS PIN,5/8" x 1.610"

PIN - clevis (5/8 x 1-39/64")

2шт.

31

132-50

COTTER PIN,1/8" x 1 1/4"

Pin, Split (Cotter), 1/8" x 1 1/4"

2шт.

32

A32682

LEVER

- clutch throwout (5-1/4" between hole ctrs.)

1шт.

33

14-840

BOLT,Hex, 1/2" - 20 x 2-1/2", Gr 5

- lever (1/2 x 2-1/2" N.F. hes.)

1шт.

34

92-8

LOCK WASHER,1/2"

1шт.

35

25-118

NUT,1/2"-20, G5

- (1/2" N.F. hex.)

1шт.

36

A32822

YOKE

- throwout clutch

1шт.

37

13-620

BOLT,Hex, 3/8" - 16 x 1-1/4", Gr 5, Full Thd

Yoke Hex, 3/8"-16 x 1 1/4", G5, Full Thd

2шт.

38

92-6

LOCK WASHER,3/8"

2шт.

39

A32821

SCREW

SHAFT - clutch throwout (17-3/4" long)

1шт.

40

A28211

OIL SEAL

- oil, throwout shaft (1 x 1-1/4 x 1/8")

3шт.

41

B18254

NEEDLE BEARING,Needle, 25.4mm ID x 31.75mm OD x 25.4mm W

BEARING - needle (open both ends)

1шт.

42

A28210

BEARING, NEEDLE,1" ID x 1.25" OD x 1"

BEARING - needle (open one end)

1шт.

43

126-24

WOODRUFF KEY,#15, 1/4" x 1"

Throwout shaft #15, 1/4" x 1"

3шт.

48

A34435

SHAFT

- clutch & P.T.O.

1шт.

49

A57411

SLEEVE

- clutch throwout bearing (Replaces A32820) (Order A57997)

1шт.

50

219-1

LUBE NIPPLE,1/8" - 27 NPTF

FITTING - grease (1/8" P.T. str.)

1шт.

51

A32819

PACKAGE

BEARING - clutch throwout

1шт.

52

A57479

OIL SEAL

- oil (1-1/2 x 2-1/8 x 7/16")(Replaces A7144)

1шт.

53

A7145

RETAINER

- oil seal

1шт.

54

A28318

O-RING,0.139" Thk x 2.484" ID, -230, Cl 5, 75 Duro

"O" RING - retainer (2-1/2 x 2-3/4 x 1/8")

1шт.

55

A28237

BALL BEARING,34.99mm ID x 62mm OD x 14mm W

BEARING - front

1шт.

56

A34522

SLEEVE

- clutch shaft, front

1шт.

Выбрано товаров: 48