Запчасти Case IH 1030 (112) - ROCKSHAFT AND HOUSING (06) - POWER TRAIN

Схема запчастей Case IH 1030 - (112) - ROCKSHAFT AND HOUSING (06) - POWER TRAIN
30
39
9
24
37
32
34
36
23
11
25
12
41
18
4
15
6
27
3
20
33
35
22
19
8
10
21
31
17
29
28
26
5
40
8
13
2
9
14
38
1
16
7
FIT
1:1
100%

Артикул

Название

Примечание

Количество

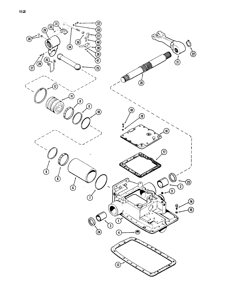
A34794

HOUSING ASSY. - (Not illust.), Includes Ref: 2 - 12

1шт.

1

NSS

NOT SOLD SEPARAT

HOUSING - rockshaft

1шт.

2

A32303

BUSHING,69.75mm ID x 74.73mm OD x 76.2mm L

- left hand (2-3/4 x 2-61/64 x 3")

1шт.

3

A32302

BUSHING,60.27mm ID x 65.2mm OD x 76.2mm L

- right hand (2-3/8 x 2-9/16 x 3")

1шт.

4

A12014

BUSHING

- signal shaft

1шт.

5

221-1842

DRAIN PLUG,Hex Soc, 3/8"-18 NPTF

PLUG - hsg. (3/8" P.T., ctsk. sckt. hd.)

3шт.

6

A34273

LINING

LINER - hydraulic cylinder

1шт.

7

A32295

O-RING,5.725" ID x 6.275" OD x 0.275"

"O" RING - liner (5-3/4 x 6-1/4")

1шт.

8

A32219

RING,126.62mm ID x 133.35mm OD x 15.88mm Thk

- piston wear

2шт.

9

A32293

RING,121.94mm ID x 133.93mm OD x 2.97mm Thk

- "O" ring back-up

2шт.

10

A32294

O-RING,4.725" ID x 5.275" OD x 0.275"

"O" RING - piston (4-3/4 x 5-1/4 x 1/4")

1шт.

11

A34270

PISTON

ASSY. - hydraulic cylinder

1шт.

12

A32292

CIRCLIP

RING - snap, liner ret.

1шт.

13

A32299

GASKET

- rockshaft housing

1шт.

14

13-824

BOLT,Hex, 1/2" - 13 x 1-1/2", Gr 5, Full Thd

Hst. Hex, 1/2"-13 x 1 1/2", G5, Full Thd

10шт.

14

13-892

BOLT,Hex, 1/2" - 13 x 5-3/4", Gr 5

- hsg. (1/2 x 5-3/4" N.C. hex.)

2шт.

15

92-8

LOCK WASHER,1/2"

12шт.

16

A33382

COVER

- rockshaft housing

1шт.

17

A33383

GASKET

- housing cover

1шт.

18

13-512

BOLT,Hex, 5/16" - 18 x 3/4", Gr 5

Cover Hex, 5/16"-18 x 3/4", G5, Full Thd

3шт.

18

13-514

BOLT,Hex, 5/16" - 18 x 7/8", Gr 5

Cover Hex, 5/16"-18 x 7/8", G5, Full Thd

9шт.

19

92-5

LOCK WASHER,5/16"

12шт.

20

A32286

ROCKSHAFT

1шт.

21

A57494

ARM

- rockshaft, lift links (1st used trans. ser. no. 2229995)

2шт.

21

A33376

ARM - rockshaft, lift links (used prior to trans. ser. no. 2229995)

2шт.

22

A32300

SNAP RING,#225, 2.174", Ext

RING - snap, arms retaining

2шт.

23

A32305

OIL SEAL,69.85mm ID x 92.2mm OD x 11.91mm Thk

- oil, left hand (2-3/4 x 3-5/8 x 15/32")

1шт.

24

A32304

OIL SEAL,60.33mm ID x 85.8mm OD x 11.91mm Thk

- oil, right hand (2-3/8 x 3-3/8 x 15/32")

1шт.

25

A57887

ROD

- piston (Replaces A32290)

1шт.

26

A60497

SPRING

- piston rod (Replaces A32913)

1шт.

27

13-616

BOLT,Hex, 3/8" - 16 x 1", Gr 5, Full Thd

Retainer Hex, 3/8"-16 x 1", G5, Full Thd

2шт.

28

95-6

WASHER,3/8"

- (7/16 x 1 x 5/64")

2шт.

29

A32287

ARM

- rockshaft, piston rod

1шт.

30

84-88

SET SCREW,Hex Soc, 1/2"-20 x 1/2"

SCREW - piston arm (1/2" N.F. cup pt., sckt. hd.)

2шт.

31

A33380

BRACKET

- lock rod

1шт.

32

14-512

BOLT,Hex, 5/16" - 24 x 3/4", Gr 5, Full Thd

Bracket Hex, 5/16"-24 x 3/4", G5, Full Thd

2шт.

33

92-5

LOCK WASHER,5/16"

2шт.

34

A33381

ROD

- valve lock

1шт.

35

138-55

LOCK PIN,1/8" x 5/8", Slotted

PIN, , Lock rod 1/8" x 5/8", Slotted

2шт.

36

25-156

JAM NUT,Jam, 3/8"-24, G5

- lock rod (3/8" N.F. half hex.)

1шт.

37

A33379

TRUNNION

- lock, Serial Range: rod-lever

1шт.

38

136-109

SPLIT PIN

PIN - trunnion (int. hair)

1шт.

39

A34175

LEVER

- valve lock

1шт.

40

A32918

PIN

- pivot, valve lock lever

1шт.

41

A11538

SNAP RING,#50, Ext

Ring, Snap, , pivot pin #50, Ext

1шт.

Выбрано товаров: 0