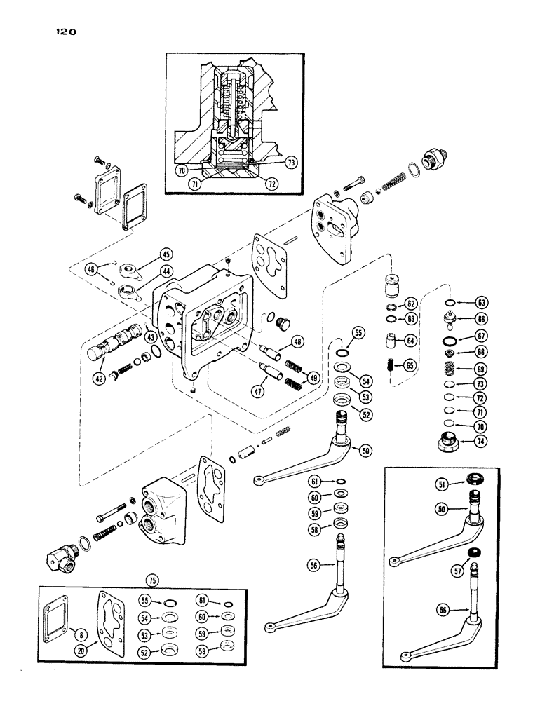
Запчасти Case IH 1030 (120) - A57571 AUXILIARY VALVE, CONTINUED, FIRST USED TRANSMISSION SERIAL NUMBER 2219218 (06) - POWER TRAIN

Схема запчастей Case IH 1030 - (120) - A57571 AUXILIARY VALVE, CONTINUED, FIRST USED TRANSMISSION SERIAL NUMBER 2219218 (06) - POWER TRAIN
55
72
66
52
58
20
64
59
47
75
56
60
53
74
63
50
8
53
44
50
67
69
63
55
42
49
45
71
61
46
54
52
68
70
43
51
62
73
59
58
71
54
5
70
65
61
73
60
56
48
72
FIT
1:1
100%

Артикул

Название

Примечание

Количество

A57571

VALVE

ASSY. auxilliary, non-float, continued from Figure 118

1шт.

42

A57538

SPOOL

ASSY. - hyd. valve, Includes Ref: 43

2шт.

43

211-5

BALL,3/16" Dia

- (3/16" steel)

1шт.

44

A57546

ARM

ASSY. - inner, valve spool shifter

1шт.

45

A57547

ARM

ASSY. - outer, valve spool shifter, Includes Ref: 46

1шт.

46

178-875

SET SCREW,Hex Soc, 1/4"-20 x 1/4"

SCREW - set, valve spool shifter arm (Replaces A57550)

1шт.

47

A57554

PLUNGER

- valve spool, w/out oil hole

1шт.

48

A57555

PLUNGER

- valve spool, w/oil hole

1шт.

49

A30883

SPRING

- plunger, hyd. valve spool

2шт.

50

A57540

SHAFT

- inner, valve shifter lever

1шт.

51

G13827

OIL SEAL

SEAL oil, inner shifter lever shaft, 3/4 x 1-1/4 x 1/4", order A25264 Ref. 75

1шт.

52

A30880

RETAINER

- felt seal

1шт.

Part of P/N A25264 Repair Kit

1шт.

53

A30879

WASHER

SEAL, 3/4 x 1-3/16 x 1/4" felt

1шт.

Part of P/N A25264 Repair Kit

1шт.

54

A30881

SEALING WASHER,19.45mm ID x 31.35mm OD

WASHER, 49/64 x 1-15/64 x 20 Ga.

1шт.

Part of P/N A25264 Repair Kit

1шт.

55

A60499

O-RING

3/4 x 15/16 x 3/32"

1шт.

Part of P/N A25264 Repair Kit

1шт.

56

A57541

SHAFT - outer, valve shifter lever

1шт.

57

A57551

SEAL

oil, outer shifter lever, shaft, 1/2 x 1 x 1/4", order A25264, Ref. 75

1шт.

58

A30875

RETAINER

felt seal

1шт.

Part of P/N A25264 Repair Kit

1шт.

59

A30853

WASHER

SEAL felt, 1/2 x 15/16 x 1/4"

1шт.

Part of P/N A25264 Repair Kit

1шт.

60

A27409

WASHER

23/64 x 63/64 x 20 Ga.

1шт.

Part of P/N A25264 Repair Kit

1шт.

61

A64836

O-RING,0.487" ID x 0.693" OD

Replaces A60498, 1/2" x 11/16 x 3/32"

1шт.

Part of P/N A25264 Repair Kit

1шт.

62

A34493

RING,16.33mm ID x 19.02mm OD x 1.25mm Thk

- pilot relief valve

1шт.

63

A17526

O-RING,0.614" ID x 0.754" OD x 0.7"

"O" RING - pilot relief valve (5/8 x 3/4 x 1/16")

2шт.

64

A57553

PISTON

- pilot relief valve

1шт.

65

A34382

SPRING

- pilot relief valve

1шт.

66

A57556

PISTON

ASSY. - pilot relief valve

1шт.

67

218-5008

O-RING,0.116" Thk x 0.924" ID, -912, Cl 6, 90 Duro

"O" RING - plug (3/4 x 59/64 x 1/8")

1шт.

68

A57558

RETAINER

- spring, pilot relief valve

1шт.

69

A34492

SPRING

- poppet, aux. valve pilot relief

1шт.

70

A34390

SHIM,.0329" Thk

Pilot relief spring .0329" Thk

1шт.

70

A34391

SHIM,.0149" Thk

Pilot relief spring .0149" Thk

1шт.

71

A34694

SHIM,.0201" Thk

Pilot relief spring .0201" Thk

1шт.

72

A34849

SHIM,.0105" Thk

Pilot relief spring .0105" Thk

1шт.

73

A34817

SHIM,.0149" Thk

Pilot relief spring (Blue Japan) .0149" Thk

1шт.

74

A34392

PLUG

- pilot relief valve

1шт.

75

A25264

SEAL

REPAIR KIT, Includes: Ref. 52 - 55 and 58 - 61

1шт.

Выбрано товаров: 44