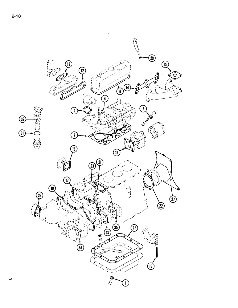
Запчасти Case IH 1120 (2-18) - ENGINE GASKET KIT (02) - ENGINE

Схема запчастей Case IH 1120 - (2-18) - ENGINE GASKET KIT (02) - ENGINE
23
12
8
17
1
13
15
7
35
37
35
14
29
31
11
2
32
18
10
1
4
26
21
22
27
19
16
FIT
1:1
100%

Артикул

Название

Примечание

Количество

1991066C1

GASKET KIT

KIT Gasket, engine overhaul, Includes all Ref. except 8, 9, 26 and 27

1шт.

1

1271905C1

GASKET

drain plug

2шт.

2

1273088C1

GASKET

thermostat housing

2шт.

4

1271981C1

SEAL

SEAL valve stem

6шт.

7

1271923C1

CYLINDER HEAD GASKET

cylinder head

1шт.

8

1271926C1

GASKET

cover

1шт.

9

IH1273078C1

SEAL ASSY.

oil

2шт.

10

1991008C1

GASKET

gear cover

1шт.

11

1991006C1

GASKET

oil pan

1шт.

12

1273107C1

MANIFOLD GASKET

intake manifold

1шт.

13

1273109C1

GASKET

inlet elbow

1шт.

14

1991049C1

MANIFOLD GASKET

exhaust manifold

1шт.

15

1991047C1

GASKET

exhaust, Serial Range: manifold-muffler

1шт.

16

1271776C1

SEAL

SEAL end bearing cap, side

4шт.

17

1991002C1

GASKET

front plate

1шт.

18

1991034C1

GASKET

cover

1шт.

19

1991040C1

GASKET

oil pump

1шт.

21

1991043C1

GASKET

water pump

1шт.

22

1991001C1

GASKET

oil seal

1шт.

23

NSS

NOT SOLD SEPARAT

GASKET water pump

1шт.

26

1992770C1

GASKET

governor cover

1шт.

27

1991004C1

GASKET

rear plate

1шт.

29

1273000C1

GASKET

nozzle holder

3шт.

31

NSS

NOT SOLD SEPARAT

O-RING filter cup

1шт.

32

NSS

NOT SOLD SEPARAT

O-RING element

1шт.

35

1991011C1

GASKET

pump

2шт.

37

1991010C1

GASKET

housing, pump gear

1шт.

Выбрано товаров: 27